EasyManua.ls Logo

Pentair UltraTemp-E - Información Técnica

Pentair UltraTemp-E
192 pages
Print Icon
To Next Page IconTo Next Page
To Next Page IconTo Next Page
To Previous Page IconTo Previous Page
To Previous Page IconTo Previous Page
Loading...
151
Información técnica
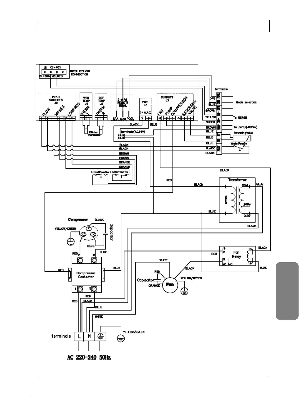
Diagrama de cableado de Ultratemp-E 08, Ultratemp-E10 y Ultratemp-E 12
Panel de control de la bomba de calor
ESPANOL

Table of Contents

Related product manuals