EasyManua.ls Logo

Pentair UltraTemp-E - Dati Tecnici

Pentair UltraTemp-E
192 pages
Print Icon
To Next Page IconTo Next Page
To Next Page IconTo Next Page
To Previous Page IconTo Previous Page
To Previous Page IconTo Previous Page
Loading...
182 UltraTemp®-E
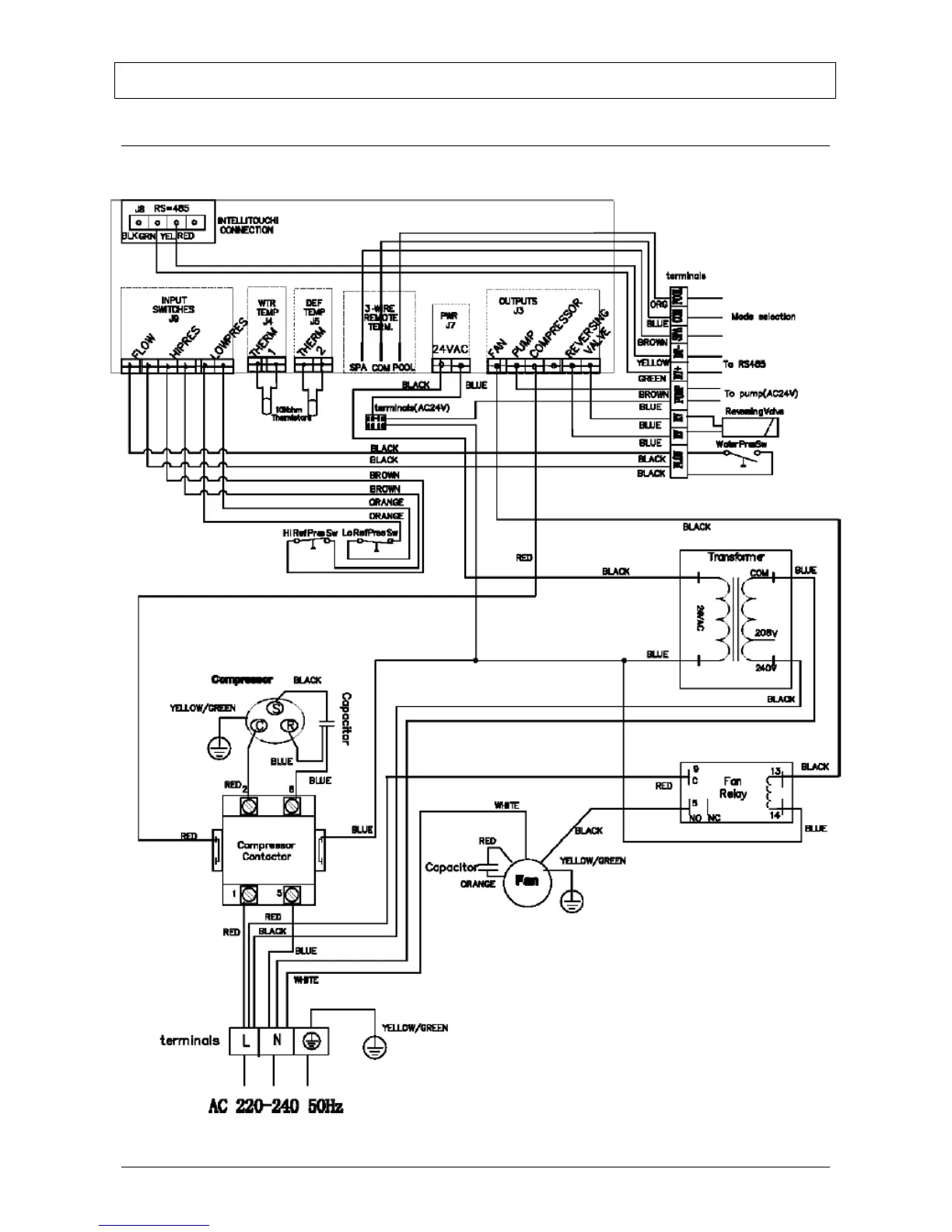
Dati tecnici
Diagramma di cablaggio di Ultratemp-E 08, Ultratemp-E10 e Ultratemp-E 12
Pannello di controllo della pompa di calore

Table of Contents

Related product manuals