EasyManua.ls Logo

Pentair UltraTemp-E - Page 183

Pentair UltraTemp-E
192 pages
Print Icon
To Next Page IconTo Next Page
To Next Page IconTo Next Page
To Previous Page IconTo Previous Page
To Previous Page IconTo Previous Page
Loading...
183
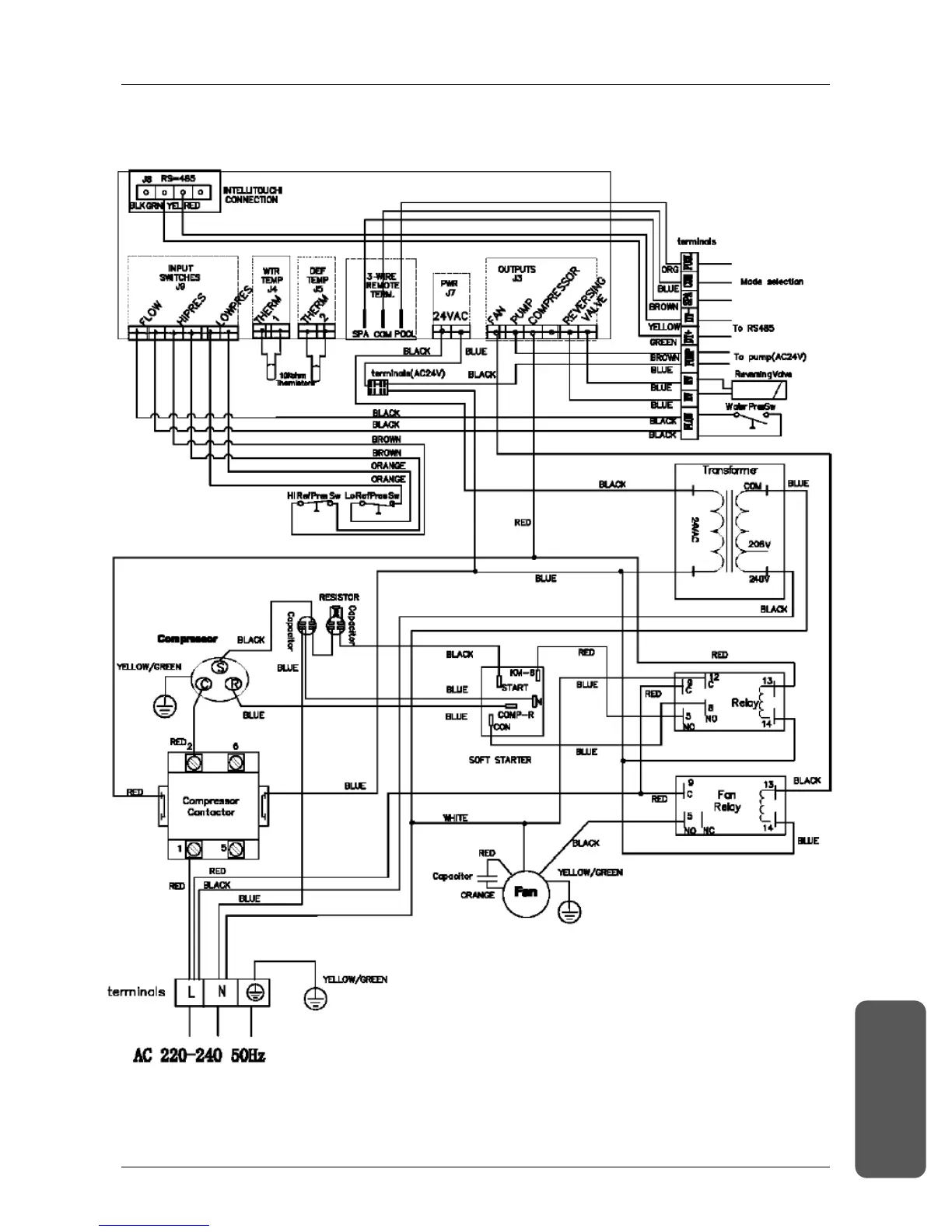
Diagramma di cablaggio di Ultratemp-E 15
Pannello di controllo della pompa di calore
ITALIANO

Table of Contents

Related product manuals