EasyManua.ls Logo

Pentair UltraTemp-E - Wiring Diagram for Model 15

Pentair UltraTemp-E
192 pages
Print Icon
To Next Page IconTo Next Page
To Next Page IconTo Next Page
To Previous Page IconTo Previous Page
To Previous Page IconTo Previous Page
Loading...
24 UltraTemp®-E
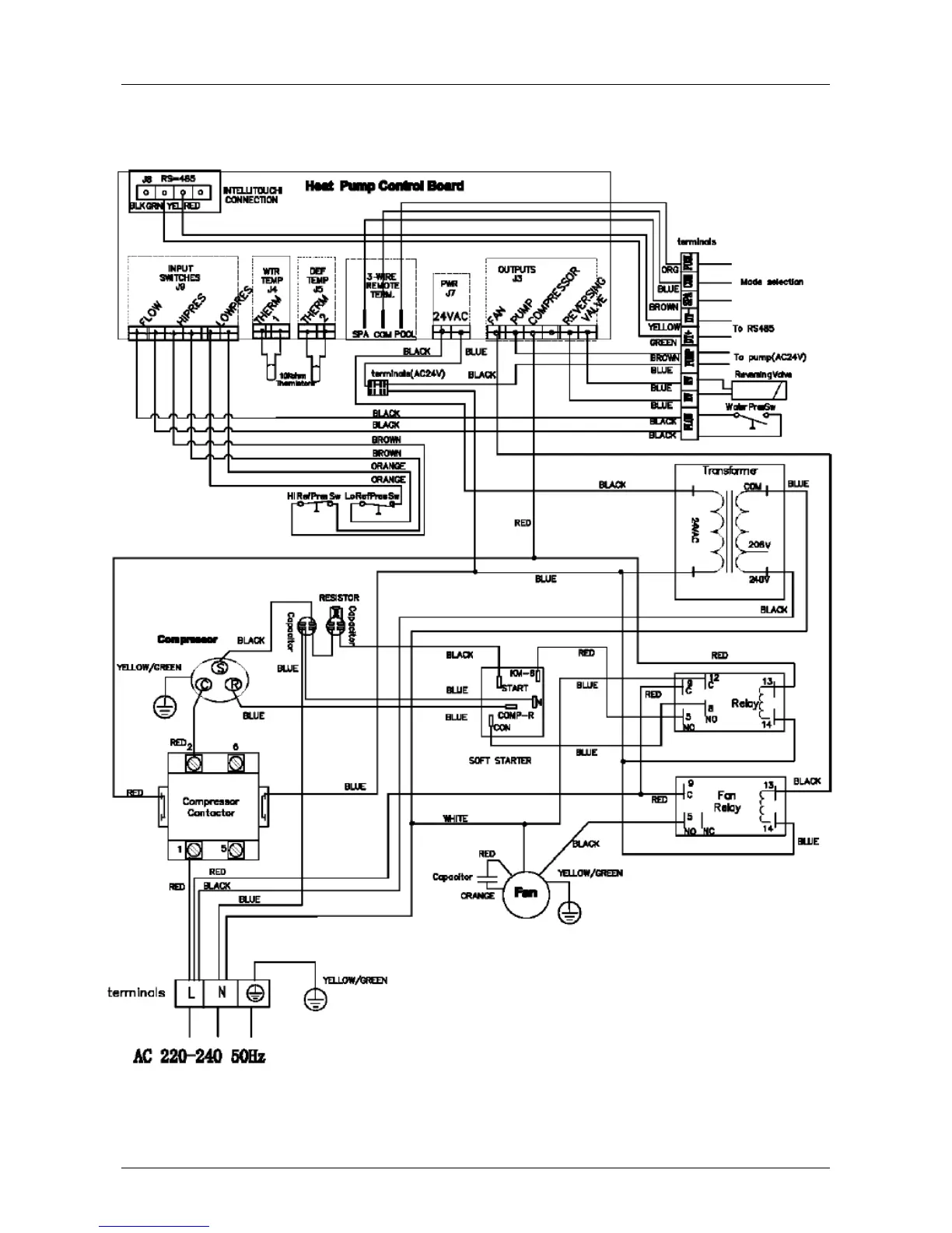
Wiring diagram Ultratemp-E 15

Table of Contents

Related product manuals