EasyManua.ls Logo

Pentair UltraTemp-E - Page 56

Pentair UltraTemp-E
192 pages
Print Icon
To Next Page IconTo Next Page
To Next Page IconTo Next Page
To Previous Page IconTo Previous Page
To Previous Page IconTo Previous Page
Loading...
56 UltraTemp®-E
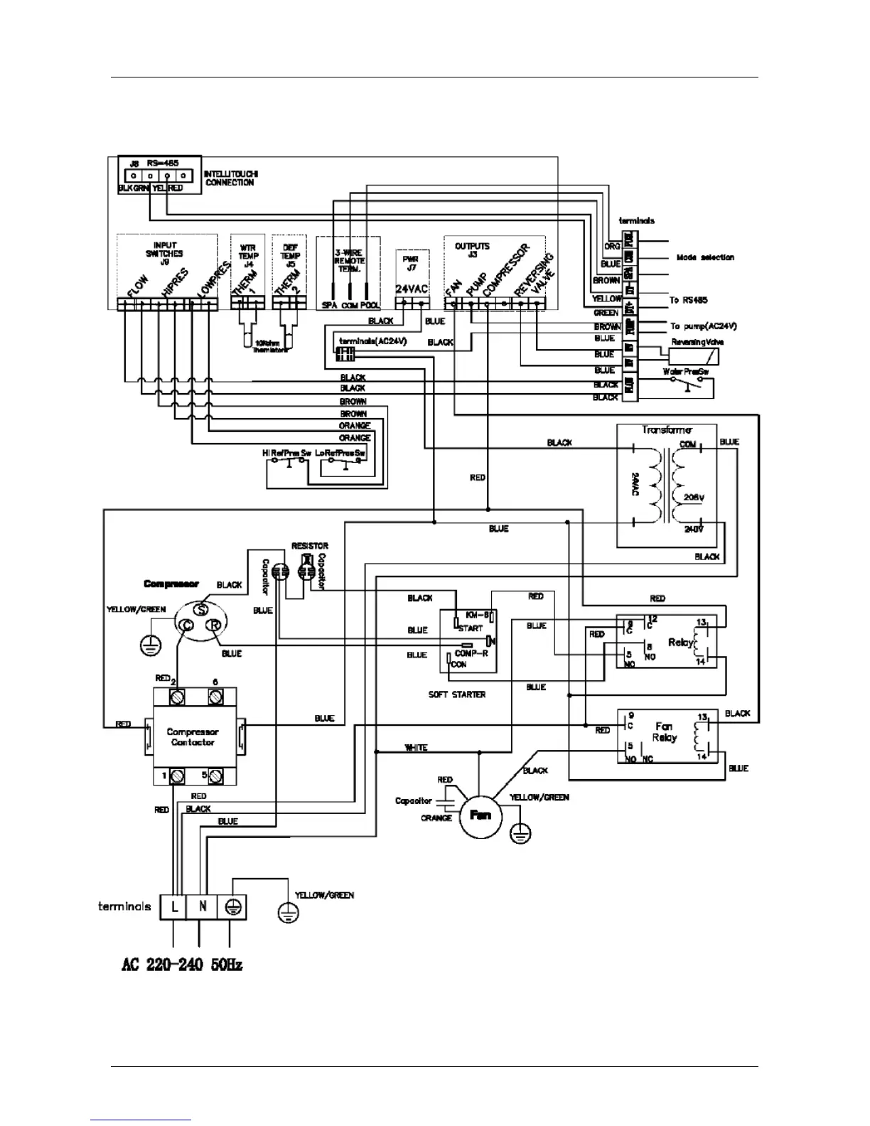
Schéma de câblage Ultratemp-E 15
Panneau de contrôle de la pompe
à chaleur

Table of Contents

Related product manuals