EasyManua.ls Logo

Perry Electric TE541 - Electrical Connections

Perry Electric TE541
28 pages
Print Icon
To Next Page IconTo Next Page
To Next Page IconTo Next Page
To Previous Page IconTo Previous Page
To Previous Page IconTo Previous Page
Loading...
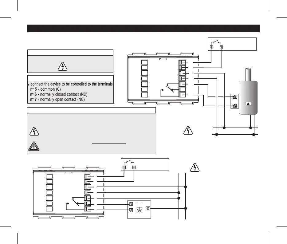
5 - INSTALLATION
5.4 - ELECTRICAL CONNECTIONS
Examples of electrical connections
Connect line voltage power supply to the terminals:
-3 NEUTRAL
-4 LINE
Relay terminals
230V~ power supply terminals50Hz
LOAD
M
230V~
L
N
8
9
10
11
12
13
14
1
2
3
4
5
6
7
NO
C
NC
230V~
230V~ 230V~
8
9
10
11
12
13
14
1
2
3
4
5
6
7
NO
C
NC
230V~
N
L
230V~
BOILER
230V~
230V~
Connection to amotorized valve and to a external contact
N
L
N
L
AUX
AUX
terminals and may be connected to a for12 external contact thermostat
remote deactivation (see paragraph 1 for external contact setting)0.6
AUX Terminals (remote contact)
AWARNING: only connect switches and contacts with insulation
suitable to work at 230Vac mains voltage.
MULTIPLE INSTALLATIONS - to connect theIt is NOT permitted
remote contact on more than one thermostat; each thermostat must
have its AUX input operated independently of the others.
Contact for remote
thermostat control
9
ATTEN ION! Disconnect the 230V~ mains voltageT
Contact for remote
thermostat control
NB: with strong inductive loads
(pumps and solenoid valves) it is
recommended to connect an RC
filter in parallel to the load.
Connection to a boiler
and to a external contact
closes
opens

Other manuals for Perry Electric TE541