EasyManua.ls Logo

Philips 37PF9631D/37 - Ambi Light (Part 2)

Philips 37PF9631D/37
133 pages
Print Icon
To Next Page IconTo Next Page
To Next Page IconTo Next Page
To Previous Page IconTo Previous Page
To Previous Page IconTo Previous Page
Loading...
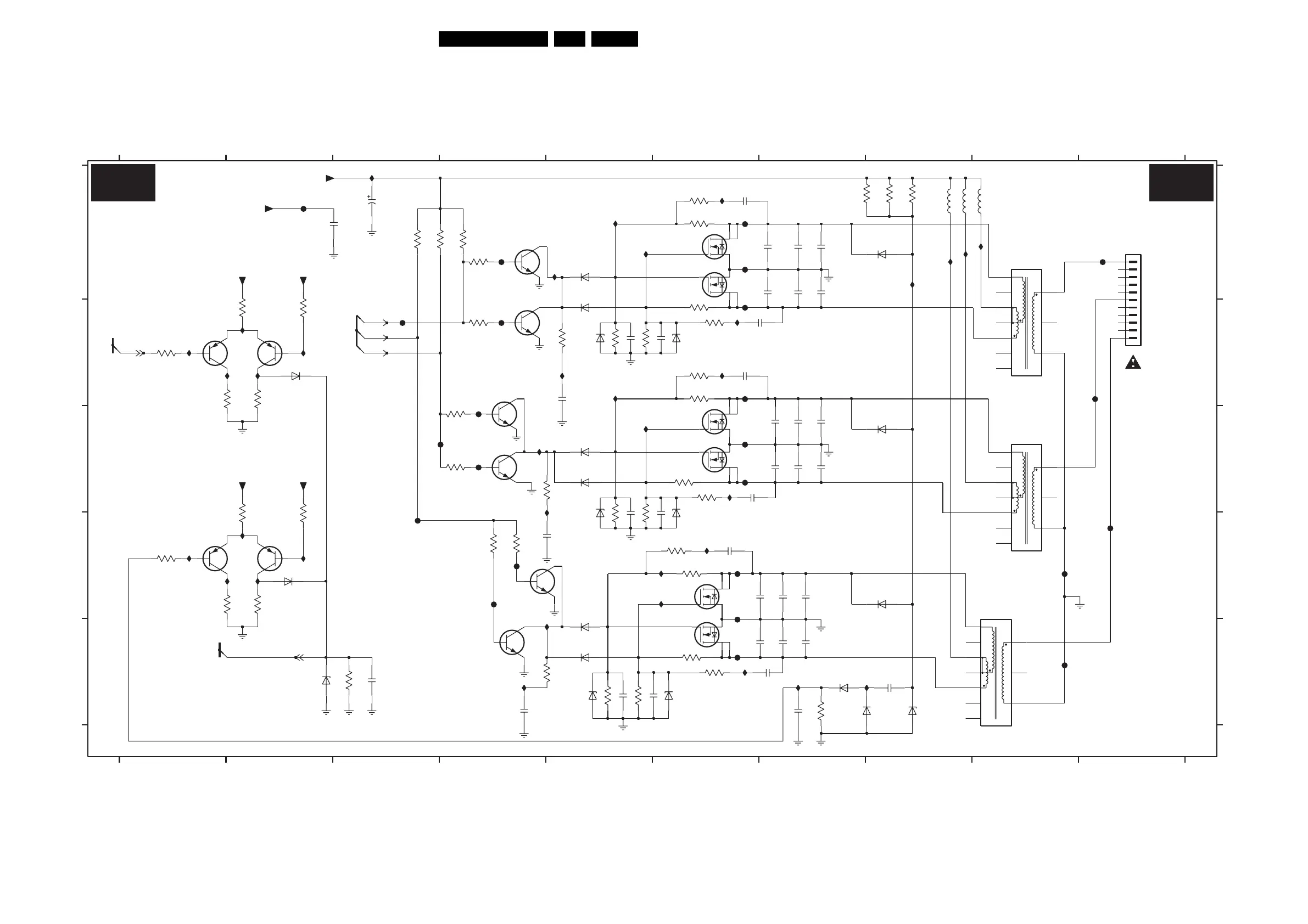
Circuit Diagrams and PWB Layouts
EN 47EJ2.0U LA 7.
Ambi Light (Part 2)
I132 D2
I133 D1
I134 D2
I135 B2
I136 B1
I137 B2
I138 E8
AL1
12345678910
12345678910
A
E
A
B
C
D
E
1M13 A10
SI4946
2101 A3
2102 A2
2107 E5
2108 E5
2109 D5
2110 D6
2111 B5
2112 B6
2113 E4
2114 D4
2115 B5
2120 A6
I129 E6
I130 B2
I131 B2
2131 A7
2132 A7
2140 C7
2141 C7
2142 C7
2150 C7
2151 C7
TO
RED
2152 C7
2160 D6
2161 D7
2162 D7
2170 E6
2171 E7
2172 E7
2173 E3
2174 E7
2177 E8
2180 A6
B
C
D
2184 D6
2185 E7
3104 E5
3105 E5
3106 E6
3107 D6
3108 D5
AMBI LIGHT
3109 D5
3110 C6
3111 B6
3112 B5
3113 B5
3114 B6
3115 A6
3117 B4
2121 A7
2122 A7
2130 A6 3124 D4
3125 C4
3129 A4
3130 C4
3131 D4
3132 E4
3133 C4
AL1
SI4946
3134 B5
3136 E3
3137 E7
3140 A6
3141 B6
3142 B6
3143 C6
3144 D6
3145 E6
3150 A7
2181 B7
2182 B6
2183 C6
3154 B1
3155 B2
3156 B2
3157 B2
3160 D2
3161 D2
3162 D1
GREEN
3163 D1
3164 D2
5102 A9
5107 A8
5108 A8
5114 A9
3118 A3
3119 A3
3120 A4
6101 B5
6102 C5
6103 C5
6104 E5
6105 E5
6106 B5
6107 B6
WARNING HIGH VOLTAGE
SI4946
SI4946
6108 D5
6109 D6
6110 E5
6111 E6
6112 E2
6113 E7
6114 E7
6115 D8
6117 C8
3151 A8
3152 A8
3153 B1
6121 D2
7109 B4
7110 C4
7111 E4
7115-1 A6
7115-2 A6
7116-1 C6
BLUE
SI4946
AL1(2X)
AL1
AL3
7116-2 C6
7117-1 D6
7117-2 E6
7118 A4
7119 C4
5115 C9
5116 E9
6100 A5
7132-1 D1
7132-2 D2
A127 A10
A128 B10
A129 D10
A130 D9
A131 E9
SI4946
CCFL
F101 B3
F102 C4
F103 D3
F126 A2
F134 E6
F135 D6
F136 D6
F137 C6
F138 C6
F140 B6
F141 B6
F142 A6
F143 A6
6118 E8
6119 A8
6120 B2
F148 A4
F150 C4
F160 D4
I101 A3
I104 E5
I105 C4
I106 A5
AL1
I107 A5
I108 A5
I109 B5
I110 C5
I111 D6
I112 D6
I113 B5
I114 E4
I115 D4
I11G A8
I11H A8
7120 D5
7130-1 B1
7130-2 B2
I11I A9
I11J A8
I120 D2
I121 D2
I122 E7
I123 A6
I124 B6
I125 B6
I127 C6
I128 D6
F145 B4
F146 C4
F147 D4
3160
33K
2
6
1
5107
22u
7130-1
BC857BS
100R
3154
2151
47n
I115
BZX384-C4V7
6112
7
8
9
6107
BZX384-C18
1
10
11
2
3
4
5
6
2
1
B11B-XASK-1
1M13
7115-1
7
8
I112
4K7
3118
F140
I109
11
132
3
4
5
6
7
9
BD21416-00
5114
1
F143
2108
6n8
560R
3105
3111
1K0
3107
1K0
47n
2162
5
6
4
3
7116-2
BC847BW
7109
+5V
4K7
3120
3K3
+5V
3K3
3152
3151
BZX384-C18
6106
470R
3112
3119
4K7
2174
10n
BAS316
6104
47R
3140
7116-1
7
8
2
1
BAS316
6117
I114
F135
47n
2122
F134
F148
F136
I105
47n
2130
3132
47R
BAS316
47n
2171
I134
6101
F141
1K0
3106
47n
3129
4K7
2141
7118
BC847BW
A131
3131
4K7
1K0
3114
6n8
2109
3108
470R
4K7
3124
3
BAS316
6100
7117-2
5
6
4
3115
1K0
7120
BC847BW
2113
22n
2150
47n
6n8
2112
I128
I129
4K7
3117
2131
47n
7117-1
7
8
2
1
I113
I104
560R
3113
F142
6n8
2111
2161
47n
I11J
3K3
3150
2140
47n
22n
2114
3163
100R
100R
3162
BAS316
6
4
3
6115
7115-2
5
3130
GND-HV
I11I
4K7
I11H
I11G
6105
BAS316
16V1m0
2101
2115
22n
F103
47K
3136
3133
12-13V
47R
2142
47n
A127
BZX384-C18
F147
BZX384-C18
6109
6111
3
4
BZX384-C18
6110
7130-2
BC857BS
5
2121
47n
I132
I135
I137
I136
6120
BAS316
6121
I133
BAS316
+5V
+12Va
33K
3156
3157
100R
I127
4K7
3125
10n
2173
F160
F150
A130
7110
BC847BW
2132
47n
BAS316
6102
I107
3153
100R
I131
12-13V
I130
22u
5108
2172
47n
I122
I120 I121
3134
47R
1n0
2177
I110
2152
3110
1K0
47n
6108
BZX384-C18
6n8
2107
2185
100p
3145
47R
3137
15K
470R
3104
A129
F101
A128
F137
3141
47R
100p
2180
100R
3161
100n
2102
F146
BC847BW
7119
5102
22u
2110
6n8
F138
3109
560R
1
11
132
3
4
5
6
7
9
BD21416-00
5115
F145
BC847BW
7111
6119
BAS316
I108
3
4
33K
3164
BC857BS
7132-2
5
BC857BS
7132-1
2
6
1
3155
33K
I125
I124
F102
I123
132
3
4
5
6
7
9
BD21416-00
5116
1
11
47n
2170
BAS316
6103
I111
F126
I106
2120
47n
I101
BZX384-C10
6118
2160
47n
BAS316
6114
I138
BAS316
6113
100p
2184
47R
3144
100p
2183
3143
47R
100p
2182
47R
3142
PROT
PROTB
2181
100p
B2
G2
R2
AL2 AL2
G_15960_143.eps
300306
3104 313 6097.5

Table of Contents

Related product manuals