EasyManua.ls Logo

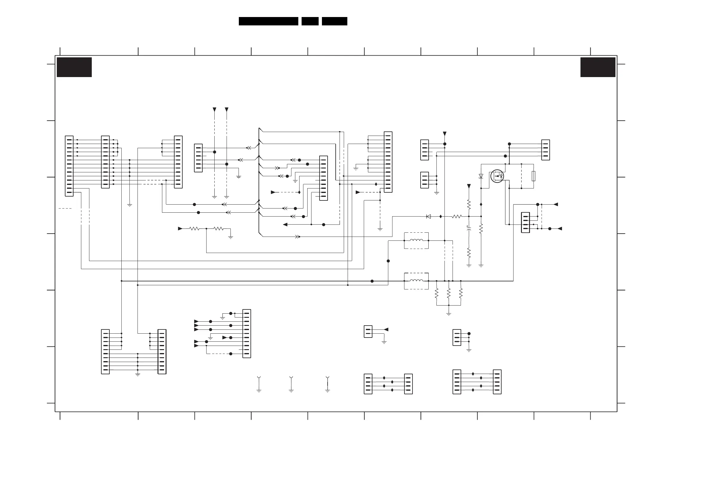
Philips 37PF9631D/37 - Standby & Audio Panel: Connections

Philips 37PF9631D/37
133 pages
Print Icon
To Next Page IconTo Next Page
To Next Page IconTo Next Page
To Previous Page IconTo Previous Page
To Previous Page IconTo Previous Page
Loading...
EN 92EJ2.0U LA 7.
Circuit Diagrams and PWB Layouts
Standby & Audio Panel: Connections
F137 B3
F138 B3
SA1 (3x)
F103 B7
F104 C3
F105 C2
F108 C9
F109 E3
F110 B8
I556 F7
I557 F8
F131 E3
F132 E3
TO
TO
F135 E3
F136 E3
9009 B3
9010 D6
9011 E6
9012 B5
9013 C5
F139 C4
F140 B8
I524 C8
I525 C7
I550 C6
I551 C4
I552 F6
I553 F6
I554 F6
I555 F6
9122 C6
F101 C9
SA1 (3x)
DISPLAY
SA1 (3x)
SA2
SA1 (3x)
F111 B4
F112 E7
F113 B5
F114 E3
F115 C4
F117 F3
F119 D6
F120 D6
F121 C4
F122 C5
9007 D7
9008 B3
DISPLAY
DISPLAY
3119 C2
3120 C3
3190 E7
3191 E7
3192 E7
3520 C8
3525 C7
3526 C7
3527 D7
5018 D6
9014 C6
9015 B5
9016 B8
9018 C9
9101 C1
9102 C1
9103 C1
9104 C2
9105 C2
9113 C4
7515 B8
CONNECTIONS
SA2
TO
SA1 (3x)
SA1 (3x)
1317 B2
1318 B3
1319 B6
1320 B7
1322 B1
1500 B8
1D40 F7
1D42 F8
9001 F3
9002 C3
9003 C3
9004 C6
9005 D6
9006 D7
TO
DISPLAY
1M46 E4
1M49 F6
1M63 E6
2517 C7
1 23456789
5019 D6
6515 B8
6516 C7
SA1 (3x)
SA2,SA3 (2x)
TO
9
A
B
C
D
E
F
A
B
C
1K49 F6
1M03 B5
1M10 B9
F
0001 F4
0002 F4
0003 F5
1303 B7
1304 C8
1309 E7
1314 E1
1315 E2
1316 B1
SA1 (3x)
D
E
123
DISPLAY
SA2
I559 F8
I560 F7
45678
1
2
3
4
9007
1M49
B4B-PH-K
I553
I554
9
I552
1
10
11
2
3
4
5
6
7
8
GND-SSP
B11B-PH-K
1M46
9002
GND-SSP
GND-SSP
F135
RES
8
9
I551
1
10
11
12
2
3
4
5
6
7
1316
B12P-PH-K
1M10
B4B-PH-K
1
2
3
4
+12V_A
GND-SSP
+5V_SW
3120
1K0
GND-SSP
3119
560R
9102
9103
GND-SSP
100R
3527
F103
5
6
7
8
9
F139
1
10
2
3
4
1M03
B10P-PH-K-S
F137
9011
+5V2
470R
3526
F112
F105
GND-SSP
F110
1K2
GND-SSP
3190
9006
1K2
3191
B3P-VH
1309
1
2
3
F111
1500
3.15A F
1
3
6515
BZX384-C15
BSP030
7515
2
4
5
6
7
8
9
+24V_2
1315
B10P-PH-K-S
1
10
2
3
4
GND-SSP
F108
68u
5018
1D42
1
2
3
4
5
GND-SSP
B5B-PH-K
GND screw
0003
1
GND-SSP
9016
F117
F119
B5B-PH-K
1D40
1
2
3
4
5
F113
9015
I524
F140
2
3
4
5
6
7
8
9
1317
1
10
11
12
9005
B12P-PH-K
0002
GND screw
1
GND-SSP
3
4
I525
F121
1303
B4P-VH
1
2
F115
3192
1K2
+5V2-RELAY-IO2_PWM
GND-SSP
2
3
4
5
6
7
8
9
9004
1
10
11
12
13
14
6
7
8
9
+5V_SW
B14B-PH-K
1322
B10P-PH-K-S
1
10
2
3
4
5
I550
1314
13
14
2
3
4
5
6
7
8
9
1319
B14B-PH-K
1
10
11
12
6516
BAS316
1
2
3
4
5
6
F131
B6B-PH-K
1318
F136
F109
+8V6
GND-SSP
F122
1M63
B2B-PH-K
1
2
1
2
3
4
F114
B4P-VH
1304
9001
9010
9018
VTUN
5019
68u
+12V
9012
F104
1320
1
2
3
I557
B3P-VH
I556
0001
GND screw
1
+5V_SW
RES
+5V_SW
GND-SSP
F132
9003
2517
4u7 50V
9009
RES
+5V_SW
F138
I560
+5V_SW
GND-SSP
I559
9013
+12V_+24V
GND-SSP
VTUN
9105
GND-SSP
9104
9122
+5V_SW
9014
+12V
F101
GND-SSP
100K
3525
220K
3520
I555
4
9113
B4B-PH-K
1K49
1
2
3
9101
F120
9008
DIM_CONTROL
GND-SSP
DRIVE_AMBILIGHT
ON_OFF
DIM_CONTROL
ON_OFF
DIM_CONTROL
ON_OFF
DIM_CONTROL
ON_OFF
STANDBY
PROT_AUDIOSUPPLY
POR
SA1 SA1
3104 313 6064.7
G_16210_095.eps
180506

Table of Contents

Related product manuals