EasyManua.ls Logo

Philips 37PF9631D/37 - SSB: Audio: Amplifier (B8 A)

Philips 37PF9631D/37
133 pages
Print Icon
To Next Page IconTo Next Page
To Next Page IconTo Next Page
To Previous Page IconTo Previous Page
To Previous Page IconTo Previous Page
Loading...
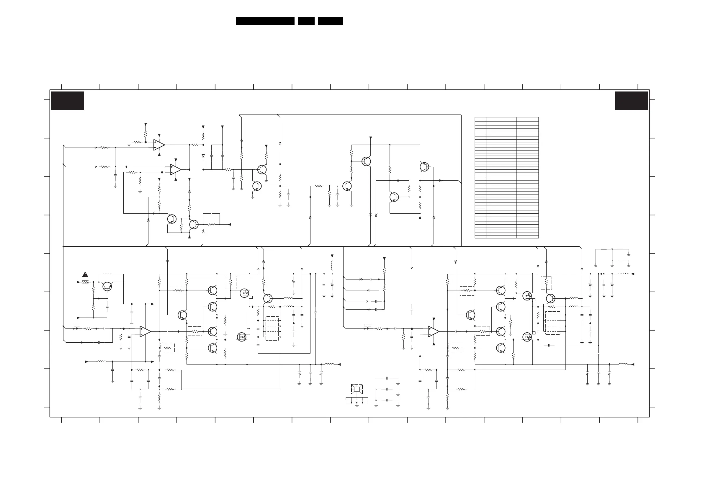
Circuit Diagrams and PWB Layouts
EN 77EJ2.0U LA 7.
SSB: Audio: Amplifier
ID83 F6
ID86 F4
ID87 F4
ID91 C10
ID92 E6
ID93 E6
cD01 D15
cD04 D15
cD05 E15
*
ID64 F14
ID65 F6
ID66 F9
ID67 E9
ID70 B8
ID71 C10
ID72 C10
ID74 F9
ID75 F11
ID76 F11
*
0V7
18V4
ID32 G5
ID33 G12
ID34 G3
ID35 G6
ID36 G4
ID37 G11
ID38 G10
ID39 G2
ID40 G7
ID41 G15
0V
*
*
*
*
*
*
*
ID52 B2
ID53 B4
ID55 C6
ID56 C4
ID57 C3
ID60 B4
ID61 C4
ID62 F1
ID63 C7
FD26 F2
FD27 G10
FD49 B3
FD54 B3
FD73 C9
ID10 E7
ID11 E15
ID77 F14
ID78 F13
ID80 E1
ID81 F1
ID82 F5
*
-17V4
*
ID22 F12
ID23 F4
ID24 F8
ID25 F1
ID28 G4
ID29 G12
ID30 C7
ID31 B8
*
*
*
7D26-2 B10
7D30 E6
7D31 E14
ID42 G3
ID43 G10
ID44 G2
ID45 G13
ID46 H3
ID47 H11
ID48 B6
ID50 B5
ID51 B4
18V2
-18V2
*
*
*
7D12-2 C4
7D14 F4
7D15 E5
7D16-1 F5
7D16-2 F4
7D17 G4
7D18-1 E5
7D18-2 G5
7D19 F11
7D20 E12
ID12 E11
ID13 E4
ID14 F5
ID15 F12
ID16 F6
ID17 F13
ID18 B5
ID20 F2
ID21 F11
*
*
*
*
*
*
*
3D89 B4
3D90 E9
3D91 E9
5D10 E7
5D11 E15
5D12 F6
5D13 F14
5D14 G7
5D15 G15
5D16 G2
9D03-1 F6
9D03-2 F6
9D03-3 G6
9D03-4 G6
9D04-1 F13
9D04-2 F13
9D04-3 F13
9D04-4 G13
9D48 E2
*
*
*
*
AUDIO: AMPLIFIER
*
7D11-2 C5
7D12-1 D4
*
3D68 G3
3D69 G10
3D70 G11
3D71 H3
3D72 H11
3D73 H3
3D74 H11
3D75 B9
7D21-1 F12
7D21-2 F12
7D22 G12
7D23-1 E13
7D23-2 G12
7D24 E2
7D25-1 C8
7D25-2 B9
7D26-1 C9
*
*
*
*
3D86 C10
3D87 C10
3D88 C10
3D40-4 E13
3D42 C3
3D43 E1
3D44 F5
3D45 F12
3D46 F6
3D47 F13
3D49 E1
3D50 F1
3D51 F9
5D18 F6
5D19 F14
6D10 B4
6D11 C4
7D10-1 B3
7D10-2 F3
7D10-3 F10
7D10-4 B4
7D11-1 B6
*
*
*
3D01 B5
3D10 A3
3D12 A4
3D13 B2
3D14 B2
3D15 B5
3D16 B6
3D17 B2
3D18 B2
3D19 C5
3D76 G5
3D77 E6
3D78 E12
3D79 G12
3D81 G4
3D82 C7
3D83 C7
3D84 B8
3D85 B8
*
0V
3D37 E11
3D38 E11
3D39-1 F4
3D39-2 E4
3D39-3 G3
3D39-4 E5
3D40-1 F11
3D40-2 G11
3D40-3 E11
2D51 C8
2D52 E6
2D53 F7
2D54 F14
2D55 F2
2D56 F6
2D57 F14
2D58 G14
2D59 G6
2D60 H9
3D54 F1
3D56 G2
3D57 G9
3D58 G11
3D60 F6
3D61 F13
3D64 G4
3D65 G11
3D67 G3
*
*
*
-18V4
*
*
2D71 G1
2D72 F10
2D73 G3
2D74 G10
*
*
*
3D20 C6
3D21 C3
3D22 C6
3D23 D4
3D24 C4
3D25 C3
3D26 D4
3D34 E3
3D35 E4
18V2
*
*
*
-16V9
-17V4
2D49 H10
2D50 H102D18 E15
2D19 F2
2D20 F7
2D21 G14
2D22 H14
2D23 E14
2D26 F2
2D27 F9
2D28 H7
2D30 F3
2D61 H9
2D62 H9
2D63 C6
2D64 E9
2D65 F9
2D66 F9
2D67 H2
2D68 H10
2D70 C4
-18V2
*
*
13 14 15
1234567
*
2D42 H7
2D43 H14
2D44 H15
2D45 H3
2D46 H10
2D47 H2
2D48 H3
*
*
*
*
-17V4
*
1
2D31 F11
2D32 F6
2D35 G2
2D36 G10
2D37 G6
2D38 H2
2D39 F13
2D40 G13
2D41 H7
*
*
*
*
11 12
F
G
H
A
B
C
D
E
F
G
8 9 10 11 12 13 14 15
A
*
*
*
*
1DM1 H8
2D01 B4
2D02 B5
2D03 C5
2D11 B2
2D14 E7
2D15 E7
2D17 E15
*
2345678910
*
*
B
C
D
E
ID36
H
VN
4p7
2D71
220R
5D19
ID52
-12_20V
cD05
-12_20V
ID23
EMC HOLE
1DM1
GND-D
ID24
3D58
680R
3D35
1K2
LM339P
7
6
1
3
12
16V 100u
7D10-4
2D44
GND-DR
ID76
22K
27
GND-D
FD54
3D39-2
560R
3D73
3D83
47K
ID70
GND-D
9D03-3
3
6
1n5
2D36
22K
3D78
2D67
100n
22K
18
3D40-1
10R
3D43
ID83
ID14
ID78
GND-DL
2D42
100u16V
ID31
GND-DR
15K
3D57
VN
2K2
3D90
2p2
2D64
ID66
100p
2D03
-12_20V
GND-DR
3D12
5K6
330R
ID43
ID35
3D44
100n
2D62
ID13
ID80
2K2
3D23
ID72
ID71
FD73
3K9
+12_20V
3D69
3D39-4
45
FD27
GND-DL
22K
cD04
100n
2D68
9D04-2
27
VP
9D48
7D24
BC817-25W
2D46
1u0
ID56
100n
2D43
ID92
ID91
1n5
560R
3D74
2D49
BC847BW
47K
7D14
GND-DR
3D18
2D22
100u25V
2D66
2p2
2D65
2p2
RES
3D15
47K
SI4532ADY
78
2
1
GND-DL
2D18
7D23-2
100u 16V
3D46
6R8
10K
3D71
2D63
10n
ID30
BC857BW
7D30
ID17
2K2
3D25
2u2
2D01
+3V3-STANDBY
FD49
100n
2D14
47K
3D42
ID62
5
3
4
7D16-2
BC847BPN
0R1
3D60
GND-DL
ID77
GND-DL
GND-D
7D22
BC817-25W
220R
5D14
+12_20V
9D04-1
18
3D81
+12_20V
ID21
680R
2D21
220n
2D20
220n
GND-DR
47K
3D54
2D59
2n2
15K
3D49
100n
2D19
ID47
GND-DR
ID53
GND-D
220K
3D17
220K
ID20
3D14
GND-DL
6
1
25V
100u
2D28
BC847BPN
7D25-1
2
2K7
3D13
3D16
2K2
2
6
1
+3V3-STANDBY
BC847BW
BC847BS
7D11-1
2
7
7D19
4
GND-DL
9D03-2
BC847BPN
7D25-2
5
3
3D01
220K
BZX384-C18
6D11
8
ID50
9D03-1
1
3D61
0R1
GND-DL
ID93
2D17
GND-DL
ID42
100n
BC847BPN
2
6
1
ID29
7D16-1
7D23-1
SI4532ADY
+12_20V
GND-DR
ID46
2D47
1n5
ID81
3K3
3D34
BC847BPN
7D26-1
2
6
1
ID38
GND-DR
2D58
2n2
27
ID55
3D40-2
22K
ID67
GND-D
5
3
4
-12_20V
BC847BS
7D12-2
+12_20V
100K
3D86
22K
3D40-3
36
ID12
3D79
22K
47K
3D84
BC847BPN
7D21-1
2
6
1
2D35
1n5
3D40-4
22K
45
ID11
3D22
10K
VP
3D75
47K
ID65
1K2
3D65
2D57
2n2
ID74
VN
18
ID18
5
4
2
3
12
22K
3D39-1
7D10-3
LM339P
3D56
15K
VP
3K3
3D37
7
8
2
1
45
SI4532ADY
7D18-2
2D51
1n0
9D04-4
ID87
ID86
33K
3D91
2K2
3D26
2D26
100K
3D68
1u0
2D40
1n5
220R
ID64
5D18
2D31
22n
1n5
2D39
2u2
2D11
VP
4p7
3D72
10K
3D70
2D72
100K
2D55
1n5
3D76
22K
BC807-25W
7D20
GND-DR
GND-DR
-12_20V
GND-D
ID41
3D45
330R
1u0
3D88
2D45
33K
2D61
100n
ID28
100n
2D60
9D04-3
36
2D37
1n5
3
ID51
SI4532ADY
7D18-1
5
6
4
3D38
1K2
22K
3D89
ID60
2n2
2D56
7D31
BC857BW
2D38
100n
2u2
ID33
2D02
3D21
2K7
3D64
1K2
220R
5D10
ID32
5D13
33u
BC807-25W
7D15
2
6
1
-12_20V
5
3
4
BC847BS
7D12-1
BC847BPN
7D26-2
cD01
ID10
1n0
2D70
7D17
BC817-25W
ID37
VN
220R
5D16
3D85
47K
1u0
2D27
ID40
3D51
10K
47K
220R
5D11
RES
3D19
BAS316
ID63
6D10
33u
5D12
47K
3D82
ID82
2D54
470n
+3V3-STANDBY
10K
3D50
ID61
ID16
10K
3D24
+12_20V
22n
2D30
4
5
ID44
9D03-4
2D50
-12_20V
1n5
3D20
22K
1n5
GND-DL
ID39
2D48
6R8
GND-DR
3D47
6
GND-DL
22p
2D73
22K
3D39-3
3
ID57
3D87
47K
100u
2D15
16V
ID75
LM339P
11
10
13
3
12
7D10-2
ID22
22K
3D77
3D10
47K
ID15
3K9
-12_20V
5
3
4
3D67
ID34
BC847BPN
7D21-2
2D52
100u 25V
9
8
14
3
12
25V100u
2D23
7D10-1
LM339P
2D41
100n
ID48
2D53
470n
220R
5D15
ID45
2D32
1n5
2D74
22p
FD26
+12_20V
3
4
ID25
7D11-2
BC847BS
5
PROT-AUDIOSUPPLY
SOUND-ENABLE
GND-D
CPROT
FEEDBACK
FEEDBACK
FEEDBACK-RL
FEEDBACK-LR
FEEDBACK-RL
FEEDBACK
INV-MUTE
LEFT-SPEAKER
RIGHT-SPEAKER
U-VOLT-DETECT
INV-MUTE
MUTE
U-VOLT-DETECT
FEEDBACK-LR
CPROT
ADAC1
ADAC2
SOUND-ENABLE
U-VOLT-DETECT
CPROT
MUTE
MUTE
LEFT-SPEAKER
RIGHT-SPEAKER
B8A B8A
3104 313 6097.5
G_15940_028.eps
220506
100uF/16V
100uF/16V
------------
7D24
100uF/16V
2D55
2D54
10K
47K
2D56
BZX384-C27
POS
------------
------------
2D53
2D23
------------
100uF/25V
100uF/16V
10K
2D58
1K0
BC817-25W
2n2
3K9
100uF/25V
100uF/25V
100nF/25V
3D65
2n2
3D50
3D64
7D23
2D57
------------
1K2
2K2 1K0
3D51
2x15W (8 ohm )
------------
1n5
------------
2D48
------------
7D18
1K2
3D90
2n2
protection
** =
overcurrent
JMP
100nF/16V
------------
2D26
SI4559
1K2
2D44
SI4532
SI4559
1K2
------------
100uF/25V
3D35
------------
SI4532
2D27
2D22
2D18
1K0
100nF/25V
2D15
------------
9D48
5D18
5D13
------------
470nF/25V
BEAD 0805 220 E 100MHz
------------
DIVERSITY LIST
2D52
33uH
------------
------------
3K9
15K
3D54
2D28
3D25
2x8W (8 ohm)
1K0
------------
2D59
1n5
2n2
470nF/25V
3D38
1K2
BEAD 0805 220 E 100MHz
------------
5D12
3D49
------------
33uH
------------
2n2
1K0
BZX384-C18
2D50 2n2
------------
------------
1n5
------------
6D11
5D19
3D91
100nF/16V
------------
2D42

Table of Contents

Related product manuals