EasyManua.ls Logo

Philips LC4.1E A - Circuit Diagrams and PWB Layouts; SSB: Tuner + VIF

Philips LC4.1E A
64 pages
Print Icon
To Next Page IconTo Next Page
To Next Page IconTo Next Page
To Previous Page IconTo Previous Page
To Previous Page IconTo Previous Page
Loading...
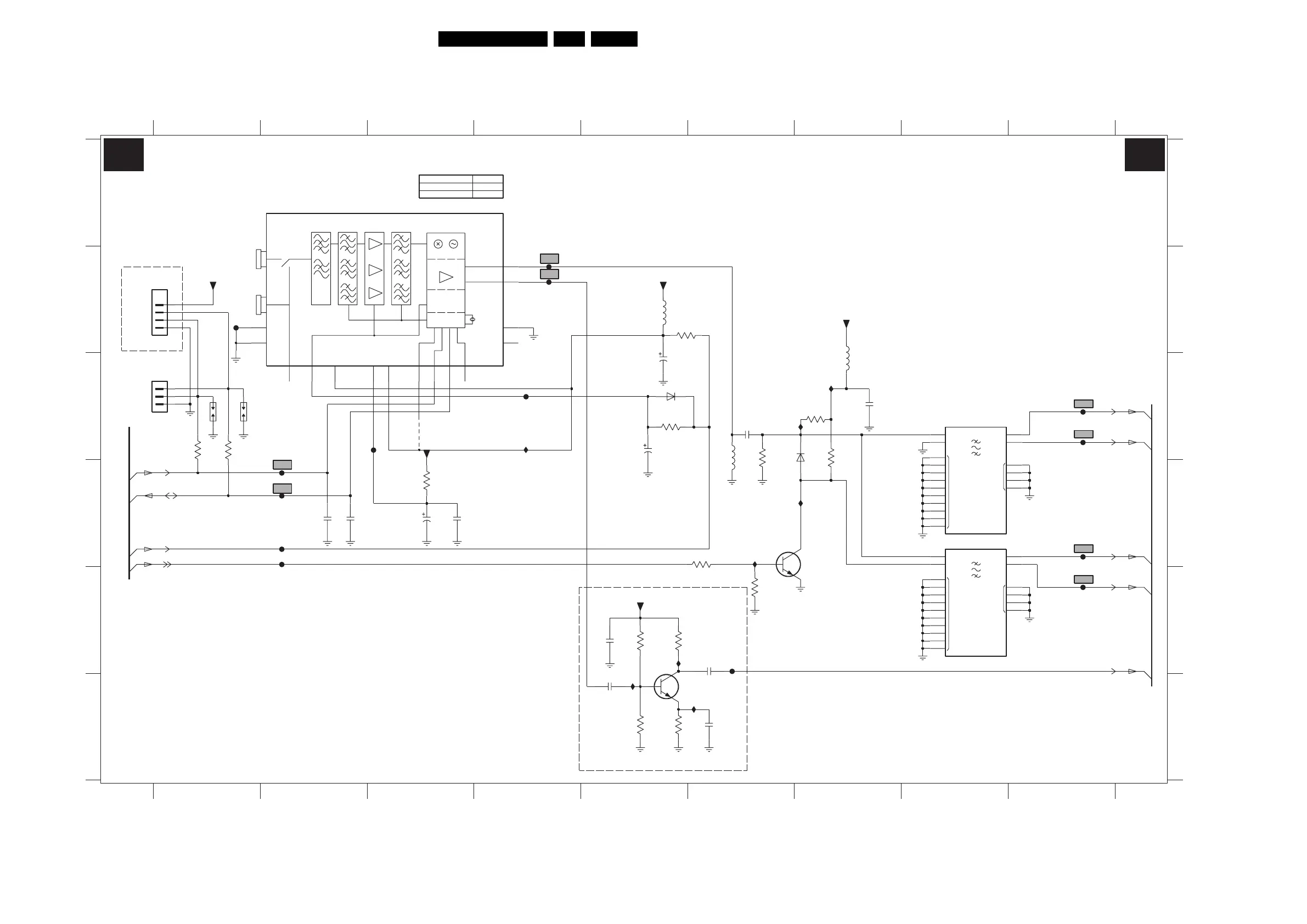
Circuit Diagrams and PWB Layouts
25LC4.1E AB 7.
7. Circuit Diagrams and PWB Layouts
SSB: Tuner + VIF
NC
ISWI
I
O2
GND
O1
PLL
AGC
DET
IF AMP
MIX-OSC
PRE-FIL
TRACK
FILTER
GAIN
CTRL
PRE-AMP
TRACK
FILTER
RF
MT
FM
MT
TV
RF
NC
ISWI
I
O2
GND
O1
TUNER + IF
5V3
2V6
2V6
32V5
NC
B2
B2
B2
2V9
5V3
2V3
0V
0V
B2
B2
B2
B2
B2
OFWK3953L
B2
FOR SERVICE
I57
NC
CONNECTION
COMPAIR
ITV INTERFACE
1V2
0V5
0V6
3V5
0V
FOR FM RADIO ONLY
RES
RES RES
NC
123456789
123456789
A
B
C
D
E
F
A
B
C
D
E
F
1302 A2
1328 C8
1330 D8
1331 C1
1332 B1
2302 D2
2303 D2
2307 D3
2308 D3
2309 C5
2311 C5
2313 F5
2314 E5
2317 F6
2318 E6
2321 C6
2324 C7
3302 C1
3303 C1
3309 B5
3311 C5
3314 E5
3315 F5
3316 E6
3317 F6
3319 D5
3320 E6
3321 C6
3322 C7
3323 C7
3327 D3
4339 C3
5309 B5
5321 C6
5324 B7
6310 C5
6323 D7
7316 F5
7320 D6
F301 B1
F302 D2
F303 D2
F305 B4
F306 B4
F307 C3
F308 C4
F309 D2
F310 D2
F311 E6
F312 C9
F313 C9
F314 D9
F315 E9
I301 C4
I302 F5
I303 E5
I304 F6
I306 C7
I307 C6
I308 D6
I310 D6
S301 C1
S302 C1
F315
2302
22p
+5VSW
2303
22p
F314
F312
F313
+3V3STBY
2307
47n
1
2
3
4
56
I310
BM04B-SRSS-TBT
1332
I308
I306
I307
I304
I302
I303
F311
S302
2
3
S301
1331
S3B-PH-K
1
F310
BFS20
+5VSW
7316
2314
100n
2313
1n0
2318
1n0
2317
1n0
3316
820R
3317
560R
3315
150K
100K
8
3314
13
14
15
2
3
11
12
16
17
7
1
18
4
5
6
9
10
1328
15
2
3
11
12
16
17
7
8
1
18
4
5
6
9
10
13
14
4339
40M4
OFWK9656L
1330
2
VCC
7
VT
9
3327
1K0
IFOUT 11
12
13 14
15
NC
6
SCL
4
5 SDA
TU|FM
1302
UR1316/A I H-3
ADC8
AGC1
AS3
FM_IFOUT 10
+VTUN
5324
6u8
390n
5321
10n
2324
10n
2321
27K
3319
3320
18K
2K2
3321
BC847BW
7320
6323
1SS356
3322
6K8
3323
2K2
3309
10K
12u
5309
I301
2308
2u2 50V
6.3V22u
2311
6.3V330u
+5VSW
2309
BAS316
6310
100R
3303
3302
100R
F302
F309
F303
F307
F301
F305
F306
F308
3311
10K
SEL_IF
SSIF
VIF1
VIF2
SIF1
SIF2
SDA
IF_TER
RF_AGC
SCL
B1 B1
With FM
Without FM
*
1302
UR1316
UV1318
3139 123 6019.1
F_15310_007.eps
240605

Related product manuals