EasyManua.ls Logo

Philips LC4.1E A - SSB: Audio Amplifier + Processing

Philips LC4.1E A
64 pages
Print Icon
To Next Page IconTo Next Page
To Next Page IconTo Next Page
To Previous Page IconTo Previous Page
To Previous Page IconTo Previous Page
Loading...
28LC4.1E AB 7.
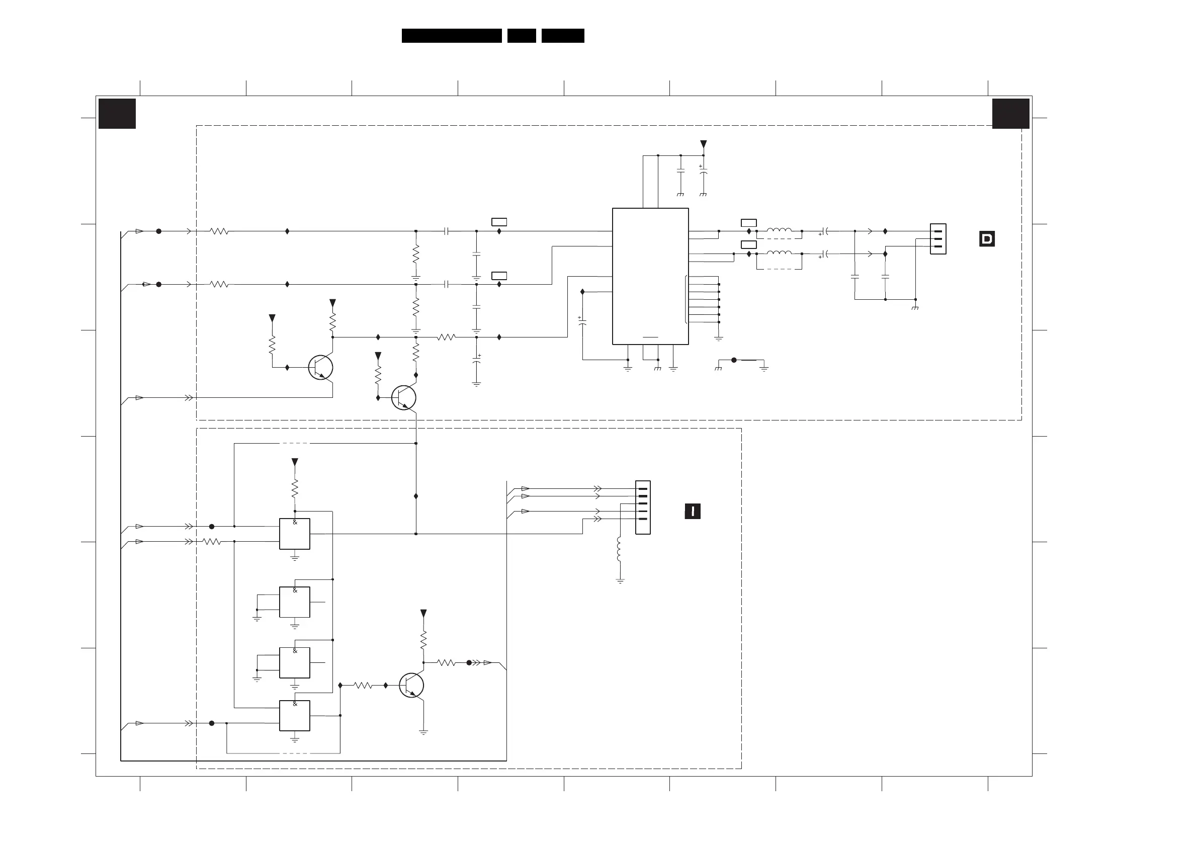
Circuit Diagrams and PWB Layouts
SSB: Audio Amplifier + Processing
PGND
HS
OUT2B
OUT2A
OUT1B
OUT1A
SGND 1 2
NC
VP1 VP2
SVRR
MODE
IN2-
IN1+
AUDIO AMPLIFIER + PROCESSING
B2
B2,B5,B7
B2
B2
B2
*EMC
*EMC
11V1
B2
B2
TO 1706 OF AUD AMP 2X5W
*
B2
B2
B2
AUDIO AMP 2 X 2W
L
R
TO 1110 OF SIDE I/O
4X AND GATES
*
GND
EMC EMC
3V3
3V3
3V3
11V2
11V2
3V3
3V3
3V3
3V3
3V3
3V3
0V7
0V
3V2
3V2
3V3
3V7
3V7
RES
RES
Audio Amplifier
Audio Processing
2V1
2V1
10V8
5V3
5V3
5V3
12345678
12345678
A
B
C
D
E
F
A
B
C
D
E
F
1701 A8
1751 D5
2703 C4
2712 B3
2714 A6
2718 B3
2719 A5
2724 B5
2736 A7
2737 B7
2738 B7
2739 B7
2741 B4
2742 B4
3706 B3
3717 B2
3719 C2
3722 C3
3725 C3
3726 B3
3727 B3
3744 B1
3745 B1
3751 D2
3752 D1
3753 E3
3754 F3
3755 F3
4736 B7
4737 B7
4751 D2
4752 F2
5736 A7
5737 B7
5751 E5
7702 C2
7703 C3
7712 A5
7751-1 D2
7751-2 E2
7751-3 E2
7751-4 F2
7752 F3
F707 B1
F708 B1
F710 C6
F751 D1
F752 F4
F753 F1
I701 B2
I705 C3
I706 A4
I707 B4
I708 B4
I709 B5
I710 A6
I711 B6
I714 B3
I715 C3
I719 A2
I720 C2
I721 A8
I722 B8
I751 D3
I752 F2
I753 F3
AUDOUTLSR
AUDOUTLSL
STANDBY
AUDOUTLSL
AUDOUTLSR
10K
3706
470R
4737
3755
4736
5737
2u2
5736
2u2
100R
3752
100R
3751
2739
1n0
5751
+5VSW
P_GND
1n0
2738
I720
I722
I719 I721
F710
3745
8K2
3744
8K2
I752 I753
I751
I714
I715
3
I705
1701
1
2
3
4
5
67
1751
1
2
I711
I710
I708
I709
I707I701
I706
F752
F707
F708
4751
4752
F753
F751
2737
470u 16V
16V470u
2736
2724
100u 10V
470p
2742
2741
470p
P_GND
9
12
13
10 114
5
15 16
18
17 1
2
6
7
14
19
20
8
POWER
AMPLIFIER
Φ
TDA1517ATW
7712
21
3
AUD_SUP
P_GND
P_GND
100n
2719
1u0
2718
3727
3K9
3K9
3726
470u 16V
P_GND
2714
2712
1u0
3753
470R
3754
1K0
BC847BW
7752
+3V3STBY
14
11
74LVC08AD
7751-4
12
13
7
74LVC08AD
9
10
714
8
5
714
6
7751-3
3
7751-2
74LVC08AD
4
74LVC08AD
7751-1
1
2
714
AUD_SUP
+3V3STBY
+3V3STBY
3725
10K
10K
3719
BC847BW
7702
7703
BC847BW
3722
8K2
3717
10K
16V
10u
2703
OUT1
OUT2
MUTE
STANDBY
SOUND_ENABLE
POWER_DOWN
EXT_MUTE
OUT_MUTE
B4 B4
3139 123 6019.1
F_15310_010.eps
300605

Related product manuals