EasyManua.ls Logo

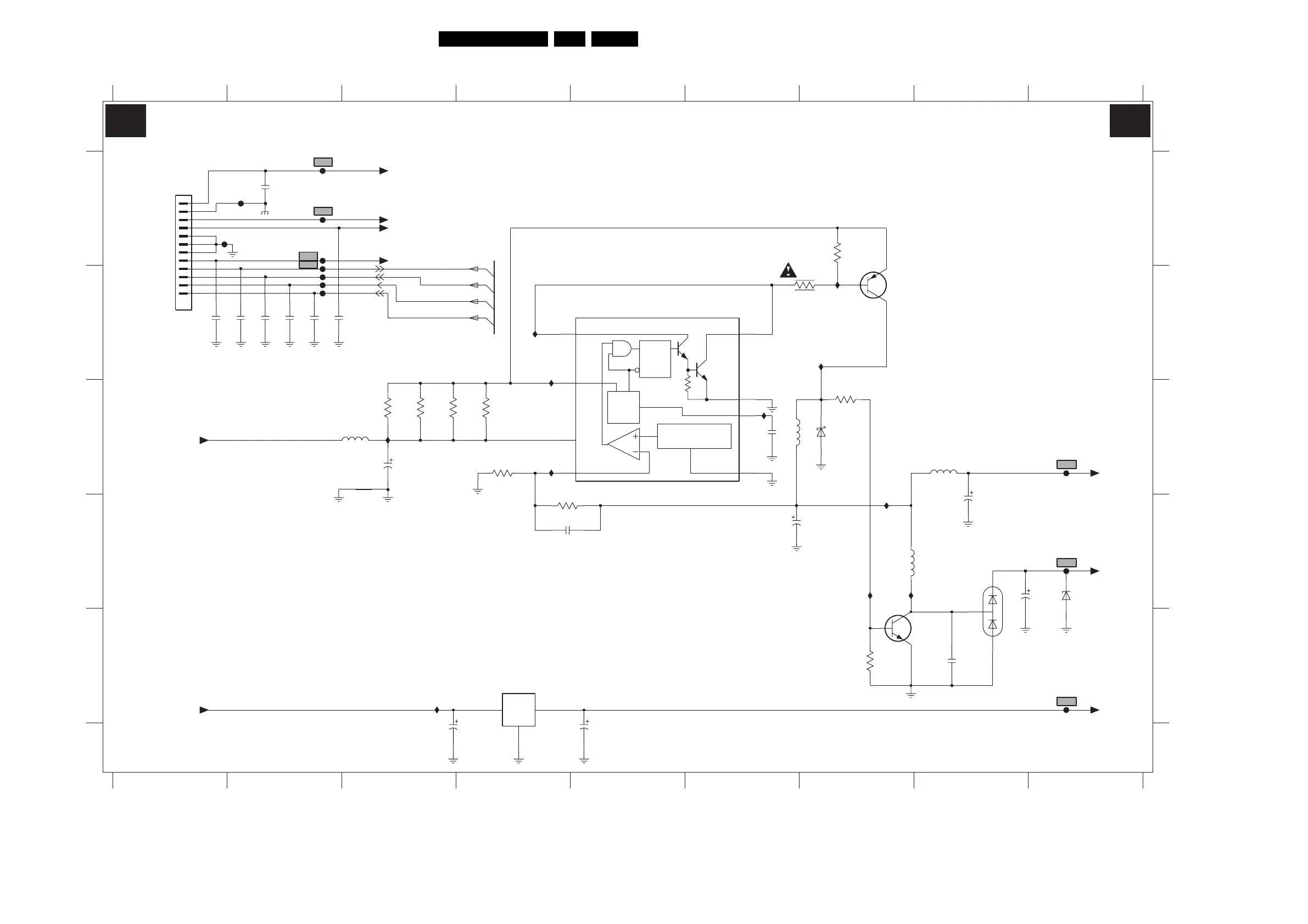
Philips LC4.1E A - SSB: TV Supply

Philips LC4.1E A
64 pages
Print Icon
To Next Page IconTo Next Page
To Next Page IconTo Next Page
To Previous Page IconTo Previous Page
To Previous Page IconTo Previous Page
Loading...
Circuit Diagrams and PWB Layouts
29LC4.1E AB 7.
SSB: TV Supply
COM
OUTIN
1%
1%
14V4
14V4
1V2
0V7
9V7
TV-SUPPLY
FROM PSU
B2,B4,B7
B2
B7
B7
*EMC
*EMC *EMC
*EMC *EMC
*EMC
*EMC
(3V3) 3V3
(3V3) 3V3
(0V9) 14V5
(0V) 3V3
(0V3) 3V2
(3V3) 3V3
(0V) 3V3
9V7
14V
14V4
0V5
0V3
5V3
5V4
33V5
7V9
14V3
RES
123456789
123456789
A
B
C
D
E
A
B
C
D
E
1910 A1
2910 E8
2911 D9
2920 E3
2921 E4
2930 C3
2931 C6
2933 D7
2934 D4
2936 A2
2937 B2
2938 B2
2939 B2
2940 B2
2941 B2
2942 B3
2943 C8
3910 C7
3911 E7
3930 C3
3931 C4
3932 C4
3933 D4
3934 C4
3935 C3
3936 A7
3937 B7
5910 D8
5930 C3
5931 C7
5932 C8
6910 D8
6911 D9
6930 C7
7910 E8
7920 E4
7930 B5
7936 B7
F903 A2
F904 A2
F905 A2
F906 A2
F907 B2
F908 B2
F909 B2
F910 B2
F911 D9
F912 E9
F913 C9
F914 A1
I901 B4
I902 C3
I904 B7
I905 C6
I906 D7
I907 D7
I908 E3
I909 D7
I910 B7
I911 B4
I912 C4
STANDBY
BACK_LIGHT_ADJ1
LAMP_ON_OFF
5930
10u
1R0
3935
1R0
39343931
1R0
3930
I911
I912
SUP_GND
I910
SUP_GND
SUP_GNDSUP_GND
7936
BC636
1K0
3936
150R
3937
I906
I908
I907
I905
I909
I904
I902
I901
F913
F912
F914
F911
F910
F904
F908
F909
F907
F905
F906
F903
P_GND
1n0
2942
1n0
2936
2941
1n01n0
29402939
1n01n0
29382937
1n0
+3V3STBY
+3V3STBY
+12VSW
3
4
5
6
7
8
9
13
14
AUD_SUP
1
10
11
12
2
1910
+12VSW
+8VSW_TV
L78M08CDT
7920
2
13
2921
16V 47u
+VTUN
16V 47u
2920
BC817-25
7910
BZX384-C33
6911
6910
BAV99
5910
1m0
35V 22u
2911
2910
470p
1K0
3911
3910
SUP_GND
+5VSW
2K2
5932
10u
+12VSW
10V470u
2943
16V470u
2930
16V
SUP_GND
2933
470u
4n7
2934
VCC
6
VCC
3933
3K3
CIN_NEG
5
DCOL
8
DCOL
GND
4
GND
IS
7
IS
SWC
1
SWC
SWE
2SWE
TIMC
3
TIMC
7930
MC34063AD
REGULATOR
REFERENCE
OSC
IPK
Q
R
S
220u
5931
3932
SUP_GND
SUP_GND
SUP_GND
1K0
SUP_GND
6930
SS14
2931
470p
POWER_DOWN
B5 B5
3139 123 6019.1
F_15310_011.eps
300605

Related product manuals