EasyManua.ls Logo

Philips MX5800SA - Page 64

Philips MX5800SA
129 pages
Print Icon
To Next Page IconTo Next Page
To Next Page IconTo Next Page
To Previous Page IconTo Previous Page
To Previous Page IconTo Previous Page
Loading...
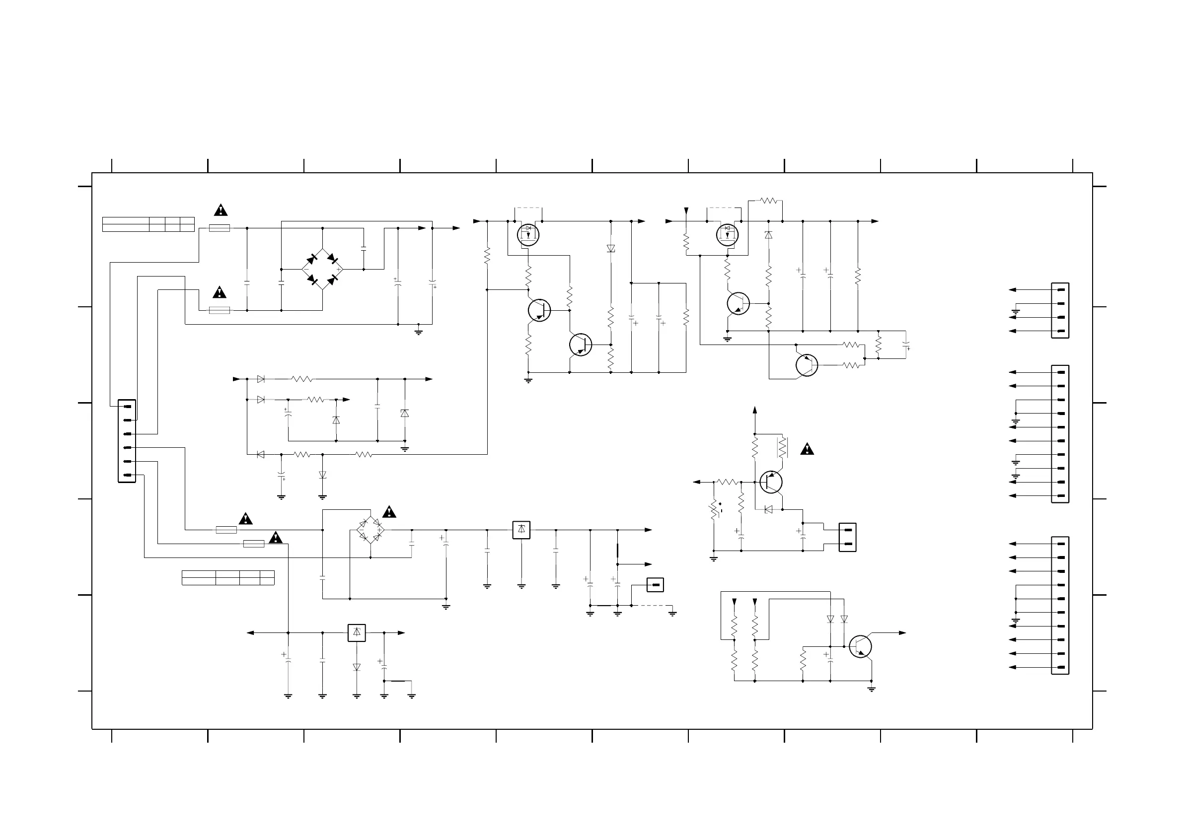
SUPPLY BOARD - CIRCUIT DIAGRAM (For pcb layout .... 34948)
8-10a
8-10a
t
10
12345678910
A
B
C
D
E
A
B
C
D
E
1100 D6
1200 A2
1203 A2
1204 D2
1205 D2
1258 D10
39V
30V
To Amplifier Board
L4941
0V
To AV Board
123456789
#
#
To AV Board
From Mains Transformer
-39V
-30V
-29.1V
29.1V
#
#
1259 D8
1263 A10
1264 B10
1270 B1
2200 C3
2201 C2
2202 E8
2203 A3
2204 A2
2205 A2
2206 A8
2207 B6
2208 D4
2209 D4
2211 D4
2212 D5
NOT INSERTED
6V
50V
1204 1205
1200
2213 D3
2215 E2
2217 E3
2218 E3
2219 D5
2220 D6
2222 A4
2223 A3
2224 D7
2225 D8
2226 B6
2227 A8
2228 C2
2229 B9
3200 B2
3201 A6
3202 A4
3203 A5
3204 A5
3205 A7
5.6V
13V
12V
3206 A7
3207 B7
3208 B6
3209 B5
3210 A8
3211 B6
3216 B6
3217 E7
3218 E7
3219 E7
3222 E7
3223 E8
3224 C7
3225 C8
3226 C7
3227 D7
3228 D7
3229 B3
3230 C2
3231 C3
IEC
T 4A
1203
3232 A7
3233 B8
3234 B8
3235 B9
6200 B2
6201 A7
6202 C2
6203 C4
6205 A6
6208 E8
6209 E8
6211 A3
6212 D3
6214 E3
6215 D7
6216 C3
6217 C2
6218 C3
7200 A5
-50V
7202 A7
7203 A7
7205 B5
7206 B5
7207 E8
7208 D5
7209 E3
7210 C7
7211 B8
9200 A7
9201 A5
9202 E6
OVERVOLTAGE
UL
5A
6A3
5A75W/100W/22/21
26V
IEC
IEC
250V
DETECTION
100W/37 6A3
PULLED UP IN AV BOARD
75W/100W
T 5Ai6000
USE NTC IN AMPLIFIER BOARD
250V
GND_D
1m0
2222
1203
T5A
GND_AMP
100u
2224
1
2
GND_D
2m2
2227
GND_AMP
-VCC
+VCC
GND_D
1N4003
6202
3219
8
9
6205
BZX79-B27
3226
470R
1100
EH-B
1264
1
10
1204
T5A
3203
10K
15K
3218
GND_D
2207
4m7
10K
# 3231
GBU8D
14
2
3
3217
6K8
6211
8239_210_93418_01...for 3494 pt8 dd wk0350
BAS316
6209
T5A
1200
2215
10m
GND_M
# 9201
100n
2205
2203
100n
1
2
3
4
5
6
VH
1270
BZX79-B27
6201
3224
220R
2223
1m0
47K
3210
100n
2213
BC847B
7207
BC857B
7206
10u
2218
1N4148
6200
680R
3206
2
3
4
5
6
7
8
9
3222
1K
3227
1K
2202
47u
4K7
3230
2228
10u
6217
1N4003
GND_AMP
6218
BZX79-C39
BUK7535-55A
7202
FE-BT-VK-N
1
2
3
4
2204
100n
6216
1263
3
OUT
GND_M
BZX79-C39
2217
100n
7209
GND
2
IN
1
GND_A
BAS316
6208
BUK7535-55A
7200
7210
BC327-25
GND_M
7208
L7812CP
GND
IN OUT
47n
2200
2208
330n
GND_M
# 3228
2322640
100n
2212
2201
10u
6203
BZX79-C8V2
2225
100u
# 9200
GND_M
2226
2m2
# 9202
EH-B
1259
3229
4K7
4
GND_D
3223
100K
GBU4K
6212
23
1
47K
3211
3208
680R
GND_D
3209
4K7
3216
330R
7205
BC857B
GND_AMP
3204
47K
GND_D
GND_D
GND_D
GND_A
GND_M
6215
BZX79-C4V7
1N4148
6214
EH-B
1258
1
10
2
3
4
5
6
7
47u
2220
GND_M
3207
330R
3225
8R2
2219
47u
2211
4m7
1205
T5A
3202
10K
50V
100K
# 3232
2229
4u7
3235
100K
3233
1K2
3234
10K
GND_AMP
BC857CW
7211
3201
2K7
10K
3205
2206
4m7
7203
BC847B
4K7
3200
2209
100n
GND_D
GND_M
1K
NTC1
+12V_M
-VH
+VH
+C
+C
NTC1
PW_DN
+Vref
+VH
40VAC
-VH
+5V6
+VCC
+VCC
+VCC
-VCC
-VCC
-VCC
+12V_M
PW_DN
+5V6
+5V6
+12V_A
+12V_M
+12V_A
40VAC
NTC
+C
+Vref
+12V_M
+5V6
NTC
SUPPLY
Note : Some values may varies, see respective parts list for correct value.
# Provision only

Other manuals for Philips MX5800SA

Related product manuals