EasyManua.ls Logo

PIAGGIO Carnaby 200 - KEY

PIAGGIO Carnaby 200
310 pages
Print Icon
To Next Page IconTo Next Page
To Next Page IconTo Next Page
To Previous Page IconTo Previous Page
To Previous Page IconTo Previous Page
Loading...
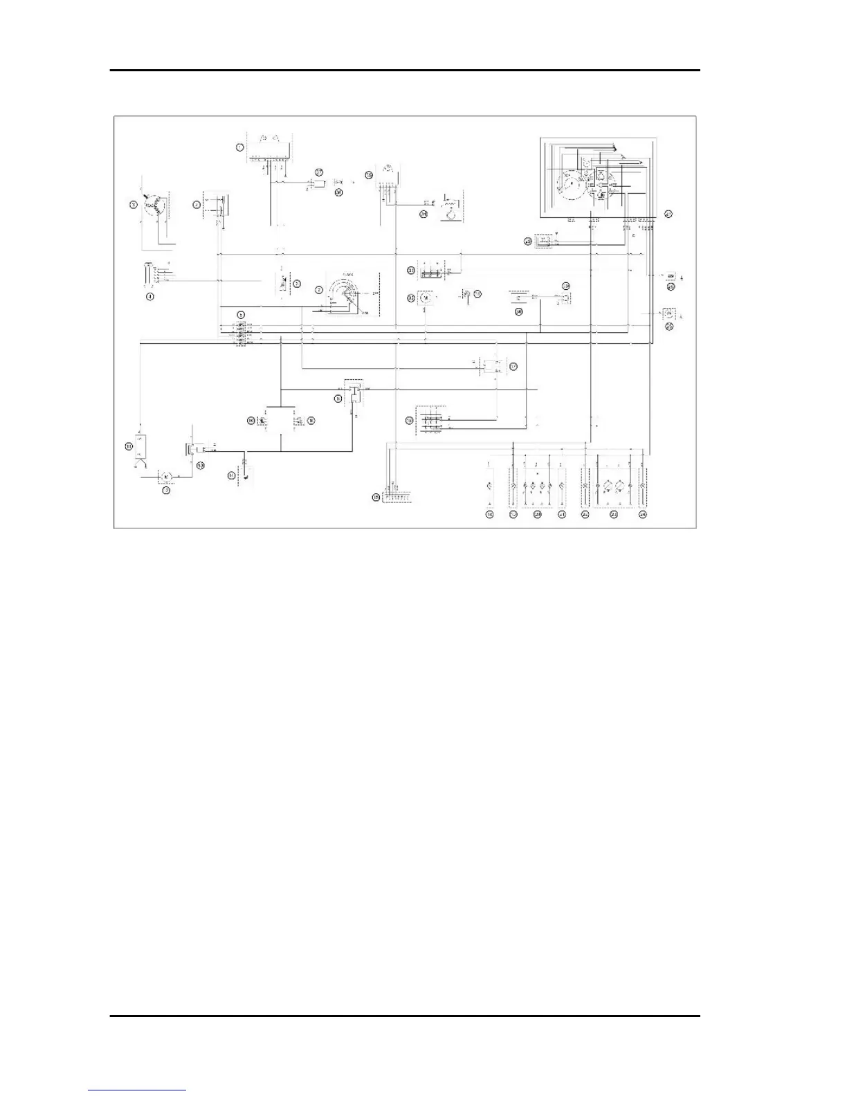
KEY
1. Electronic ignition device
2. Engine stop switch
3. Magneto flywheel - Pick-up
4. Voltage regulator
5. Fuse unit
6. Automatic starter
7. Key switch
8. Stop light remote control
9. Stop button on front brake
10. Stop button on rear brake
11. Battery
12. Starter motor
13. Start-up remote control
14. Starter button
15. Wiring for antitheft device
16. Light switch
17. Headlight remote control
18. Licence plate lamp
19. Rear left turn indicator light
Electrical system Carnaby 125 - 200
ELE SYS - 64

Table of Contents

Related product manuals