EasyManua.ls Logo

Pilous ARG 200 plus - Page 30

Pilous ARG 200 plus
58 pages
Print Icon
To Next Page IconTo Next Page
To Next Page IconTo Next Page
To Previous Page IconTo Previous Page
To Previous Page IconTo Previous Page
Loading...
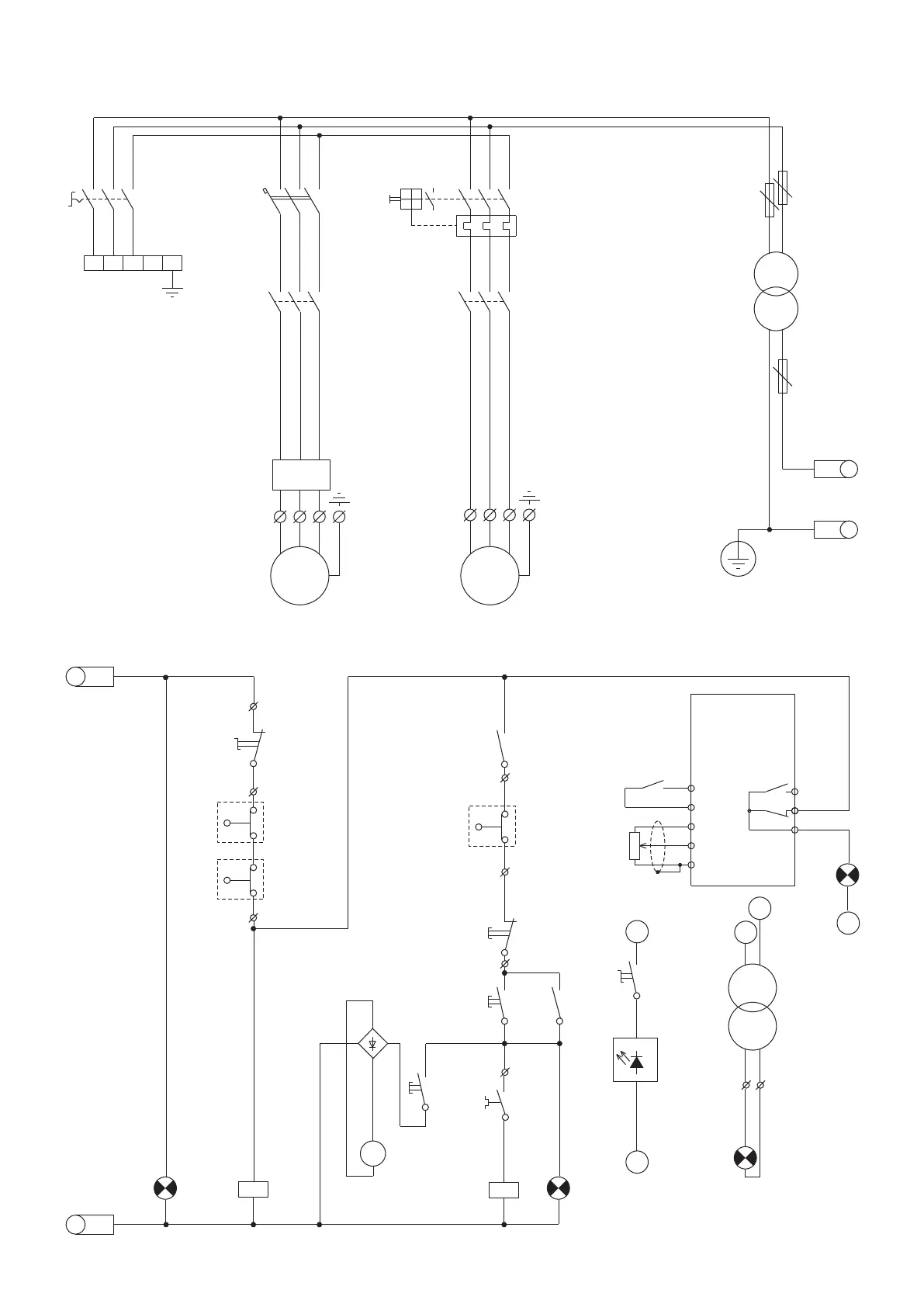
10.2. ARG 235 plus F, ARG 260 F, ARG 300 F, ARG 300 plus F, ARG 260 plus F, ARG 330 F, ARG 330 plus F
wiring diagram
L1 L2 L3 N PE
CYSY 5Cx1,5
FQ2
M2
3~
272625 PE
PE
TR1
A1
2 B
0V
24V AC
FU3
1,5A
KM1 KM2
33
34
X1:
3~
M1
*PF1
19X1: 2120 PE
L1/R L3/TL2/S
U/T1 W/T3V/T2
1L1 3L2 5L3
2T1 6T34T2
1L1 5L33L2
2T1 6T34T2
1L1 5L33L2
1L1 5L33L2
2T1 4T2 6T3
2T1 4T2 6T3
0,5A
FU1
0,5A
FU2
FQ1
10A
4
3 5
62
1
13 14 15
16 17 18
7 98
10 1211 10 1211
19 20 21
25 26 27
22 2423
28 29
51
5250
QM1QM1
Cooling
40VA
400V
24V AC
Blade
v 5.0 7.10.2014
1A
24V AC
BP1
X1:54
X1:53
SB2
SB3
B 2
0V
KM2
KM1
SB1
14
13
A1
A2
FQ2
34
33
13
14
13
KM1
14
22
21
X1:55
BP3
X1:56
KM2
A1
KM2
P1
5453
COM
AI1
24V
+10
LI1
50
52
53
54
54
55
56
57
58
59
61
62
63
64
65
X1:52
X1:57
X1:58
*H1 H2
*BP2
13
14
53a
EV1
SB4
69
68
67
LA1
X1:70
TR2
X1:71
7170
10
N
50
53
R1C
R1B
R1A
H3
50
66
* component fittings may vary with the type of the saw
SB5
72
TOTAL STOP
Conve
STOP
START
Cover
Blade
Lower limit
24V
Blade
Oil mist (accessories)
230V
20VA
11,5V AC
Laser (accessories) Lighting (accessories)
*PF1
ATV312
L1
L2 black
L3 gray
N blue
PE yellow-green
brown

Table of Contents

Related product manuals