EasyManua.ls Logo

Piper 6XT - COOLING

Piper 6XT
1190 pages
Print Icon
To Next Page IconTo Next Page
To Next Page IconTo Next Page
To Previous Page IconTo Previous Page
To Previous Page IconTo Previous Page
Loading...
THE NEW PIPER AIRCRAFT, INC.
PA-32-301FT / 301XTC
MAINTENANCE MANUAL
PAGE 1
Feb 19/04
5I1
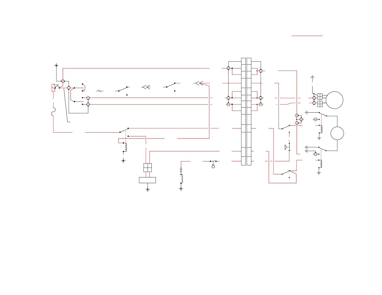
91-21-50
SHOWN WITH FAN SWITCH OFF, AIR COND SWITCH IN ON
POSITION, THROTTLE NOT WIDE OPEN, PRESSURE SWITCH
BELOW MAX PRESSURE, THERMOSTAT CALLING FOR COOLING
AND CONDENSER DOOR CLOSED.
F1
5A
AC5A20
10A
CB
AC1A14
NC
8
COMPRESSOR
CLUTCH
ANNUNCIATOR
AIR COND.
DOOR
9
P3J
S7
C
NO
S6
THERMOSTAT
AC4D16
S3
THROTTLE
SWITCH
AC3A18
AC5B20
K3
LOGIC
RELAY
5
AC2D20N
2
1
3
4
5A
4
6
5
HI
AC2A18
3
1
2
F2
LO
2
OFF
AC2B18
1
ON
3
AC3C20
9
8
P3A
AC7A20
C
AC15-20
NO
AC17-20
NC
FAN
SWITCH
AC6B20
AC5D20
AC4B16
4
NC
S5
PRESSURE
SWITCH
C
NO
AC4A16
4
AC21A20
5
AC1D14
2
1
3
5
AC20A18
OPEN
LIMIT
SW
AC10B14
AC8B14
AC3D16
AC1E14
3
HIGH
LOW
2
1
1
1
2
1
1
2
22
AC26A14N
AC4C16
AC6A20
AC5C20
88
66
44
AC8A14
AC10A14
AC3B16
1111
5
99
5
33
22
P35/R35
AC1C14
AC1B14
1
7
1
7
1010
DOOR
MOTOR
FAN
MOTOR
105232 24.0 NEW / G
101849 23.0 NEW
K1
DOOR
OPEN
K2
DOOR
CLOSE
CLOSE
LIMIT
SW
Air Conditioning (Optional)
Figure 1

Table of Contents

Related product manuals