EasyManua.ls Logo

Piper 6XT - Page 224

Piper 6XT
1190 pages
Print Icon
To Next Page IconTo Next Page
To Next Page IconTo Next Page
To Previous Page IconTo Previous Page
To Previous Page IconTo Previous Page
Loading...
THE NEW PIPER AIRCRAFT, INC.
PA-32-301FT / 301XTC
MAINTENANCE MANUAL
PAGE 2
Feb 19/04
1K8
APPENDIX 1
(BLK)
(WHT)
(WHT)
(ENC. ALT.)
ANNUNCIATOR
ANNUNCIATOR
TURN
COORDINATOR
(RED)
(BLK)
(WHT)
(RED)
(WHT)
(OPTIONAL)
ALTITUDE
SELECTOR / ALERTER
ALT. SEL.
(BLK)
P1
PROG/COMP
(12 PIN)
MOLEX
F/D 2
A/C GND
TURN COORDINATOR
ANNUN
TO A/P DISC
TO AIRFRAME GND
TO T&B C/B
(5 AMP MAX.)
TO AVIONICS BUSS
TO JB1-E
(BLK)
TO A/C GND
TO JB3 & JB4
TO A/C GND
CONTROL WHEEL CONN)
TO A/P DISC (PIN 11 OF
TO JB7-F
NAV/HDG
(BLK)
TO A/C GND
COMPUTER
PROGRAMMER/
HORN
P2
(WHT)
TO A/C GND
(WHT)
(WHT)
TO JB1-J
SWITCH
MASTER
TO DIMMER LIGHT RHEOSTAT
MONITOR
TRIM
(WHT)
TRIM
PILOT'S CONTROL WHEEL
OPTION-F/D A/S
TO JB1-N
(6 PIN
MOLEX)
T3
(4 PIN MOLEX)
A/S 1
(6 PIN MOLEX)
F/D 1
(3 PIN MOLEX)
(3 PIN MOLEX)
PROG/COMP
TRIM MONITOR
(RED)
TRIM MASTER SW
TO A/C GND
(BLK)
A/P A+ (RED)
(BLK)
TO
A/C GND
(RED) TRIM CB
TRIM
2 AMP C/B
A/C BUSS
39328-3
39236-8
T1
T2
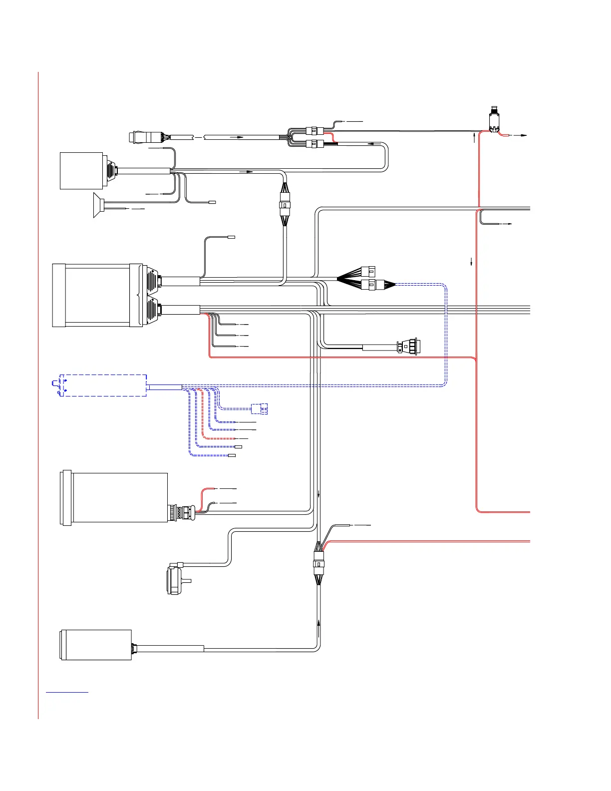
SEE SHEET 3 FOR EXCEPTIONS WHEN
AVIDYNE ENTEGRA OPTION IS INSTALLED.
A
B
C
TRANSDUCER
TRANSDUCER
PRESSURE
(WHT)
TO JB8-H
System 55X Autopilot Installation
Figure 1 (Sheet 1 of 3)
Effectivity
3232003 & up
3255001 & up

Table of Contents

Related product manuals