EasyManua.ls Logo

Piper 6XT - Page 307

Piper 6XT
1190 pages
Print Icon
To Next Page IconTo Next Page
To Next Page IconTo Next Page
To Previous Page IconTo Previous Page
To Previous Page IconTo Previous Page
Loading...
THE NEW PIPER AIRCRAFT, INC.
PA-32-301FT / 301XTC
MAINTENANCE MANUAL
PAGE 21
Jun 1/03
2D9
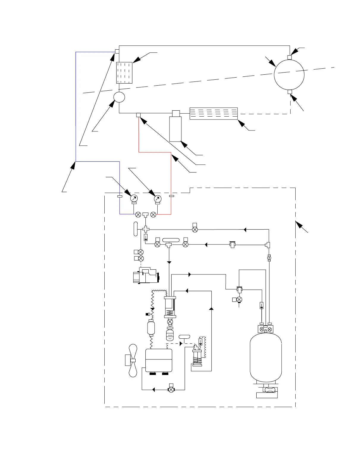
21-50-00
EVAPORATOR COIL
INLET
COMPRESSOR
SYSTEM LOW SIDE
SYSTEM HIGH SIDE
OUTLET
CONDENSER
RECEIVER - DRYER - SIGHT GLASS
EXPANSION
VALVE
LOW SIDE
SERVICE PORT
GAUGE 2
GAUGE 1
HIGH SIDE SERVICE PORT
RED HIGH PRESSURE CHARGING LINE
MICROPROCESSOR
CONTROLLED
HIGH
SIDE
LOW
SIDE
BLUE LOW
PRESSURE
CHARGING
LINE
ROBINAIR
MODEL
34700
STATION
LOW SIDE
VALVE (1)
HIGH SIDE
VALVE (2)
CHARGING
VALVE
VACUUM
PUMP
PROTECTION
SWITCH
RECOVERY PRESSURE
SWITCH
AUTOMATIC
EXPANSION VALVE
RECYCLING
VALVE
RECOVERY
VALVE
VACUUM
SOLENOID
VACUUM
PUMP
OIL SEPARATOR
HEAT EXCHANGER
MOISTURE
INDICATOR
AIR PURGE
SERVICE PORT
OIL
DRAIN
VALVE
HIGH
PRESSURE
SWITCH
FILTER - DRIER
FAN
OIL
DRAIN
BOTTLE
RECOVERY
COMPRESSOR
GAS
(VAPOR)
LIQUID
50 LB. (23 KG)
REFILLABLE
REFRIGERANT
TANK
COMPRESSOR
OIL SEPARATOR
SCALE ASSEMBLY
PRESSURE EQUALIZING &
OIL RETURN VALVE
Robinair 34700 Charging Station Hose Hookup
Figure 5

Table of Contents

Related product manuals