EasyManua.ls Logo

Piper SENECA III - Revision

Piper SENECA III
408 pages
Print Icon
To Next Page IconTo Next Page
To Next Page IconTo Next Page
To Previous Page IconTo Previous Page
To Previous Page IconTo Previous Page
Loading...
PILOTS
OPERATING
HANDBOOK
LOG OF REVISIONS
(cont)
Revision
FAA Approval
Number
and
Revised
Description
of
Revision Signature
and
Code
Pages
Date
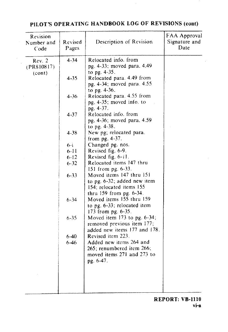
Rev.
2
4-34
Relocated
info.
from
(PR810817)
pg.
4-33; moved
para.
4,49
(cont)
to
pg.
4-35.
4-35
Relocated
para.
4.49 from
pg.
4-34;
moved
para.
4.55
to
pg.
4-36.
4-36
Reiocated
para.
4.55
from
pg.
4-35;
moved
info.
to
pg.
4-37.
4-37
Relocated
info.
from
pg.
4-36; moved
para.
4.59
to
pg.
4-38.
4-38
New
pg;
relocated
para
from
pg.
4-37.
6-i
Changed
pg.
nos.
6-!
I
Revised
fig, 6-9.
6-12
Revised
fig.
6-i
1.
6-32
Relocated items
147
thru
15
i
from
pg,
6-33.
6-33
Moved
items
147
thru
151
to
pg.
6-32: added
new
item
154; relocated
items
155
thru
159 from
pg.
6-34.
6-34
Moved
items
155
thru
159
to
pg.
6-33;
relocated
item
173
from
pg.
6-35.
6-35 Moved
item
173
to
pg.
6-34;
removed
previous
item
177;
added
new
items
177
and
178.
6-40
Revised item
223.
6-46
Added
new
items 264 and
265;
renumbered
item 266;
moved
items
271
and 273
to
pg.
6-.47.
REPORT:
VB-1110
vi-a

Table of Contents

Related product manuals