EasyManua.ls Logo

PizzaGroup PYRALIS - Page 38

PizzaGroup PYRALIS
Print Icon
To Next Page IconTo Next Page
To Next Page IconTo Next Page
To Previous Page IconTo Previous Page
To Previous Page IconTo Previous Page
Loading...
38
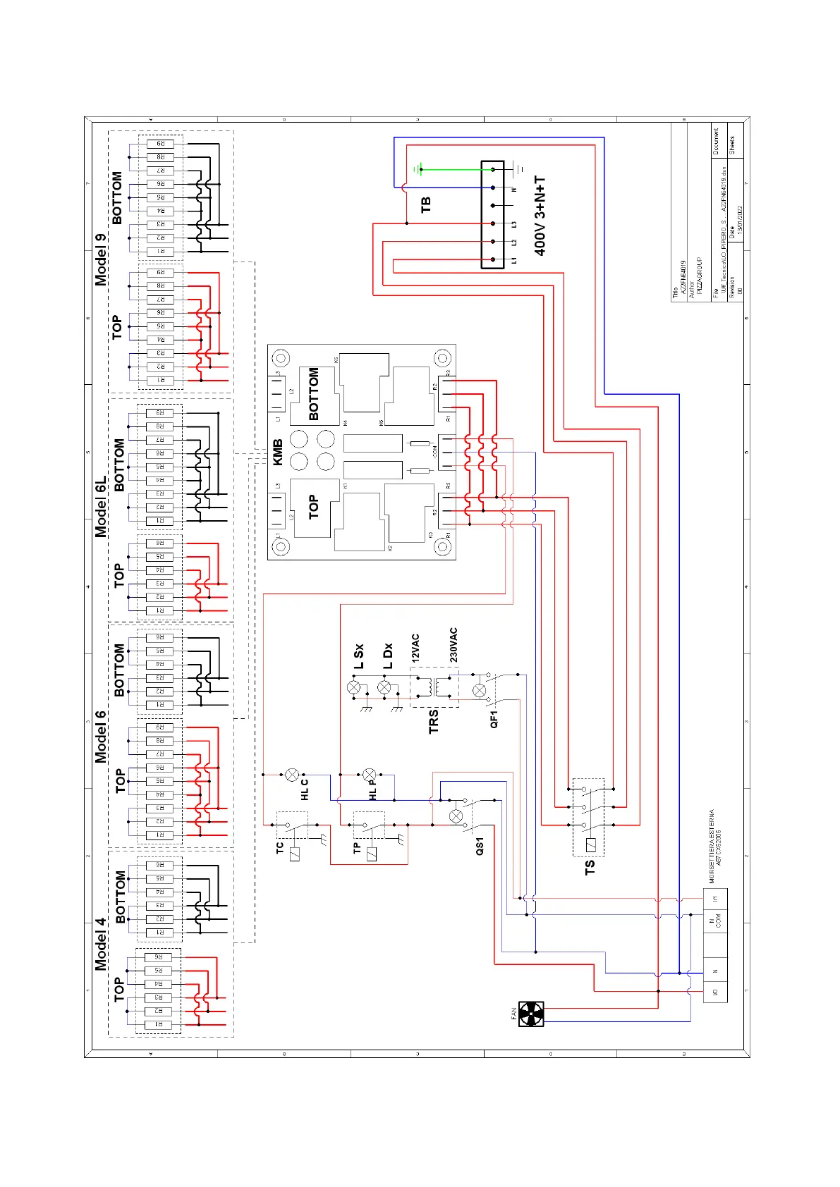
Wiring Diagrams