EasyManua.ls Logo

POOLEX 90 - 10. Appendices; Wiring Diagrams

POOLEX 90
40 pages
Print Icon
To Next Page IconTo Next Page
To Next Page IconTo Next Page
To Previous Page IconTo Previous Page
To Previous Page IconTo Previous Page
Loading...
38
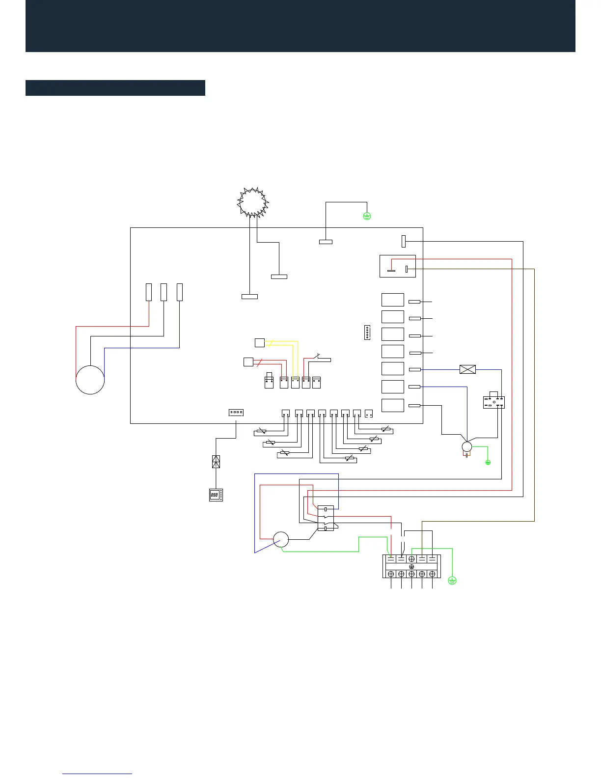
10.1 Wiring diagrams
10. Appendices
10. Appendices
Poolex Jetline Premium Inverter 90 / 120 / 150
T1
T2
T3
T4
T5
T6
T7
L
Reserved
Reserved
Reserved
IN2
IN3
IN4
IN5
Reserved
IN1
12V GND A B
EGND
N
CN-RAT2
CN-RAT1
U
V
W
Reserved
BLACKhigh speed
BROWN
OUT2
OUT1
OUT3
OUT4
OUT6
OUT5
OUT7
Reactive
resistance
MC
U
V
W
Compressor
RED
BLUE
WHITE
RED
BLUE
WHITE
Outlet water temp
Ambient temp
Return gas temp
Cooling coil temp
Exhaust temp
Inlet water temp
Condenser temp
Remote control switch
High Pressure Switch
Low Pressure Switch
RED
YELLOW
Water flow switch
WHITE
RED
Wire controller
GREEN
Power: AC
220-240V/50Hz
To pump
L N
P1 P2
RED
BLACK
Y/G
BLACK
BROWN
220-240V~/50Hz
A1
2
4
1
3
KM1
BLACK
RED
RED
RED
A2
BLACK
BLACK
_
NO
+
C
NC
GREEN
BLUE
BLUE
RED
BLACK
BLACK
Push-button switch
BLACK
FAN CAPACITOR
MF
ORANGE
RED
WHITE
Y/G
BLUE
BLUElow speed
WHITE
BLACK
BLACK
4-way valve
BLUE
BLUE
RED
BLACK
Electronic
expansion valve
AC-N1
AC-L
E-VAL1
BROWN
T8

Related product manuals