EasyManua.ls Logo

Potterton Paramount five 80 - Page 22

Potterton Paramount five 80
156 pages
Print Icon
To Next Page IconTo Next Page
To Next Page IconTo Next Page
To Previous Page IconTo Previous Page
To Previous Page IconTo Previous Page
Loading...
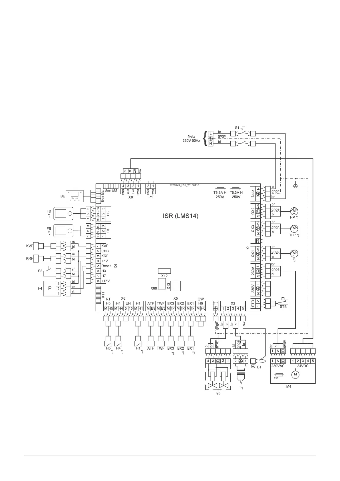
BusEM Bus connection for expansion module
BX1-3 Multi-function sensor input
F4 Water pressure sensor
FB Remote control (accessory)
GW Gas pressure monitor
H1,4,5 Multifunctional input (accessory)
H6 Gas pressure monitor input
HP Heating circuit pump (accessory)
KRF Boiler return sensor type 36
KVF Boiler flow sensor type 36
M4 Burner fan
Netz Mains connection
P1 PWM output
QX1-3 Multifunctional output
S1 ON/OFF switch
S2 Unlocking
STB Safety temperature limiter
T1 Ignition transformer
TLP DHW charging pump (accessory)
TWF DHW sensor type 36
X11,60 Bus module interface
X12,13 Service interface
Y2 Gas valve
Fig.5 Wiring diagram Paramount 50 / 60
ATF Outdoor temperature sensor QAC 34
B1 Ionisation electrode
BE Operating unit
BusBE Bus connection for operating unit
BusEM Bus connection for expansion module
BX1-3 Multi-function sensor input
F4 Water pressure sensor
FB Remote control (accessory)
GW Gas pressure monitor
H1,4,5 Multifunctional input
H6 Gas pressure monitor input
HP Heating circuit pump (accessory)
KRF Boiler return sensor type 36
KVF Boiler flow sensor type 36
M4 Burner fan
Netz Mains connection
3 Technical specifications
22 Paramount five 30 – 115 7703046 - 01 - 23072018

Table of Contents

Related product manuals