EasyManua.ls Logo

ProTec Polymer Processing FG 204 - Page 41

Default Icon
76 pages
Print Icon
To Next Page IconTo Next Page
To Next Page IconTo Next Page
To Previous Page IconTo Previous Page
To Previous Page IconTo Previous Page
Loading...
ProTec Polymer Processing GmbH Foerdergeraet_FG201-FG206_BA_1v0_2018_en
41
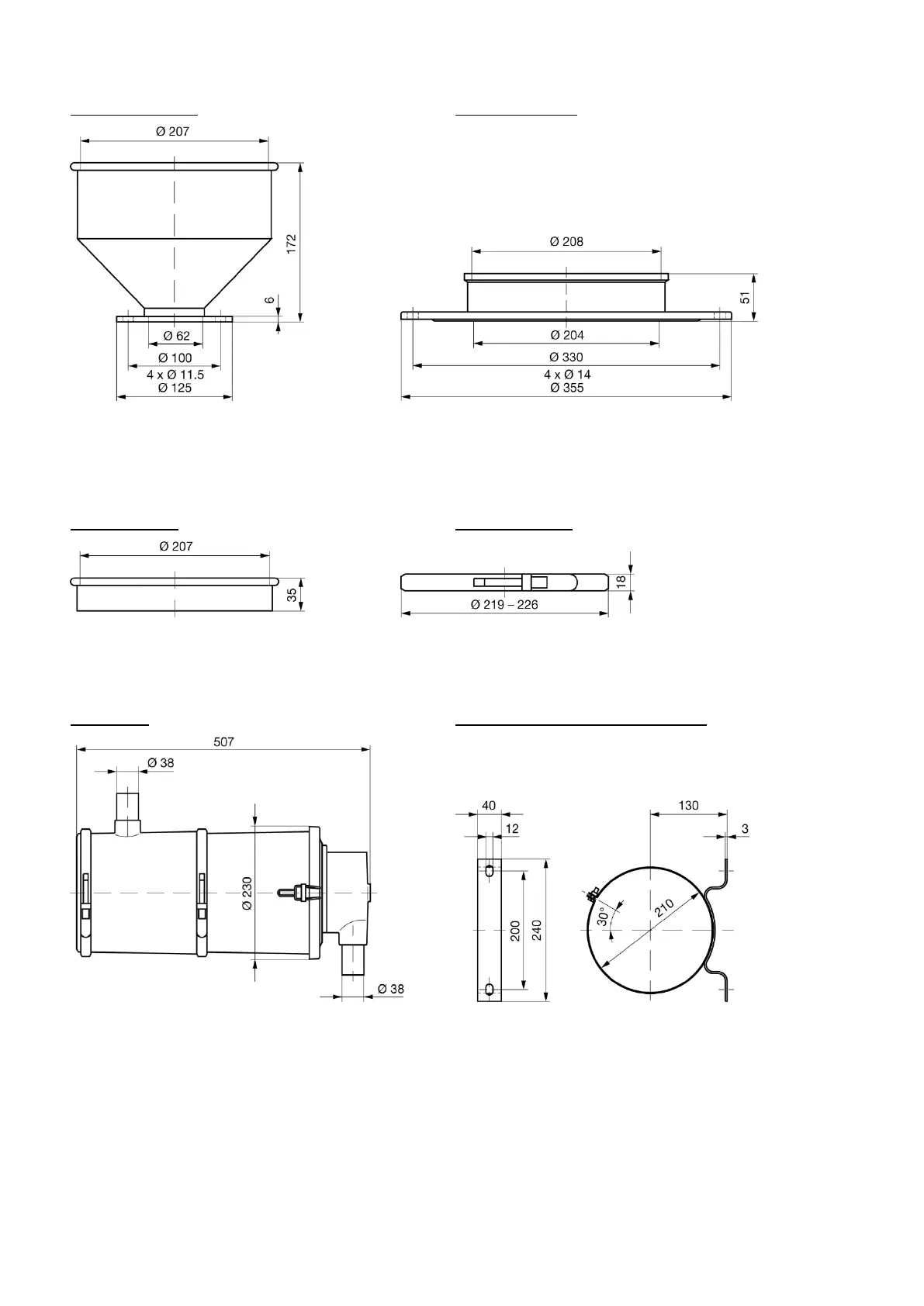
Machine hopper: Mounting cover:
Stainless steel/ St. nickel-plated
Outlet Ø 35 und Ø 62 mm
1.40 Kg
Aluminium
2.10 Kg
Counter bead: Tensioning ring
Stainless steel
0.33 Kg
Steel, nickel-plated
0.17 Kg
After-filter: Holder for after- and central-filter:
PA / Al / Stainless steel
3.50 Kg
Steel, RAL 9005
0.60 Kg

Table of Contents

Related product manuals