EasyManua.ls Logo

Pulsar Infinity PS-2SD - Pulsar Infinity System Schematic: Standard Installation

Pulsar Infinity PS-2SD
32 pages
Print Icon
To Next Page IconTo Next Page
To Next Page IconTo Next Page
To Previous Page IconTo Previous Page
To Previous Page IconTo Previous Page
Loading...
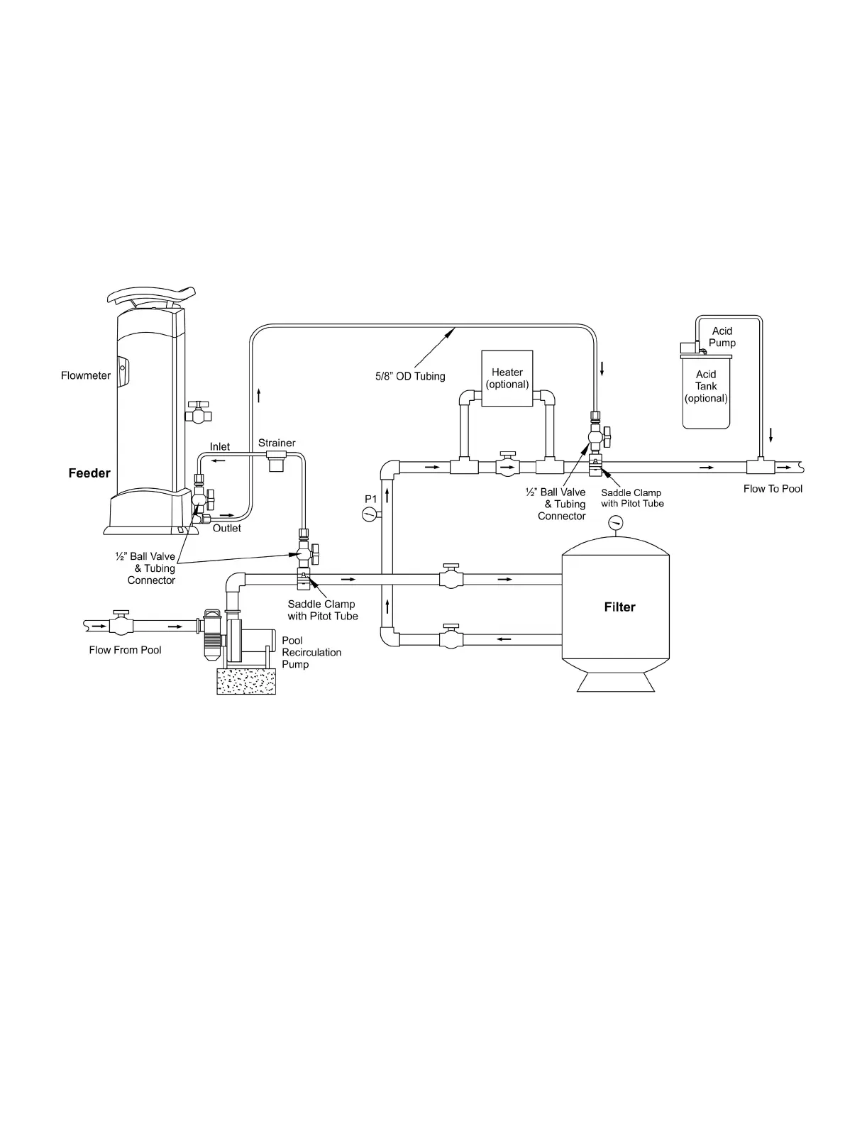
Pulsar® Infinity Operation and Installation ManualWater Treatment 10
3 Installation
3.1 Pulsar® Infinity System: Standard Installation
Choose a location in the pump room that will allow easy access for replenishing the feeder cartridge with Pulsar® Infinity Tablets. The Pulsar® Infin-
ity Feeder will be positioned in a location such that the pre to post filter recirculation loop is feasible.
NOTE: Refer to Appendix A for Pitot Tubes for 2 ½” and 3” pool piping
NOTE: If greater feed rates are required, contact your dealer for alternative feeder options