EasyManua.ls Logo

Quadra-Fire EXCURSION-I - Wiring Requirements

Quadra-Fire EXCURSION-I
52 pages
Print Icon
To Next Page IconTo Next Page
To Next Page IconTo Next Page
To Previous Page IconTo Previous Page
To Previous Page IconTo Previous Page
Loading...
28
Quadra-Fire • EXCURSION-I, EXCURSION-II, EXCURSION-III Installation Manual • 2538-980 Rev. E • 5/19
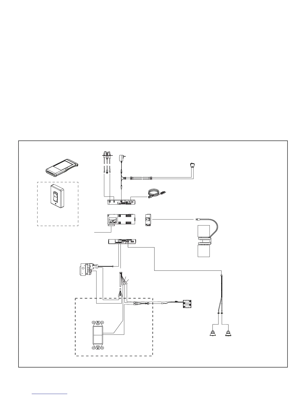
Figure 6.2 IntelliFire™ Touch Wiring Diagram
FLAME
SENSE
IGNITER
FAN 110-120 VAC
RF MODULE
6V TRANSFORMER
PLUG
I
S
6 PIN
BATTERY PACK
BRN
ORANGE
(PILOT)
GREEN
(MAIN)
IFT-RC400
REMOTE
CONTROL
BLK
RED
IFT-RC150
WIRELESS
WALL SWITCH
(OPTIONAL)
APPLIANCE
ON/OFF
CONTROL
BRN
BLK
WIRE ASSEMBLY
SPLITTER
BLK
RED
BLK
(OPTIONAL)
TO CORD ASSEMBLY 110-120 VAC
TO CORD
ASSEMBLY
110-120 VAC
WSK-21-W
2550-013 (NG)
2550-014 (LP)
2326-152
2326-150
2326-130
2326-120
GFK-160A
2326-132
2166-302 (NG)
2166-303 (LP)
2187-198
2326-134
2179-300
2326-131
2159-310
LIGHT WIRE
ASSEMBLY
2532-017
2201-150
HALOGEN BULBS (X 2)
NOT OFFERED WITH 25 in. MODELS
2206-299
* MODULE RESET SWITCH
(LOCATED ON SURROUND)
* Reset switch must be installed
and in the “ON” position for
appliance to operate.
B. Wiring Requirements
IntelliFire™ Touch Ignition System Wiring
WARNING! Risk of Shock or Explosion! DO NOT wire
IPI controlled appliance power cord to a switched circuit.
Incorrect wiring will override IPI safety lockout.
Refer to Figure 6.2, IntelliFire
TM
Touch (IPI) Wiring
Diagram.
This appliance is equipped with an IntelliFire control valve
which operates on a 6 volt system.
Ensure the 6 volt transformer is plugged into the supplied
cord assembly to supply power to the unit OR install 4 AA
cell batteries (not included) into the battery pack before
use.
Reset switch must be installed and in the “ON” position
for appliance to operate.
NOTICE: Batteries should only be used as a power source
in the event of an emergency power outage. Batteries
should not be used as a primary long-term power source.
Battery polarity must be correct when installing batteries.
When using batteries as a power source, the 6-volt
transformer must be unplugged from the receptacle.
Do not store batteries in the battery pack when the
appliance is powered by the 6 volt transformer connected
to permanent electrical service. Store battery pack in
appliance manual bag when not in use.
Halogen Lights
Halogen lights are factory installed.
Note: Not offered with 25 in. model.
Battery Pack
Battery pack is not factory installed in appliances. See
appliance manual bag for battery pack. Battery pack
should only be installed during power outages.

Table of Contents

Other manuals for Quadra-Fire EXCURSION-I

Related product manuals