EasyManua.ls Logo

Quectel RM520N-GL - Page 65

Quectel RM520N-GL
88 pages
Print Icon
To Next Page IconTo Next Page
To Next Page IconTo Next Page
To Previous Page IconTo Previous Page
To Previous Page IconTo Previous Page
Loading...
5G Module Series
RM520N-GL_Hardware_Design 64 / 84
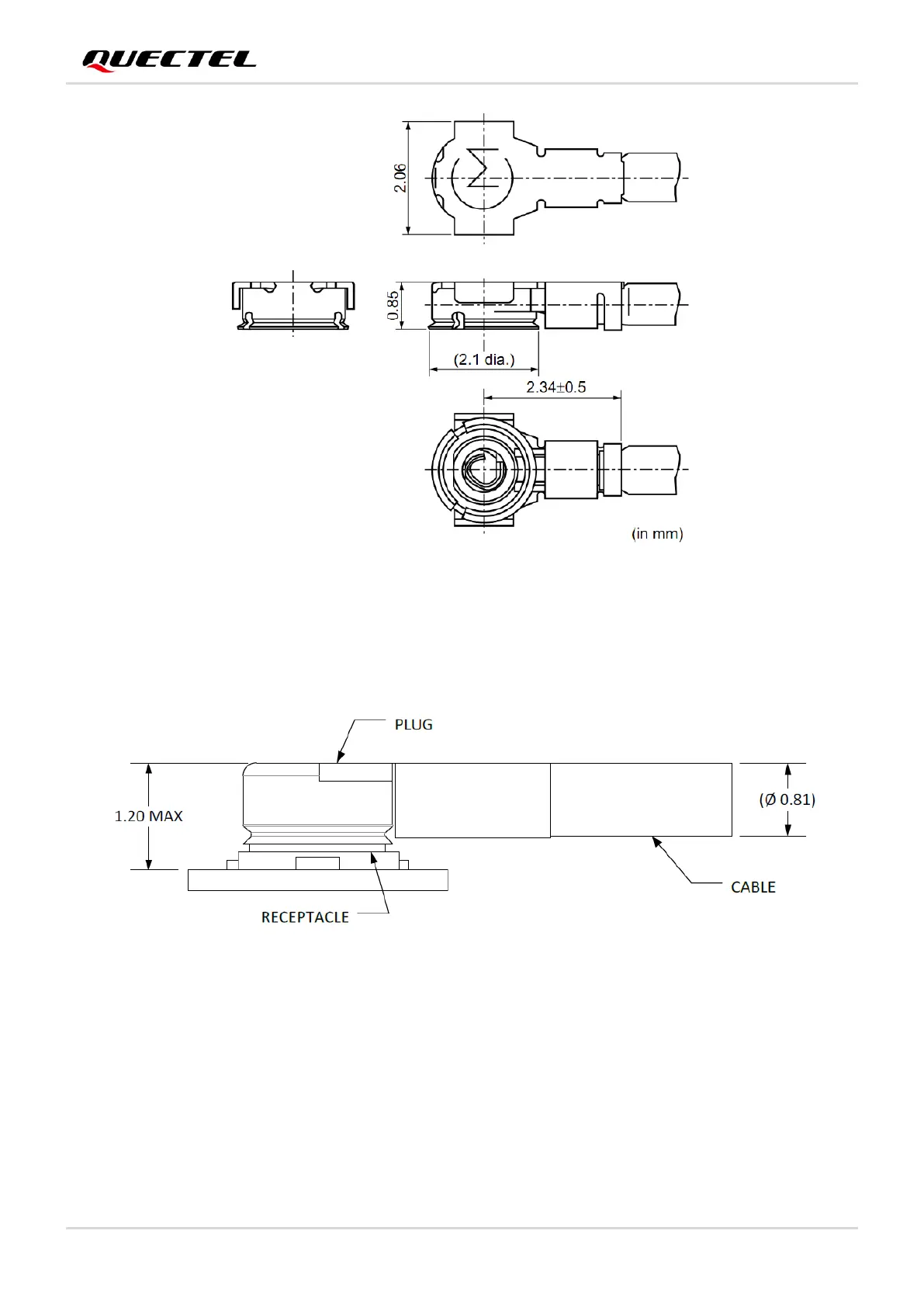
Figure 27: Specifications of Mating Plugs Using Ø 0.81 mm Coaxial Cables
The following figure illustrates the connection between the receptacle RF connector on the module and
the mating plug using a Ø 0.81 mm coaxial cable.
Figure 28: Connection Between RF Connector and Mating Plug Using Ø 0.81 mm Coaxial Cable

Table of Contents