EasyManua.ls Logo

Raypak 5350 - 230 V Single-Phase Digital, Models 5350, 6350, 8350, 8360

Raypak 5350
60 pages
Print Icon
To Next Page IconTo Next Page
To Next Page IconTo Next Page
To Previous Page IconTo Previous Page
To Previous Page IconTo Previous Page
Loading...
20
H
C
F
DUAL
CAPACITOR
V
V
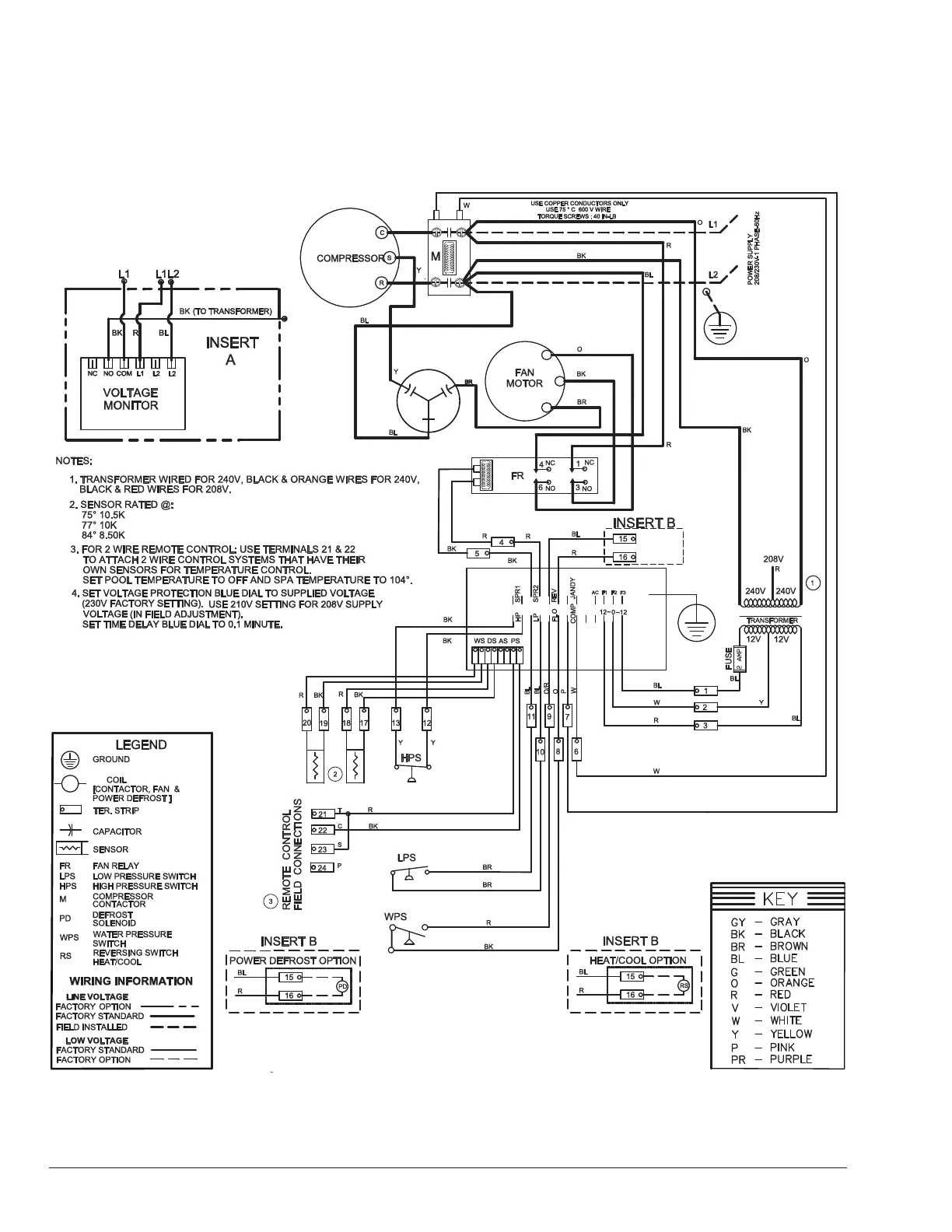
208V/230V Single-Phase Digital, Models 5350, 6350, 8350, 8360

Table of Contents

Related product manuals