EasyManua.ls Logo

Raypak 5350 - Triphasés Analogiques, Modèle 8354

Raypak 5350
60 pages
Print Icon
To Next Page IconTo Next Page
To Next Page IconTo Next Page
To Previous Page IconTo Previous Page
To Previous Page IconTo Previous Page
Loading...
23
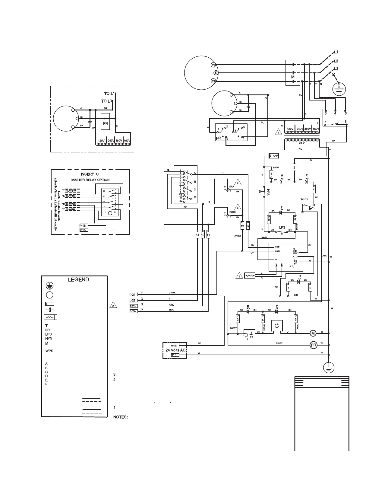
LÉGENDE
GY - GRIS
BK - NOIR
BR - BRUN
G - VERT
O - ORANGE
R - ROUGE
V - VIOLET
W - BLANC
Y - JAUNE
P - ROSE
PR - VIOLET
MALT
ALIMENTATION
CHAUFFAGE
EAU
COMPRESSEUR
DÉGIVRAGE
PRESSOSTAT
AMBRE
VERT
ROUGE
AMBRE
ROUGE
ROUGE
DEL
DÉTAILS CÂBLAGE
TENSION ALIM.
ALIMENTATION ÉLECTRIQUE
CÂBLÉ USINE
CÂBLÉ USINE
OPTION USINE
À PIED-D’OEUVRE
BARETTE DE CONNEXION
CONDENSATEUR
TEMP.
THERMOSTAT
RELAIS DE VENTILATEUR
CAPTEUR BASSE PRESSION
CAPTEUR HAUTE PRESSION
CONTACTEUR DU
COMPRESSEUR
DÉTECTEUR DE PRESSION
D’EAU
RELAIS [CONTACTEUR,
VENTILATEUR et DÉGIVRAGE]
CONDUCTEURS EN CUIVRE SEULEMENT
75°C; 600 V
COUPLE DE SERRAGE: 40 PO-LB
MOTEUR
VENTILATEUR
RELAIS SPST
RELAIS DPST
DÉTECTEUR DE FUITES
DÉTAIL C
RÉGLAGES THERMOSTAT: 75°F: 4,73 kΩ; 77°F: 4,25 kΩ; 84°F 2,44 kΩ
RÉGLAGES CAPTEUR: 75°F: 10,5 kΩ; 77°F: 10 kΩ; 84°F 8,50 kΩ
2. POUR THERMOSTAT À 2 FILS: UTILISER BORNES 21 ET 22 POUR LE RACCORDEMENT
DE THERMOSTATS MUNIS DE LEURS PROPRES CAPTEURS DE TEMPÉRATURE.
RÉGLER TEMPÉRATURE DE LA PISCINE À OFF ET CELLE DU SPA À 104°F.
POUR THERMOSTAT À 3 FILS RACCORDÉ AUX CAPTEURS DE L’APPAREIL: UTILISER LES
BORNES 22, 23 et 24.
RACCORDEMENTS À
POMPES RAYPAK −
VOIR LE MANUEL DE LA
POMPE
Minuterie
CARTE
ÉLECTRONIQUE
INTERRUPTEUR
DE DÉGIVRAGE
RACCORDS DE
THERMOSTATS EXTERNES
FUSIBLE
COMPRESSEUR
XFO
ALIMENTATION
460 V 3 PHASES 60 HZ
MOTEUR
VENTILATEUR
COMMUTATEUR SPA/THERMOMÈTRE/PISCINE
EN POSITION PISCINE
CONTRÔLEUR
TRIPHASÉ
460V triphasés analogiques, modèle 8354

Table of Contents

Related product manuals