EasyManua.ls Logo

Raypak 5350 - 230 V Triphasés Analogiques, Modèles 5350, 6350, 8350

Raypak 5350
60 pages
Print Icon
To Next Page IconTo Next Page
To Next Page IconTo Next Page
To Previous Page IconTo Previous Page
To Previous Page IconTo Previous Page
Loading...
21
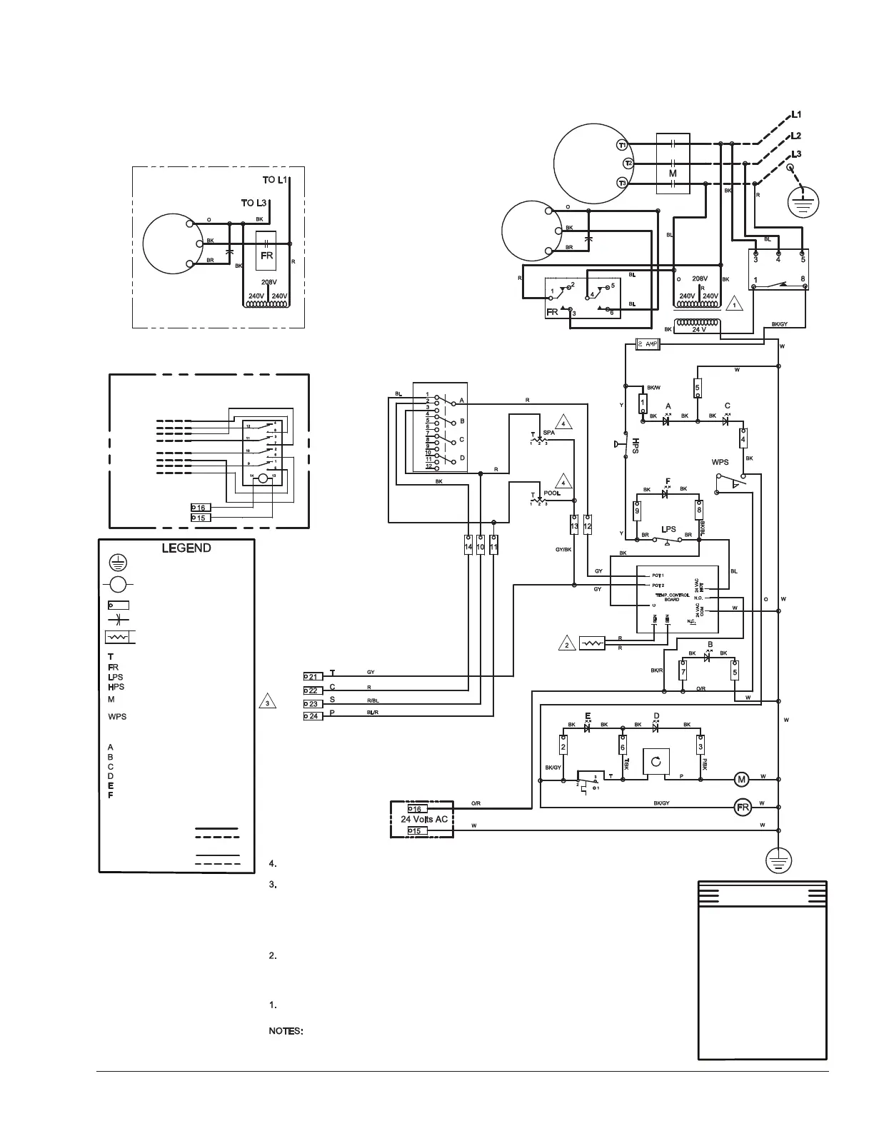
LÉGENDE
GY - GRIS
BK - NOIR
BR - BRUN
G - VERT
O - ORANGE
R - ROUGE
V - VIOLET
W - BLANC
Y - JAUNE
P - ROSE
PR - VIOLET
MALT
ALIMENTATION
CHAUFFAGE
EAU
COMPRESSEUR
DÉGIVRAGE
PRESSOSTAT
AMBRE
VERT
ROUGE
AMBRE
ROUGE
ROUGE
DEL
DÉTAILS CÂBLAGE
TENSION ALIM.
ALIMENTATION ÉLECTRIQUE
CÂBLÉ USINE
CÂBLÉ USINE
OPTION USINE
À PIED-D’OEUVRE
BARETTE DE CONNEXION
CONDENSATEUR
TEMP.
THERMOSTAT
RELAIS DE VENTILATEUR
CAPTEUR BASSE PRESSION
CAPTEUR HAUTE PRESSION
CONTACTEUR DU
COMPRESSEUR
DÉTECTEUR DE PRESSION
D’EAU
RELAIS [CONTACTEUR,
VENTILATEUR et DÉGIVRAGE]
MOTEUR
VENTILATEUR
RELAIS SPST
MOTEUR
DÉTAIL C
À ASSERVI #1
À ASSERVI #2
À ASSERVI #3
À ASSERVI #4
DÉTAILS RELAIS PRINCIPAL
RACCORDS DE
THERMOSTATS EXTERNES
RACCORDER AUX BORNES T et C DES
APPAREILS ASSERVIS //this is a line
cut//RÉGLER TEMPÉRATURE DE LA
PISCINE À OFF ET CELLE DU SPA À 104°C.
RACCORDEMENTS À
POMPES RAYPAK −
VOIR LE MANUEL DE
LA POMPE
POUR THERMOSTAT À 2 FILS: UTILISER BORNES 21 ET 22 POUR LE
RACCORDEMENT DE THERMOSTATS MUNIS DE LEURS PROPRES
CAPTEURS DE TEMPÉRATURE.
RÉGLER TEMPÉRATURE DE LA PISCINE À OFF ET CELLE DU SPA À 104°F.
POUR THERMOSTAT À 3 FILS RACCORDÉ AUX CAPTEURS DE L’APPAREIL:
UTILISER LES BORNES 22, 23 et 24.
RÉSISTANCE DES CAPTEURS:
75°F: 10,5 kΩ
77°F: 10 kΩ
84°F 8,50 kΩ
RÉGLAGES THERMOSTAT: 75°F: 4,73 kΩ; 77°F: 4,25 kΩ; 84°F 2,44 kΩ
XFO CÂBLÉ POUR 240 V (FILS NOIR ET ORANGE); UTILISER FILS NOIR ET
ROUGE POUR 208 V.
DÉTAIL C
COMPRESSEUR
XFO
CONTRÔLEUR
TRIPHASÉ
RELAIS DPST
COMMUTATEUR SPA/THERMOMÈTRE/PISCINE
EN POSITION PISCINE
FUSIBLE
MINUTERIE
INTERRUPTEUR
DE DÉGIVRAGE
DÉTECTEUR DE FUITES
ALIMENTATION
208/230V-1 PHASE 60 HZ
CONDUCTEURS EN CUIVRE SEULEMENT
75°C; 600 V
COUPLE DE SERRAGE: 40 PO-LB
208V/230V triphasés analogiques, modèles 5350, 6350, 8350

Table of Contents

Related product manuals