EasyManua.ls Logo

Raypak 5350 - 230 V Monophasés Numériques, Modèles 5350, 6350, 8350, 8360

Raypak 5350
60 pages
Print Icon
To Next Page IconTo Next Page
To Next Page IconTo Next Page
To Previous Page IconTo Previous Page
To Previous Page IconTo Previous Page
Loading...
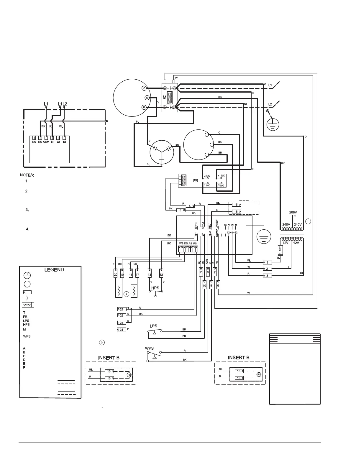
20
H
C
F
CONDENSATEUR
CVCA
MOTEUR
VENTILATEUR
V
V
LÉGENDE
GY - GRIS
BK - NOIR
BR - BRUN
G - VERT
O - ORANGE
R - ROUGE
V - VIOLET
W - BLANC
Y - JAUNE
P - ROSE
PR - VIOLET
CONDUCTEURS EN CUIVRE SEULEMENT
75°C, 800 V;
COUPLE DE SERRAGE: 40 PO-LB
ALIMENTATION
208/230V-1 PHASE 60 HZ
COMPRESSEUR
BK (VERS XFO)
DÉTAIL A
XFO CÂBLÉ POUR 240 V (FILS NOIR ET ORANGE); UTILISER FILS
NOIR ET ROUGE POUR 208 V.
POUR THERMOSTAT À 2 FILS: UTILISER BORNES 21 ET 22 POUR LE
RACCORDEMENT DE THERMOSTATS MUNIS DE LEURS PROPRES
CAPTEURS DE TEMPÉRATURE
RÉGLER TEMPÉRATURE DE LA PISCINE À OFF ET CELLE DU SPA À 104°F.
RÉGLER LA PROTECTION (CADRAN BLEU) À LA TENSION
D’ALIMENTATION (230 V PAR DÉFAUT). RÉGLER À 210 V SI
ALIMENTATION 208 V (MODIFIÉE AU CHANTIER).
RÉGLER DÉLAI DU CADRAN BLEU À 0,1 MINUTE.
RÉSISTANCE DES CAPTEURS:
75º 10.5K
77º 10K
84º 8.50K
MONITEUR
DE TENSION
XFO
DÉTAIL B
FUSIBLE
MODE CHAUFF./DÉGIV.
RACCORDS DE
THERMOSTATS EXTERNES
OPTION DE DÉGIVRAGE ÉLECTRIQUE
MALT
ALIMENTATION
CHAUFFAGE
EAU
COMPRESSEUR
DÉGIVRAGE
PRESSOSTAT
AMBRE
VERT
ROUGE
AMBRE
ROUGE
ROUGE
DEL
DÉTAILS CÂBLAGE
TENSION ALIM.
ALIMENTATION ÉLECTRIQUE
CÂBLÉ USINE
CÂBLÉ USINE
OPTION USINE
À PIED-D’OEUVRE
BARETTE DE CONNEXION
CONDENSATEUR
TEMP.
THERMOSTAT
RELAIS DE VENTILATEUR
CAPTEUR BASSE PRESSION
CAPTEUR HAUTE PRESSION
CONTACTEUR DU
COMPRESSEUR
DÉTECTEUR DE PRESSION
D’EAU
RELAIS [CONTACTEUR,
VENTILATEUR et DÉGIVRAGE]
208V/230V monophasés numériques, modèles 5350, 6350, 8350, 8360

Table of Contents

Related product manuals