EasyManua.ls Logo

Reach RT-PoE5 - Operational Overview; Data Path

Default Icon
43 pages
Print Icon
To Next Page IconTo Next Page
To Next Page IconTo Next Page
To Previous Page IconTo Previous Page
To Previous Page IconTo Previous Page
Loading...
Reach PoE5 Tester Manual 1.8 03/25/2021 Page 12
5. Operational Overview
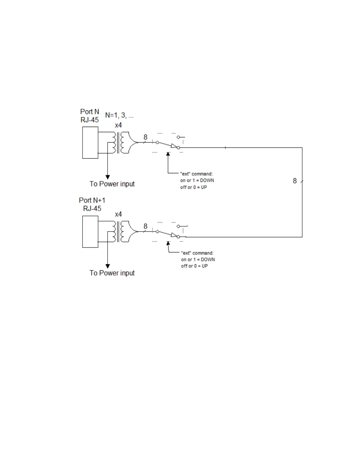
5.1. Data path
The data path section allows the UUT port data to be in two states: disconnected, or
connected to the data of the next UUT port (default is connected). This allows data to
pass from port to port for testing.