EasyManua.ls Logo

REDEX SRP0 - Page 8

Default Icon
176 pages
Print Icon
To Next Page IconTo Next Page
To Next Page IconTo Next Page
To Previous Page IconTo Previous Page
To Previous Page IconTo Previous Page
Loading...
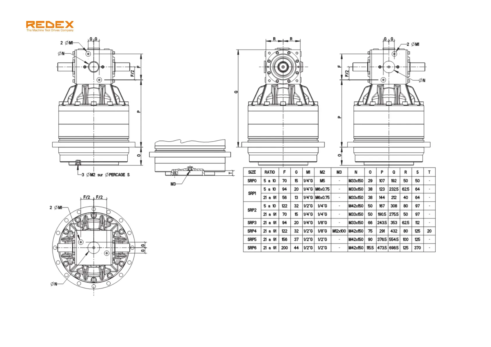
SRP User manual
This document must not be reproduced nor information therein disclosed without our authorization
Page 6 / 28

Table of Contents