EasyManua.ls Logo

Reflex GX616 - Page 44

Default Icon
62 pages
Print Icon
To Next Page IconTo Next Page
To Next Page IconTo Next Page
To Previous Page IconTo Previous Page
To Previous Page IconTo Previous Page
Loading...
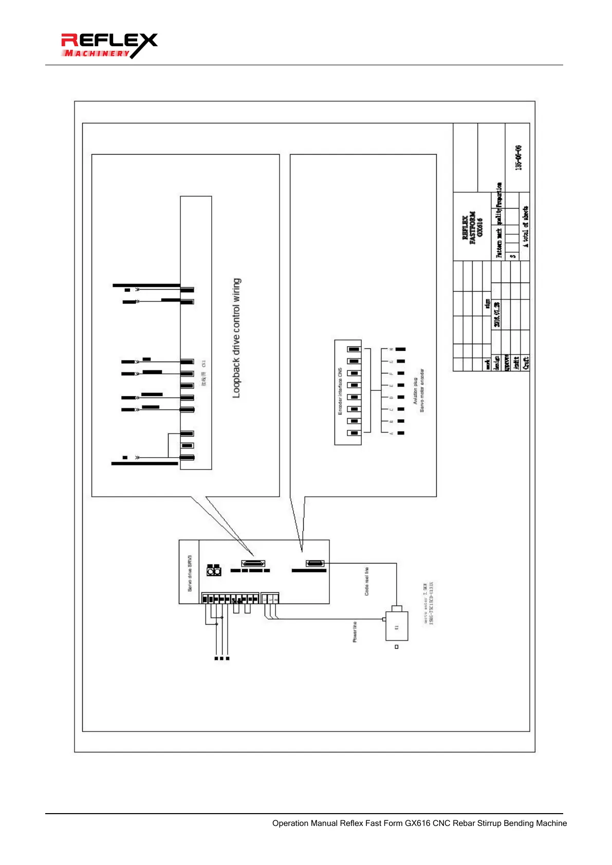
13Wiring diagram of loopback servo
OperationManualReflexFastFormGX616CNCRebarStirrupBendingMachine