EasyManua.ls Logo

Reflex GX616 - Electrical Schematic Diagram

Default Icon
62 pages
Print Icon
To Next Page IconTo Next Page
To Next Page IconTo Next Page
To Previous Page IconTo Previous Page
To Previous Page IconTo Previous Page
Loading...
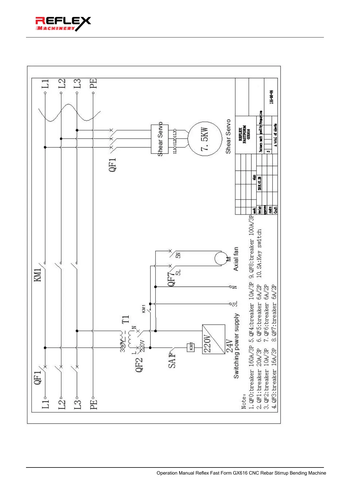
5.5. Electrical schematic diagram
1Main circuit 1
OperationManualReflexFastFormGX616CNCRebarStirrupBendingMachine