EasyManua.ls Logo

Regency bellavista B36XTCE - Wiring Diagram with Optional Fan

Regency bellavista B36XTCE
80 pages
Print Icon
To Next Page IconTo Next Page
To Next Page IconTo Next Page
To Previous Page IconTo Previous Page
To Previous Page IconTo Previous Page
Loading...
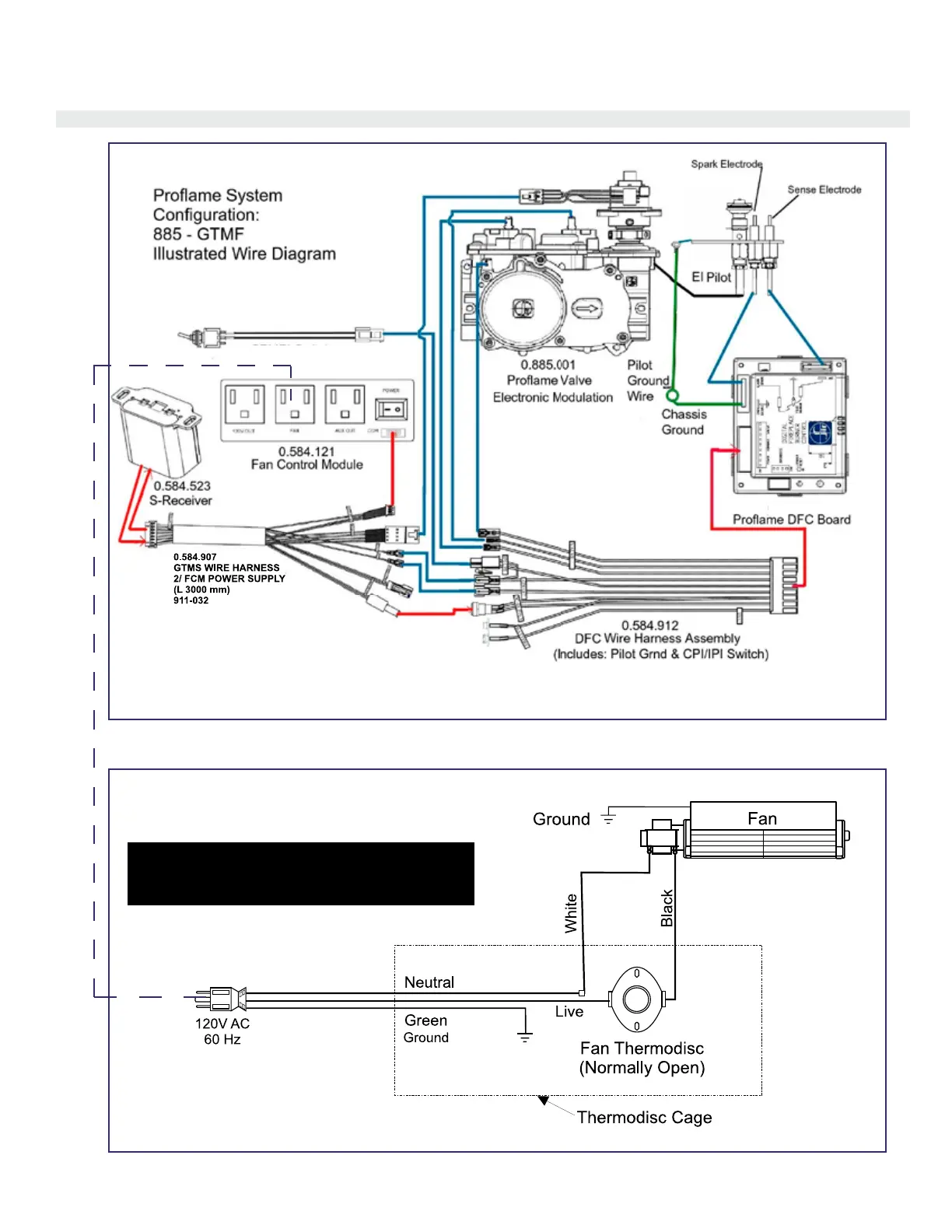
60 | Bellavista® B36XTCE-11 Gas Fireplace
installation
WIRING DIAGRAM WITH OPTIONAL FAN
SureFire™ Switch
CAUTION: Label all wires prior to disconnection
when servicing controls. Wiring errors can cause
improper and dangerous operation.
Caution: Ensure that the wires do not touch any
hot surfaces and are away from sharp edges.
0.584.622

Table of Contents

Other manuals for Regency bellavista B36XTCE

Related product manuals