EasyManua.ls Logo

Renesas RZ/A2M

Renesas RZ/A2M
106 pages
To Next Page IconTo Next Page
To Next Page IconTo Next Page
To Previous Page IconTo Previous Page
To Previous Page IconTo Previous Page
Loading...
5
5
4
4
3
3
2
2
1
1
D D
C C
B B
A A
DRP
P9_3/(A11)/(DRP13)/SSIRxD0
P8_7/(A7)/(DRP17)/RSPCK0
P8_6/(A6)/(DRP18)/MOSI0
P8_4/(A4)/(DRP20)/SSL00
KyconP9_5/(A13)/(DRP11)/SSIFS0
P9_4/(A12)/(DRP12)/SSITxD0
P9_6/(A14)/(DRP10)/SSIBCK0
Audio CODEC
DNF
DNF
MAC8
USB Micro-B
HRS
KCD
P6_4/(DRP00)/AUDIO_CLK
CAN2
P1_0/(D7)/(DRP31)/CAN_CLK
DRP
Audio
TI
3.3V <- 5V
P9_1/(A9)/(DRP15)/RxD4
P9_0/(A8)/(DRP16)/TxD4
TI
3.3V -> 5V
JST
P1_3/(D10)/CAN0TX
CAN1
P1_1/(D8)/CAN0RX
P2_2/(D14)/CAN1TX
P2_0/(D12)/CAN1RX
JST
22_P1_0/CAN_CLK [3]
DRP[31:0][2,3]
22_P9_[6:3][3]
22_P8_[7:6][3]
22_P8_4/SSL00[3]
2_P6_4/AUDIO_CLK[3]
22_P9_1/RxD4[3]
22_P9_0/TxD4[3]
2_P1_3/CAN0TX[3]
2_P1_1/CAN0RX[3]
2_P2_2/CAN1TX[3]
2_P2_0/CAN1RX[3]
D3.3V
D5V D5V
D3.3V
A3.3V D3.3V
D3.3VA3.3V
USB5V
D3.3V D3.3V
D3.3V D3.3V
D3.3V USB5V
USB5V
USB5V
USB5VD3.3V
D5VD3.3V
D3.3V
D3.3V D5V
D3.3V
D3.3V
A3.3VD3.3V
AGND
AGND
AGND
AGND
AGND
AGND
Renesas Electronics Corporation.
DATE
APPROVED
SCALE
DESIGNEDCHECKED
DRAWN
CHANGE
( / )510
R20UT4395EJ0100
18-10-09
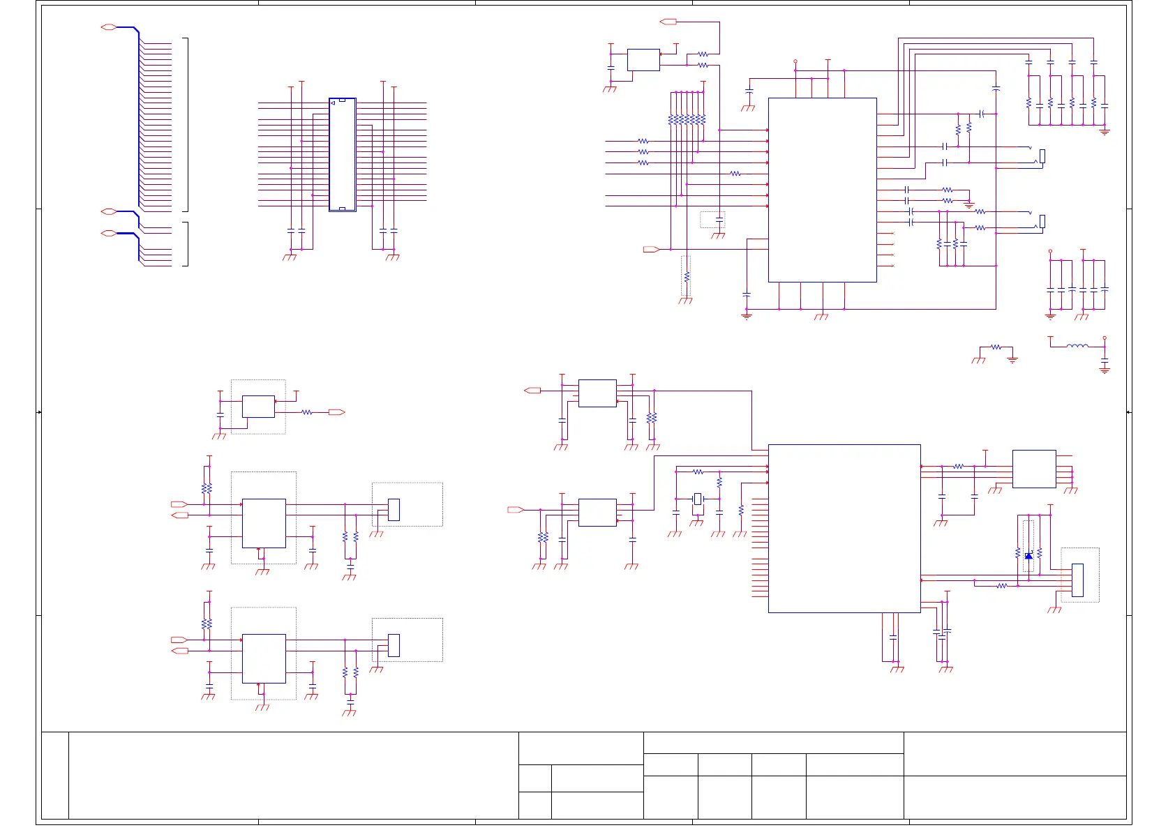
RZ/A2M SUB board
DRP, Audio, CAN, UART
Renesas Electronics Corporation.
DATE
APPROVED
SCALE
DESIGNEDCHECKED
DRAWN
CHANGE
( / )510
R20UT4395EJ0100
18-10-09
RZ/A2M SUB board
DRP, Audio, CAN, UART
Renesas Electronics Corporation.
DATE
APPROVED
SCALE
DESIGNEDCHECKED
DRAWN
CHANGE
( / )510
R20UT4395EJ0100
18-10-09
RZ/A2M SUB board
DRP, Audio, CAN, UART
C4
0.1µF
R176
22Ω
C7 220pF
U21 WM8978GEFL/V
LIP
1
LIN
2
L2/GPIO2
3
RIP
4
RIN
5
R2/GPIO3
6
LRC
7
BCLK
8
ADCDAT
9
DACDAT
10
MCLK
11
DGND
12
DCVDD
13
DBVDD
14
CSB/GPIO1
15
SCLK
16
SDIN
17
MODE
18
AUXL
19
AUXR
20
OUT4
21
OUT3
22
ROUT2
23
SPKGND
24
LOUT2
25
SPKVDD
26
VMID
27
AGND
28
ROUT1
29
LOUT1
30
AVDD
31
MICBIAS
32
PAD
33
CP33 0.1µF
CP26 0.1µF
R23
_22kΩ
R33
62Ω
R3222kΩ
NXP
U24
_TJF1051T/3
TxD
1
RxD
4
VCC
3
GND
2
VIO
5
CANH
7
CANL
6
S
8
R42
62Ω
R37 10kΩ
D1 _1N4148W-V
+
CE2
22µF/10V
EPSON
X1
SG-8002DC_11.2896MHz
OE
1
OUT
5
GND
4
VCC
8
C17 1µF
C23
0.1µF
CP22 0.1µF
U22
SN74LVC2T45DCT
VCCA
1
VCCB
8
A0
2
A1
3
GND
4
DIR
5
B1
6
B0
7
R15 2.2kΩ
R34
62Ω
R13
22kΩ
R31
22kΩ
CP21
0.1µF
R21 20kΩ
CP23 0.1µF
C20
10pF
C22 1µF
R184
+
CE1
22µF/10V
R41
22kΩ
CP34 0.1µF
R36 22kΩ
C6 220pF
C12 0.1µF
R4 47kΩ
C3
0.1µF
C11 0.1µF
R3 47kΩ
R8
22kΩ
R28
22kΩ
C13
_18pF
C10
1µF
CN4
STX-3500-3NTR
1
3
2
R12
22kΩ
CP27 0.1µF
CN7
_B3P-SHF-1AA(LF)(SN)
1
2
3
+
CE5 47µF/10V
R38 1kΩ
R26 22kΩ
R17 47kΩ
CP25 0.1µF
CP24 0.1µF
R14 2.2kΩ
NXP
U26
_TJF1051T/3
TxD
1
RxD
4
VCC
3
GND
2
VIO
5
CANH
7
CANL
6
S
8
C19
10pF
R6
22kΩ
R2
22Ω
R18 47kΩ
EPSON
X2
_SG-8002DC
OE
1
OUT
5
GND
4
VCC
8
CP30
0.1µF
CN6
_B3P-SHF-1AA(LF)(SN)
1
2
3
C8 220pF
R22 20kΩ
C5 220pF
R19 220Ω
C9
1µF
X3
CX2520DB12000
2
4
1 3
R20 220Ω
R177
22Ω
R43
62Ω
U25
SN74LVC2T45DCT
VCCA
1
VCCB
8
A0
2
A1
3
GND
4
DIR
5
B1
6
B0
7
R5
22kΩ
C21
0.1µF
CP37 0.33µF
R11
22kΩ
+
CE3
4.7µF/10V
CP32 0.1µF
+
CE9
10µF/16V
C18 1µF
R40
22kΩ
+
CE7 10µF/16V
CP29 0.1µF
C1
0.1µF
CP35
0.1µF
CN5
ZX62-B-5PA(11)
VBus
1
D-
2
D+
3
ID
4
FRAME
6
GND
5
FG1
7
FG2
8
FG3
9
CP39
0.1µF
L1
BLM21PG300SN1D
HRS
CN2
HIF3FC-40PA-2.54DSA
1 2
3 4
5 6
7 8
9 10
11 12
13 14
15 16
17 18
19 20
21 22
23 24
25 26
27 28
29 30
31 32
33 34
35 36
37 38
39 40
R16
22Ω
R24
22Ω
R175
22Ω
R7
22kΩ
+
CE4 47µF/10V
C15 220pF
CP31 0.1µF
R9 47kΩ
CP28 0.1µF
C14 220pF
R25 22kΩ
R27
1MΩ
+
CE8 10µF/16V
R29
C2
0.1µF
C16
0.1µF
CP36
0.1µF
Renesas
RL78/G1C
U23
P40 / TOOL0
1
RESET#
2
P137 / INTP0
3
P122 / X2 / EXCLK
4
P121 / X1
5
P60 / SCLA0
9
P61 / SDAA0
10
P62
11
P31 / TI03 / TO03 / INTP4 / PCLBUZ0
12
P70 / PCLBUZ1
13
P30 / INTP3 / SCK00 / SCL00 / (TI03) / (TO03) / (PCLBUZ0)
14
P50 / INTP1 / SI00 / RXD0 / TOOLRXD / SDA00 / (TI02) / (TO02)
15
P51 / INTP2 / SO00 / TXD0 / TOOLTXD / (TI01) / (TO01)
16
P17 / TI02 / TO02
17
P16 / TI01 / TO01 / INTP5
18
IC1
19
IC2
20
UVBUS
22
UDM0
23
UDP0
24
P24 / ANI4
25
P23 / ANI3
26
P22 / ANI2
27
P21 / ANI1 / AVREFM
28
P20 / ANI0 / AVREFP
29
P01 / ANI16 / TO00 / INTP9 / SCK01 / SCL01 / (SCLA0)
30
P00 / ANI17 / TI00 / INTP8 / SI01 / SDA01 / (SDAA0)
31
P120 / ANI19 / SO01 / (PCLBUZ1)
32
REGC
6
VSS
7
VDD
8
UVDD
21
EXP
33
+
CE6
4.7µF/10V
R1
22Ω
R39
100kΩ
CP40
0.1µF
CN3
STX-3500-3NTR
1
3
2
R10 47kΩ
J1
_WM-6-5P
1
2
3
4
5
CP38 0.1µF
R35 22kΩ
R30 100Ω
DRP0
DRP2
DRP5
DRP7
DRP8
DRP10
DRP13
DRP15
DRP16
DRP18
DRP21
DRP23
DRP24
DRP26
DRP29
DRP31
DRP1
DRP3
DRP4
DRP6
DRP9
DRP11
DRP12
DRP14
DRP17
DRP19
DRP20
DRP22
DRP25
DRP27
DRP28
DRP30
22_P8_7
22_P8_6
22_P9_6
22_P9_5
22_P9_4
22_P9_3
DRP21
DRP22
DRP23
DRP24
DRP25
DRP26
DRP27
DRP28
DRP29
DRP30
DRP0
DRP1
DRP3
DRP4
DRP31
DRP5
DRP6
DRP7
DRP9
DRP8
DRP10
DRP14
DRP11
DRP12
DRP2
DRP13
DRP15
DRP16
DRP17
DRP18
DRP20
DRP19
22_P8_6
22_P8_7
22_P9_3
22_P9_4
22_P9_5
22_P9_6

Other manuals for Renesas RZ/A2M

Related product manuals