RIGOL Programming Example
Programming Guide for DS1000CA Series
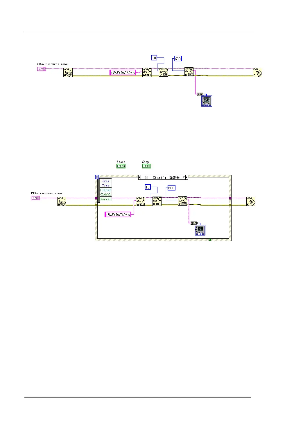
with the Waveform Graph. See the figure below.
7. Add an Event Structure and a While Loop as well as two buttons, one of the
buttons is used to control the start of waveform fetching, and the other one is to
stop capturing. See the figure below.
8. Right-click the “selector label” and choose “Edit Events Handled by This Case” or
“Add Event case” to add events respectively for each button. Press “Start” to
capture waveform and “Stop” to exit the program.