EasyManua.ls Logo

Rinnai Infinity 32e - Operational Flow Chart

Rinnai Infinity 32e
62 pages
Print Icon
To Next Page IconTo Next Page
To Next Page IconTo Next Page
To Previous Page IconTo Previous Page
To Previous Page IconTo Previous Page
Loading...
Infinity REU-V3232W /HD250E REU-V3232WC - 14 - Issue 1 - 8/09/03 ©Rinnai
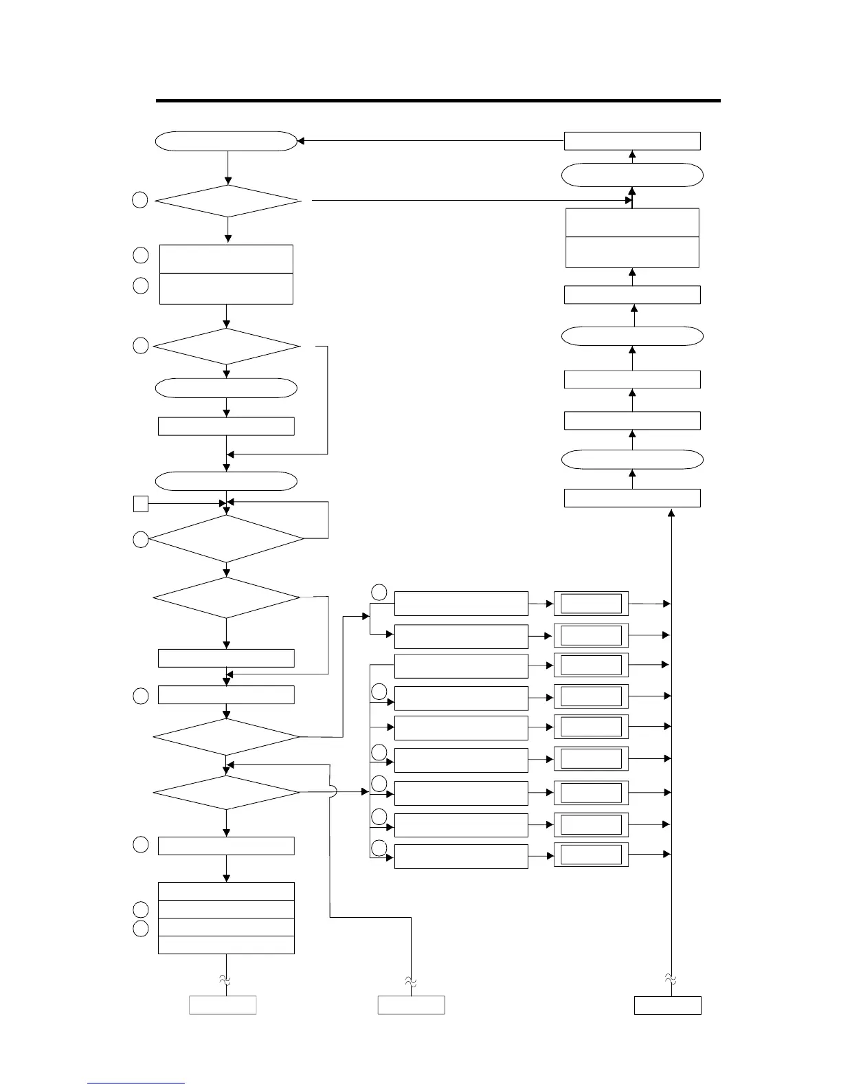
8. Operational Flow Chart
Bypass flow control device
fully open
Insert power plug
Safety device normal
ON/OFF switch ON
Remote control normal
ON/OFF indicator ON
Hot water tap open
Water flow sensor ON
2.7 L/min or more
Set HW temp
50°C or more
Bypass control closed
Combustion fan ON
Fan rotaion
detected normal
Initial check normal
Sparker ON
Water flow control device
fully open
YES
YES
NO
YES
NO
Fan revolves for ignition
Main solenoid valve ON
Solenoid valve 1 ON
Modulating valve ON
Cause eliminated
Remove power plug from socket
Water flow control device
fully open
Bypass flow control device
fully open
ON/OFF indicator OFF
ON/OFF switch OFF
Error code indicator OFF
Water flow sensor OFF
Hot water tap closed
Combustion fan OFF
(after 5 seconds)
1
2
3
4
5
(a)
6
11
12
13
A
Control circuit short
False flame sensed
Solenoid valve circuit faulty
Modulating valve faulty
Outgoing thermistor faulty
HEX outgoing thermistor faulty
Thermal fuse activated
Overheat switch activated
Combustion fan rotation
abnormal (12.5 secs after (a))
Air supply and combustion air
duct blocked
61 flashing
10 flashing
12 flashing
72 flashing
71 flashing
52 flashing
32 flashing
33 flashing
14 flashing
6
7
8
9
9
10
Hot water temp.
= fixed temp.
YES
NO
NO
YES
NO
NO
cont. next pagecont. next page cont. next page
YES

Related product manuals