EasyManua.ls Logo

Riverside Hydronics 400 - Component Wiring and Conduit Routing Details

Riverside Hydronics 400
48 pages
Print Icon
To Next Page IconTo Next Page
To Next Page IconTo Next Page
To Previous Page IconTo Previous Page
To Previous Page IconTo Previous Page
Loading...
M3
CONDENSING WATER BOILER
43
34-1115 12/15
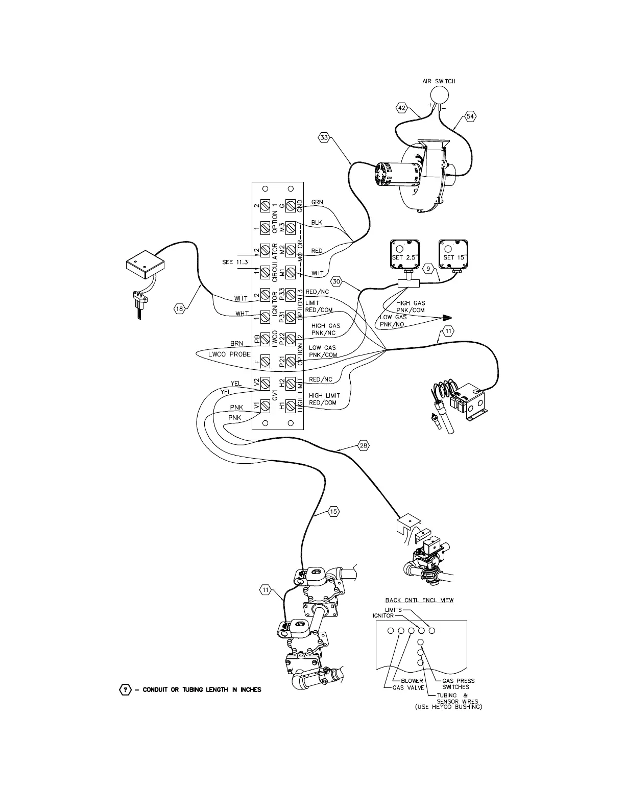
15.4 Component Wiring and Conduit Routing Details

Table of Contents

Related product manuals