EasyManua.ls Logo

RS PRO IPM 3600N - Three-Phase 3-Wire (3 P3 W2 M) Power System Measurement

RS PRO IPM 3600N
40 pages
Print Icon
To Next Page IconTo Next Page
To Next Page IconTo Next Page
To Previous Page IconTo Previous Page
To Previous Page IconTo Previous Page
Loading...
3 Phase Power Analyser / EN
09/30/16 Version No. 00 22
a). KW displays KWh
b). KVAR displays KVARh
c). KVA displays KVAh
Press “STOP” key to stop and hold the energy measurements. TheHOLDsymbol is
displayed and the final calculation time appears in the STOP” line on the display.
Press
key to exit the energy measurement mode and return to normal measurement
mode.
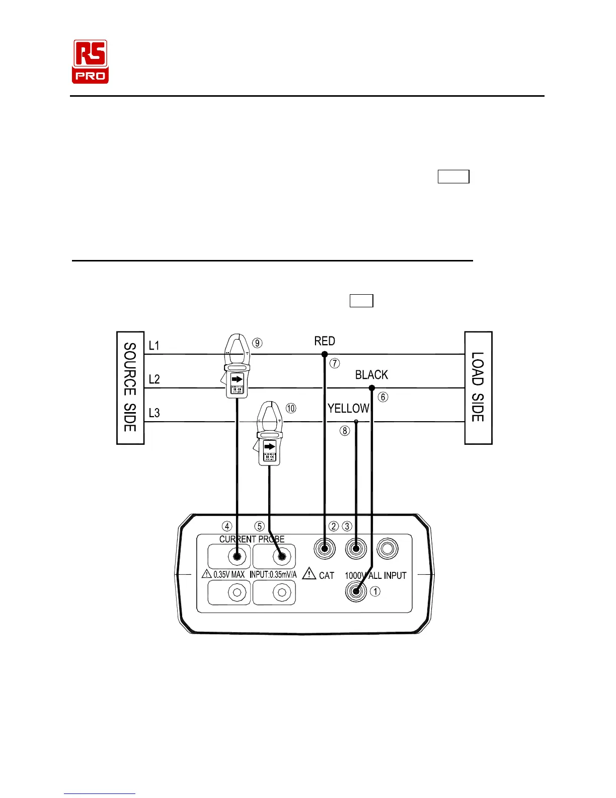
5-4 Three-Phase 3-Wire (3P3W2M) Power System Measurement
Using 2 power meter method
L1, L2, L3 : Phase 1, Phase 2, Phase 3, G : Ground, Face the current probe arrows
toward the load
U2
I4I3
N
I1 I2
U1
U3
Figure 9. 3P3W2M Wiring Connection Diagram

Related product manuals