EasyManua.ls Logo

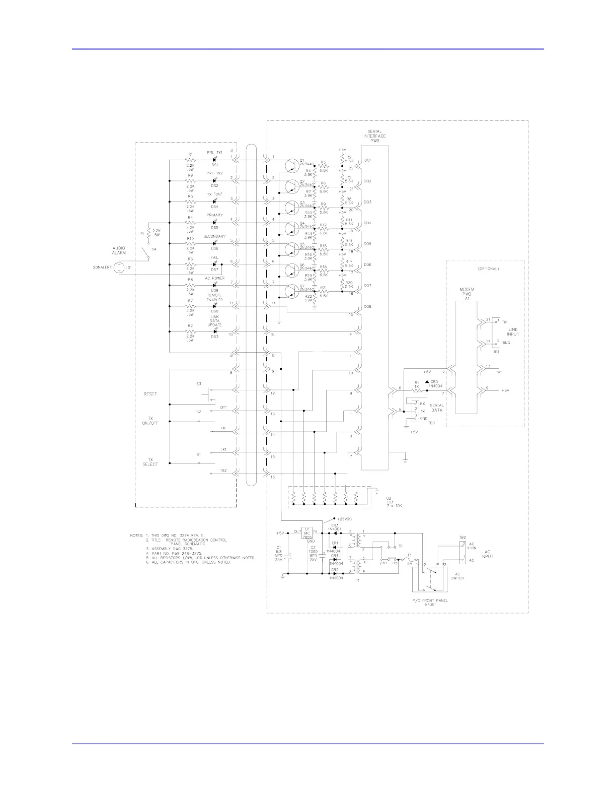
SAC SA100 - Figure 2-61. Remote Radiobeacon Control Panel Schematic

SAC SA100
224 pages
Print Icon
To Next Page IconTo Next Page
To Next Page IconTo Next Page
To Previous Page IconTo Previous Page
To Previous Page IconTo Previous Page
Loading...
SOUTHERN AVIONICS COMPANY
Model SA100 Dual2-82 Theory of Operation, Radiobeacon
Figure 2-61. Remote Radiobeacon Control Panel Schematic

Table of Contents