EasyManua.ls Logo

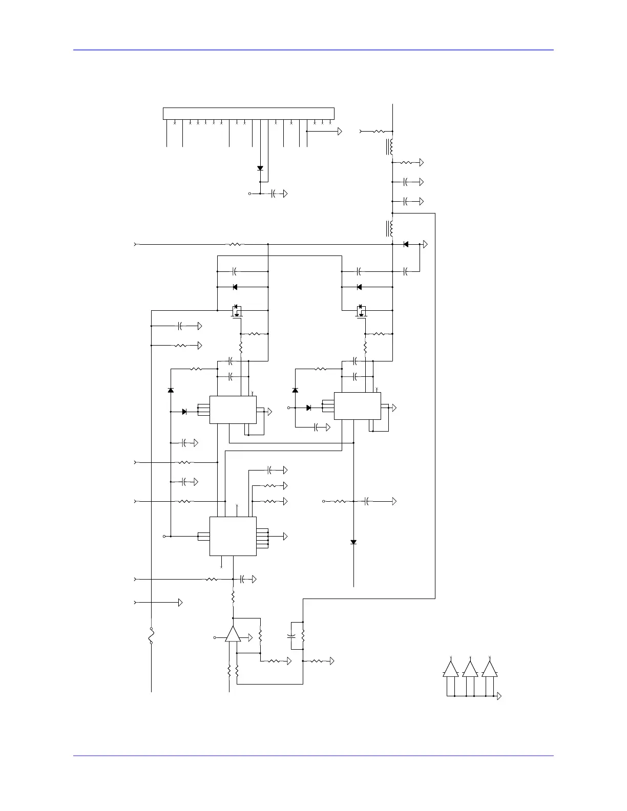
SAC SA100 - Figure 2-16. DMOD Schematic

SAC SA100
224 pages
Print Icon
To Next Page IconTo Next Page
To Next Page IconTo Next Page
To Previous Page IconTo Previous Page
To Previous Page IconTo Previous Page
Loading...
SOUTHERN AVIONICS COMPANY
Model SA100 Dual 2-27Theory of Operation, Radiobeacon
Figure 2-16. DMOD Schematic
SHTDN
VMOD
HV IN
LV
RFV
INTEL
VMOD
HV IN
INTEL
GND
SHTDN
GND
GND
+12V
+12V
+12V
+12V
+12V
NOTES
1. THIS DRAWING NO. SEP298A0 REV. J.
2. TITLE: DMOD SA SERIES PCB SCHEMATIC.
3. ASSEMBLY DWG. NO. SAP298A0.
4. ALL RESISTORS 1/4W, 1%, UNLESS NOTED.
5. ALL CAPACITORS IN uF, UNLESS NOTED.
+
C17
6.8
+
C17
6.8
R14
10K
R14
10K
R17
10K
R17
10K
+
C10
6.8
+
C10
6.8
R16
100K
R16
100K
C6
0.047
C6
0.047
+
C1
6.8
+
C1
6.8
C18
0.001
C18
0.001
CR4
1D400400
CR4
1D400400
TP0
GND
TP0
GND
CR2
1D440000
CR2
1D440000
Q2
1T244001
Q2
1T244001
R18
10K
R18
10K
C14
1.0
C14
1.0
R12
10
R12
10
C15
0.0047
C15
0.0047
CR5
1D066200
CR5
1D066200
L1
1L000002
L1
1L000002
CR1
1D440000
CR1
1D440000
R15
3.9K
R15
3.9K
TP4
PWM B
TP4
PWM B
3
2
1
+
-
U1A
+
-
U1A
R5
8.2K
R5
8.2K
+
C9
6.8
+
C9
6.8
CR6
1D440000
CR6
1D440000
R2
680
R2
680
C7
0.047
C7
0.047
CR9
1D440000
CR9
1D440000
5
6
7
+
-
U1B
+
-
U1B
R11
100K
1W
R11
100K
1W
R4
1.2K
R4
1.2K
C3
0.001
C3
0.001
LO
1
COM
2
VCC
3
-
4
VS
5
VB
6
HO
7
-
8
VDD
9
HIN
10
SD
11
LIN
12
VSS
13
-
14
U4
1U211000
U4
1U211000
TP5
PWM A
TP5
PWM A
R8
1.2K
1/2W
R8
1.2K
1/2W
L2
1L000002
L2
1L000002
R21
10K
R21
10K
R22
10K
R22
10K
R7
10
1/2W
R7
10
1/2W
R1
1K
R1
1K
R10
100K
1W
R10
100K
1W
TP3TP3
CR7
1D440000
CR7
1D440000
C16
0.01
C16
0.01
C5
0.047
C5
0.047
R9
1.2K
1/2W
R9
1.2K
1/2W
R20
10K
R20
10K
TP2
VMOD
TP2
VMOD
F1
2A
F1
2A
1
2
3
4
5
6
7
8
9
10
11
12
13
14
15
16
17
18
19
20
21
22
P1
GOLD FINGERS (22X)
P1
GOLD FINGERS (22X)
C13
1.0
C13
1.0
LO
1
COM
2
VCC
3
-
4
VS
5
VB
6
HO
7
-
8
VDD
9
HIN
10
SD
11
LIN
12
VSS
13
-
14
U3
1U211000
U3
1U211000
V-
1
V+
2
VREF
16
VIN
15
COMP
9
+SENSE
4
-SENSE
5
SHTDWN
10
RT
6
CT
7
CA
12
EA
11
CB
13
EB
14
OSCOUT
3
GND
8
U2
1U352400
U2
1U352400
C2
0.001
C2
0.001
R3
1K
R3
1K
C4
0.001
C4
0.001
R13
10
R13
10
10
9
8
411
+
-
U1C
1U324000
+
-
U1C
1U324000
+
C11
1.0
+
C11
1.0
R23
39K
R23
39K
TP1
INTEL
TP1
INTEL
12
13
14
+
-
U1D
+
-
U1D
R6
10
1/2W
R6
10
1/2W
R19
10K
R19
10K
Q1
1T244001
Q1
1T244001
C8
0.047
C8
0.047
CR8
1D440000
CR8
1D440000
CR3
1D154000
CR3
1D154000
C12
3.0
C12
3.0

Table of Contents