EasyManua.ls Logo

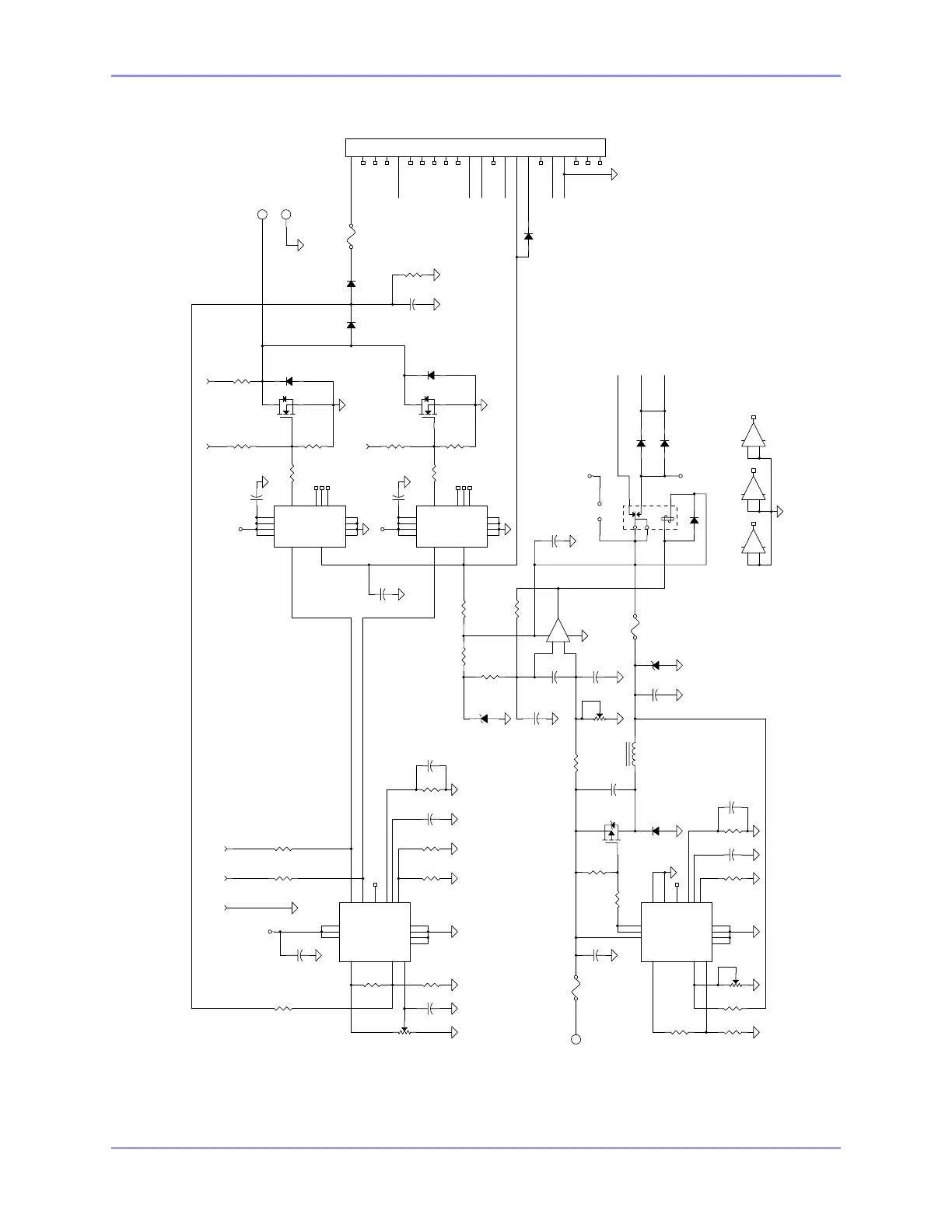
SAC SA100 - Figure 2-32. DC Power Supply PWB Schematic (Single Units)

SAC SA100
224 pages
Print Icon
To Next Page IconTo Next Page
To Next Page IconTo Next Page
To Previous Page IconTo Previous Page
To Previous Page IconTo Previous Page
Loading...
SOUTHERN AVIONICS COMPANY
Model SA100 Dual 2-47Theory of Operation, Radiobeacon
Figure 2-32. DC Power Supply PWB Schematic (Single Units)
GND
GND
DC IND
EXCV
RFV
HV OUT
SHUTDOWN
RFV
EXCV
GND
DC IND
+12V
+12V
+12V
+12V
+12V
NOTES
1. THIS DRAWING NO. SEP30330 REV. D.
2. TITLE: DC PCB, SINGLE SCHEMATIC.
3. ASSEMBLY DWG. NO. SAP30330.
4. ALL RESISTORS IN OHMS, 1/4W, 1%, UNLESS NOTED.
5. ALL CAPACITORS IN uF, UNLESS NOTED.
6. ** FACTORY SELECTED COMPONENT, IF NEEDED.
+
C14
1.0
+
C2
6.8
C3
0.001
TP4
CR4
1D400400
TP0
+
C7
33
R4
3.9K
Q1
1T250001
TP3
CR3
1D440000
R17
10K
F3
1A
+
C11
1.0
+
C1
1.0
C10
0.001
R18
18K
C12
1.0
U4
1U352400
V-
1
V+
2
VREF
16
VIN
15
COMP
9
+SENSE
4
-SENSE
5
SHTDWN
10
RT
6
CT
7
CA
12
EA
11
CB
13
EB
14
OSCOUT
3
GND
8
L1
1L000006
TP2
+
-
U5C
10
9
8
R10
1.2K
1/2W
R16
22K
R21
4.7K
CR5
1D400400
C8
0.001
R13
100K
1W
+
-
U5D
12
13
14
R15
4.7K
+
-
U5A
3
2
1
U2
1U211000
LO
1
COM
2
VCC
3
-
4
VS
5
VB
6
HO
7
-
8
VDD
9
HIN
10
SD
11
LIN
12
VSS
13
-
14
R8
4.7
W2
DCHO
C15
0.001
Q3
1T952300
+
-
U5B
1U324000
5
6
7
411
TP5
C17
**
CR6
1D474400
R25
10K
C16
150pF
R9
4.7
JP1
R30
10K
Q2
1T250001
+
C9
3300
K1
9R190004
1
5
10
6
2
9
C4
0.047
+
C13
1.0
R11
1.2K
1/2W
R26
10K
CR7
**
R14
4.7K
F1
3A
R3
**
P1
GOLD FINGERS (22X)
1
2
3
4
5
6
7
8
9
10
11
12
13
14
15
16
17
18
19
20
21
22
CR9
1D523900
R5
1.8K
U3
1U211000
LO
1
COM
2
VCC
3
-
4
VS
5
VB
6
HO
7
-
8
VDD
9
HIN
10
SD
11
LIN
12
VSS
13
-
14
U1
1U352400
V-
1
V+
2
VREF
16
VIN
15
COMP
9
+SENSE
4
-SENSE
5
SHTDWN
10
RT
6
CT
7
CA
12
EA
11
CB
13
EB
14
OSCOUT
3
GND
8
C6
3.3
400V
R22
10K
CR2
1D440000
R12
100K
CR1
1D154000
R31
10K
1%
R28
10K
R6
10K
CR10
1D440000
R23
22K
1%
TP1
R29
10K
CR8
1D066200
R19
39K
R20
390
R2
10K
R27
10K
R7
33K
W3
GND
CR11
1D440000
R32
390
C5
0.047
W1
BTRY
F2
2A
R24
82.5K
1%

Table of Contents