EasyManua.ls Logo

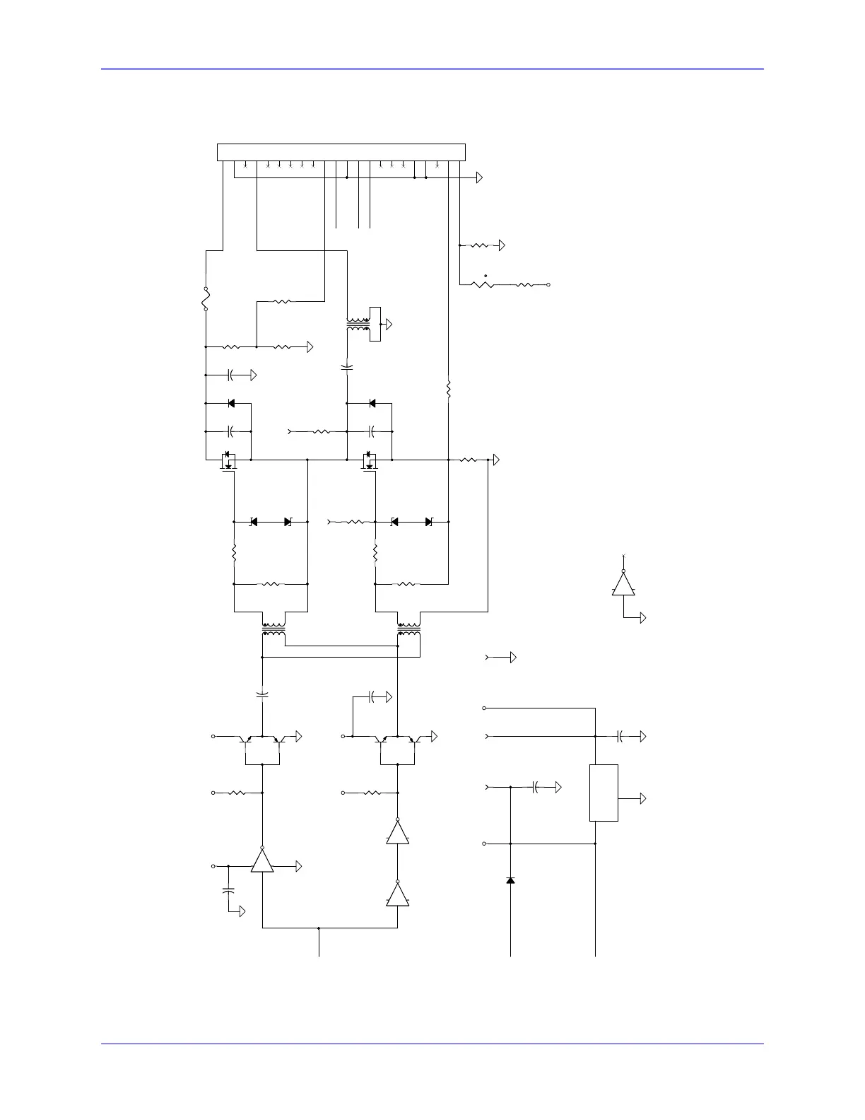
SAC SA100 - Figure 2-18. Power Amplifier Schematic

SAC SA100
224 pages
Print Icon
To Next Page IconTo Next Page
To Next Page IconTo Next Page
To Previous Page IconTo Previous Page
To Previous Page IconTo Previous Page
Loading...
SOUTHERN AVIONICS COMPANY
Model SA100 Dual2-30 Theory of Operation, Radiobeacon
Figure 2-18. Power Amplifier Schematic
CARR IN
LV
LV
VMOD
RF OUT
RFV
ISAM
VSAM
RFV
CARR IN
TSAM
+5V +12V
+12V
+12V +5V
+12V
+12V
+12V
NOTES
1. THIS DRAWING NO. SEP29600 REV. M.
2. TITLE: SPA PCB SCHEMATIC.
3. ASSEMBLY DWG. NO. SAP29600.
4. ALL RESISTORS 1/4W, 1%, UNLESS NOTED.
5. ALL CAPACITORS IN uF, UNLESS NOTED.
6. R15, R16, AND RT1 USED ON SLP29610 ONLY.
7. R9: 10K OHMS - SLP29600
39K OHMS - SLP29610
SEE NOTE 7.
C4
0.47
400V
C4
0.47
400V
CR2
1D474400
CR2
1D474400
R4
4.7
1/2 W
R4
4.7
1/2 W
TP2
+12V
TP2
+12V
A B
A' B'
T1
SLE12970
16:16
T1
SLE12970
16:16
C6
1.0
C6
1.0
CR4
1D474400
CR4
1D474400
R12
10K
R12
10K
Q3
1T372500
Q3
1T372500
Q1
1T372500
Q1
1T372500
TP0
GND
TP0
GND
TP4TP4
C5
1.0
400V
C5
1.0
400V
3 4
U2BU2B
1 2
147
U2A
1U740600
U2A
1U740600
Q4
1T403200
Q4
1T403200
C9
0.01
C9
0.01
+12V
1
+5V
3
VSS
2
U1
1U780500
U1
1U780500
R6
4.7
1/2 W
R6
4.7
1/2 W
R8
100K
1/2 W
R8
100K
1/2 W
R10
0.02
3 W
R10
0.02
3 W
R11
10K
R11
10K
R2
470
1/2 W
R2
470
1/2 W
C7
0.001
C7
0.001
F1
3A
F1
3A
Q5
1T250001
Q5
1T250001
+
C1
33
+
C1
33
t
RT1
1K
t
RT1
1K
A B
A' B'
T3
SLE45650
8:22
T3
SLE45650
8:22
R7
680
1/2 W
R7
680
1/2 W
TP1
+5V
TP1
+5V
CR5
1D440000
CR5
1D440000
R5
680
1/2 W
R5
680
1/2 W
5 6
U2CU2C
CR1
1D474400
CR1
1D474400
1
2
3
4
5
6
7
8
9
10
11
12
13
14
15
16
17
18
19
20
21
22
P1
GOLD FINGERS (22X)
P1
GOLD FINGERS (22X)
TP3TP3
A B
A' B'
T2
SLE12970
16:16
T2
SLE12970
16:16
CR9
1D400400
CR9
1D400400
R9
10K
R9
10K
C8
0.001
C8
0.001
CR3
1D474400
CR3
1D474400
C2
1.0
C2
1.0
Q6
1T250001
Q6
1T250001
Q2
1T403200
Q2
1T403200
R3
470
1/2 W
R3
470
1/2 W
CR6
1D440000
CR6
1D440000
9 8
U2DU2D
R14
33
R14
33
R16
1K
R16
1K
R15
1.5K
R15
1.5K
+
C3
33
+
C3
33
R13
100K
R13
100K

Table of Contents