EasyManua.ls Logo

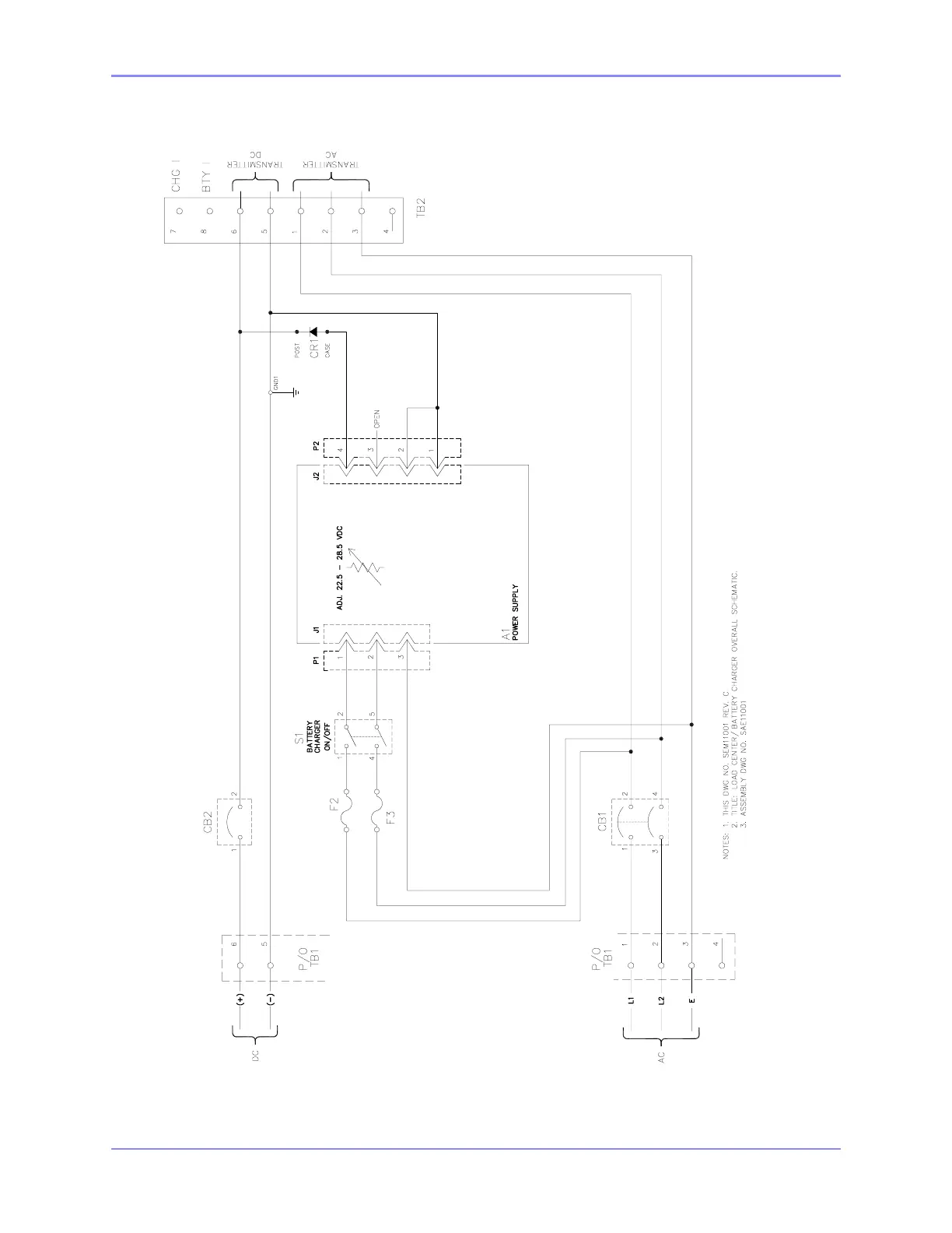
SAC SA100 - Figure 4-1. Load Center;Battery Charger 110 VAC (Standalone) Overall Schematic

SAC SA100
224 pages
Print Icon
To Next Page IconTo Next Page
To Next Page IconTo Next Page
To Previous Page IconTo Previous Page
To Previous Page IconTo Previous Page
Loading...
SOUTHERN AVIONICS COMPANY
Model SA100 Dual 4-21Installation and Operation
Figure 4-1. Load Center/Battery Charger 110VAC (Standalone) Overall Schematic

Table of Contents