EasyManua.ls Logo

Salus iT500RX - Page 10

Salus iT500RX
52 pages
Print Icon
To Next Page IconTo Next Page
To Next Page IconTo Next Page
To Previous Page IconTo Previous Page
To Previous Page IconTo Previous Page
Loading...
10
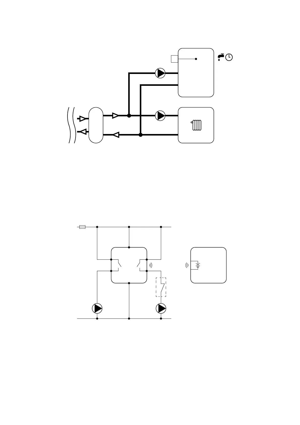
B - Radiator system pump and hot water pump control (pumps parallel operation or with DHW priority)
Hydraulic diagram:
Electric diagram:
Parallel operation of pumps:
P1
P2
DHW
TAT10F
TIMER
L
AC 230V
P1 P2
N
COMCOM
NONO
iT500RX
N
L
iT500TX
3V
2 x AA
AT10F
1
C
CH
OUTPUT
AUX
OUTPUT

Table of Contents

Other manuals for Salus iT500RX

Related product manuals