EasyManua.ls Logo

Salus iT500RX - 2.3.2 Wiring diagrams for single heating zone and hot water timer

Salus iT500RX
52 pages
Print Icon
To Next Page IconTo Next Page
To Next Page IconTo Next Page
To Previous Page IconTo Previous Page
To Previous Page IconTo Previous Page
Loading...
9
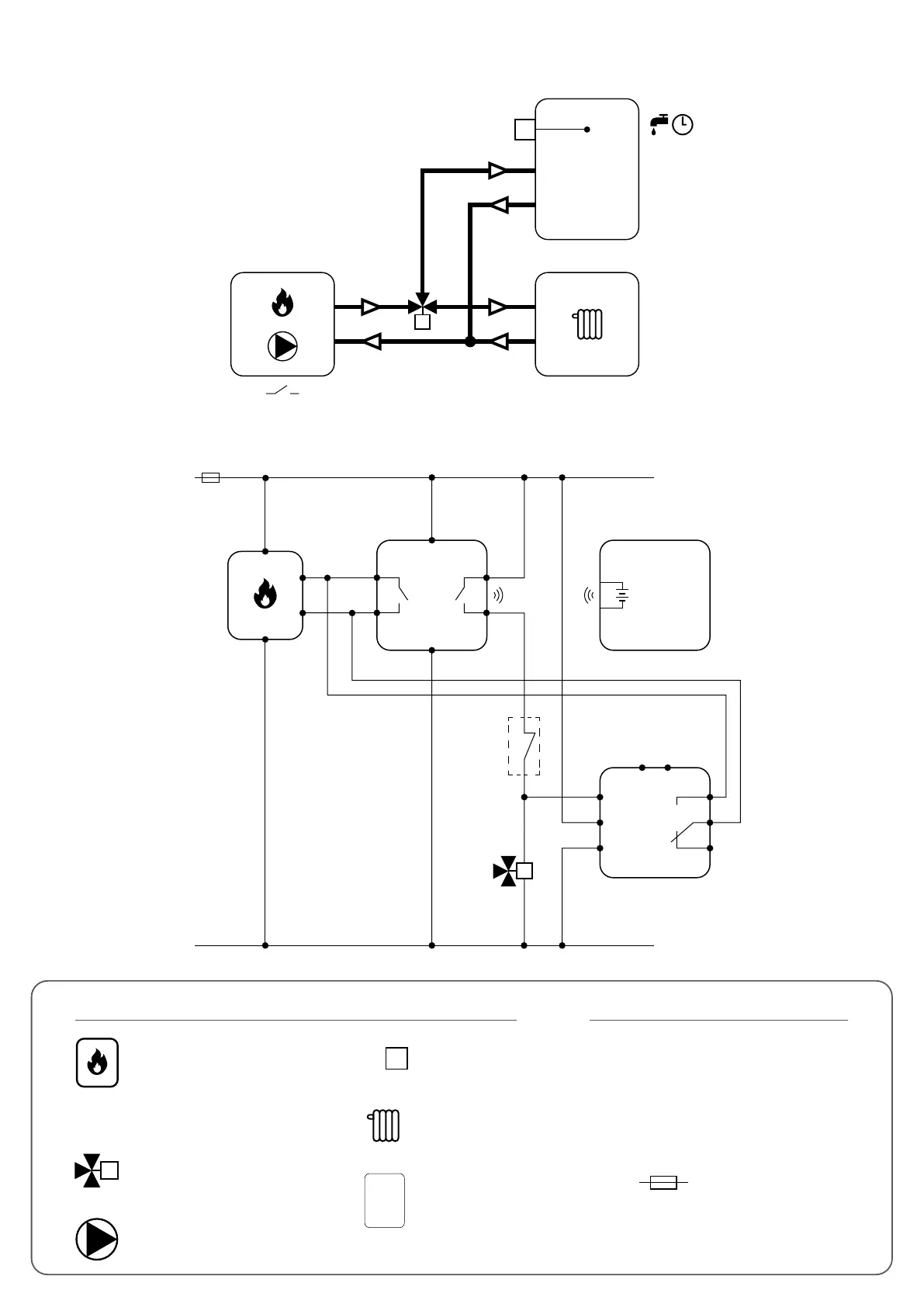
A - Boiler (radiator system) and hot water pump control
2.3.2 Wiring diagrams for single heating zone and hot water timer
M
ON / OFF
TAT10F
TIMER
Hydraulic diagram:
Electric diagram:
N
L
L
AC 230V
N
COMCOM
NONO
iT500RX
N
L
iT500TX
3V
2 x AA
M
RM-16A
NO
NO
COM
COM
AT10F
1
C
NC
SL
N
L
L, N - power supply 230V
NO, COM, NC - voltage-free output
SL - 230V AC voltage output
- fuse
Legend: Symbols explanation:
Changeover valve
DHW immersion
thermostat
Radiator heating
Hot water tank
Pump
Boiler - Boiler connection*
- Boilers contacts for ON/OFF
thermostat (according to the
boiler’s instructions)
M
TAT10F
BOILER CONNECTION *
(input)
DHW
DHW
CH
OUTPUT
AUX
OUTPUT

Table of Contents

Other manuals for Salus iT500RX

Related product manuals