EasyManua.ls Logo

Salus iT500RX - 2.3.3 Wiring diagrams for two heating zones

Salus iT500RX
52 pages
Print Icon
To Next Page IconTo Next Page
To Next Page IconTo Next Page
To Previous Page IconTo Previous Page
To Previous Page IconTo Previous Page
Loading...
12
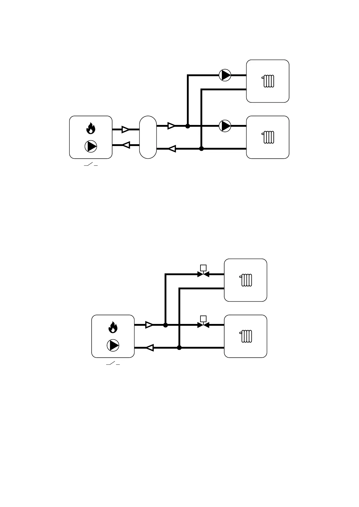
2.3.3 Wiring diagrams for two heating zones
A
B
ON / OFF
P1
P2
ON / OFF
M1
M2
M
M
Hydraulic diagram:
II zone
II zone
I zone
I zone
Hydraulic diagram:

Table of Contents

Other manuals for Salus iT500RX

Related product manuals