EasyManua.ls Logo

Samson TROVIS 5571 - Page 53

Samson TROVIS 5571
86 pages
Print Icon
To Next Page IconTo Next Page
To Next Page IconTo Next Page
To Previous Page IconTo Previous Page
To Previous Page IconTo Previous Page
Loading...
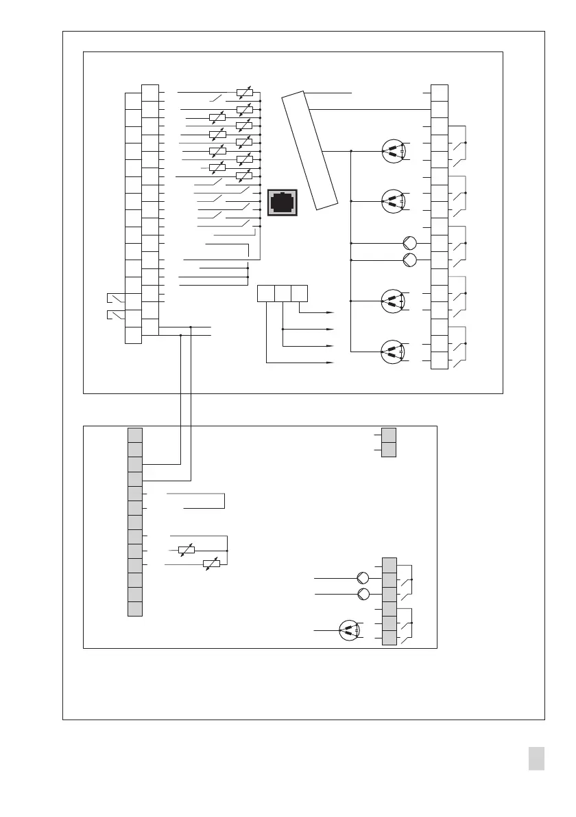
EB 5571-2 EN 53
RK4(HK1)
GND
UE1
UE2
UE3
UE4
UE5
UE6
UE7
UE8
UE9
UE10
UE11
UE12
UE13
UE14
UE15
UE16
UE17
AA4
AA3
BA1
BA2
AA2
AA1
30
29
28
27
26
25
24
23
21
22
20
19
18
17
16
15
14
13
12
11
10
9
8
7
6
5
4
2
3
1
GND
AA_GND
RK1
RK2
Frg_WT1
Frg_WT2
SM_WT1
SM_WT2
SM_Pu1
SRM1
SM_Pu2
AF
RüF1
RüF2
VF1
VF2
SRM2
VFg
WWA [ext Bdf]
L1N
MODBUS
RS-232
_
+
_
+
RK2
Pu1
Pu2
L1
L1
L1
N
+
BA9
BA8
BA7
BA6
BA4
BA10
BA12
BA11
BA5
BA3
50 49 48
31
32
33
34
35
36
37
38
39
40
41
42
43
44
45
46
47
RS485-A
RS485-B
AA6
BE5
BE4
BE3
BE2
BE1
21
20
19
18
17
16
15
14
13
12
11
10
9
RüF4
VF4
GND
HK1
_
+
Pu4(HK1)
L1
L1
BA3
BA4
BA1
BA2
3
2
1
6
5
4
RK1
_
+
Kl1
_
+
Kl2
SF1
SF2 [VF4]
TROVIS 5571: WT71
[RK4(HK1)]
SLP
8
7
1402-0328 (1)
L1
N
230 V AC
N
N
230 V AC
N
SSM
0...10V COM
System Anl 1.5

Table of Contents

Other manuals for Samson TROVIS 5571

Related product manuals