EasyManua.ls Logo

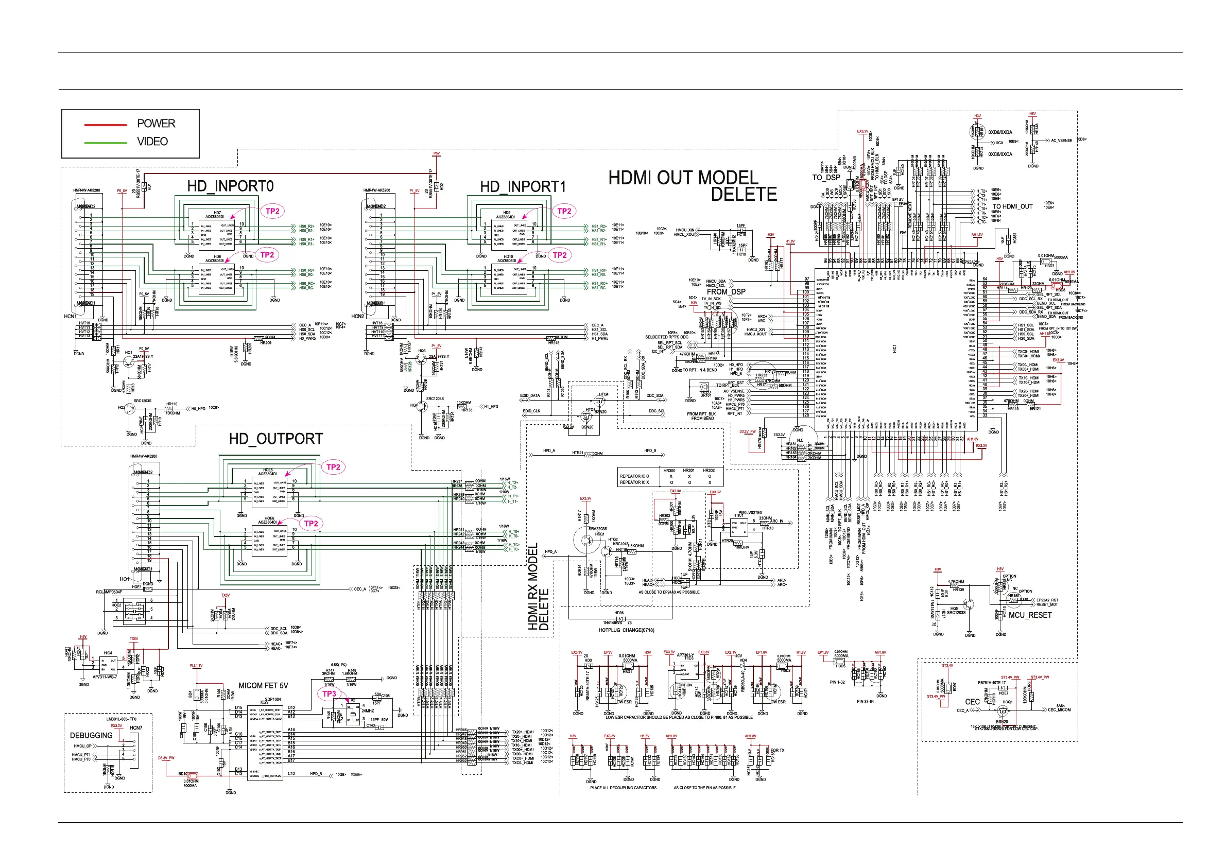
Samsung HT-E5550 - 6.11. HDMI OUT_RX

Samsung HT-E5550
92 pages
Print Icon
To Next Page IconTo Next Page
To Next Page IconTo Next Page
To Previous Page IconTo Previous Page
To Previous Page IconTo Previous Page
Loading...
6.SchematicDiagram
6.11.HDMIOUT_RX
HD_INP ORT0
TO HDMI_OUT
FR OM BACKEND
FR OM BACKEND
TO HDMI_OUT
MCU_RES ET
15 K->10K (1104 28) F OR CE C CU RR ENT
S TK7002->BS N20 FOR LOW CE C CAP .
FR OM RP T_ IN TO 1S T S W
0XD8/0XDA
TO HDMI_OUT
0XC8/0XCA
RE MOVE NEXT
TO DSP
TO HMCU_BLK
FR OM HMCU_BLK
TO_ DSP
DELETE
FR OM_DS P
TO RPT _BLK
NC
NC
CEC
FR OM HDMI_OUT
PIN 33- 64
N.C
FR OM MAIN
FR OM MAIN
FR OM BEN D
TO R PT_BLK
FR OM BEND
FR OM RP T_ BLK
O
X
HR3 02
X
O
PIN 1- 32
LOW ES R
FO R TX
TO RPT _IN & BEND
SE LDECTED R PT 'S D DC
LOW ES R CAPACITOR SH OULD BE PLACED AS CLOS E T O P IN80, 81 AS PO SS IBLE
HR3 01
AS CLOS E TO EP 94A3 AS P OS S IBLE
HDMI OUT MODEL
HD_INP ORT1
X
HR3 00
O
RE P EATOR IC O
RE P EATOR IC X
DELETE
HDMI RX MODEL
HOTP LUG_CHANGE(071 8)
LOW ES R
4.6K( 1%)
HD_OUTPO RT
MICOM FET 5 V
DEBUGGING
AS CLOS E TO THE P IN AS P OSS IBLEP LACE ALL DECOUP LING CAPACITORS
HBD8
5000M A
0.01OH M
AH1.8V
H_T2+
H_T2-
H_T1+
H_T1-
H_T0-
H_T0+
H_TC +
H_TC -
HS 1_RC-
HS 1_RC+
HS 1_R0-
HS 1_R0+
HS 1_R1-
HS 1_R1+
HS 1_R2-
HS 1_R2+
10 E11<
10 E11<
10 E11<
10 E11<
10 E11<
10 E11<
10 E11<
10 E11<
HS0_R1+
HS0_R1-
10 E10 <
10 E10 <
HS0_R2-
10 E10 <
HS0_R2+
10 E10 <
HS0_RC-
HS0_RC+
HS0_R0-
HS0_R0+
10 E10 <
10 E10 <
10 E10 <
10 E10 <
MGND2
7
HR1 28
S T3.4 V_P W
S T3.4 V_P W
RB7 51V-40TE-17
S T3.4 V_P W
S T3.4 V
H3V
H3V
H3V
D3.3V_P W
AH1.8V
EX3.3V
EX3.3V
AH1.8V
H5V
H3V
HBD3
5000M A
0.01 OHM
EX3.3V
H3V
AH1.8V
H1.8V
H3V
EX3.3V
EX3.3V
EX3.3V
AH1.8VEP 1.8 VEX3.3V EP 3V H3V
EX3.3V
EX3.3V
EX2.1V EP 1.8V H1.8 V
AH1.8VAH1.8 VH1.8VEX3.3VH3V
BD10
0.01OHM
50 00MA
10 E10>
10 E9>
HR1 41
1/16 W
2S A1979 S -Y
HR1 31
56KOH M
P1_5V
P5V
P1_5V
D3.3V_P W
EX3.3V
PLL1.1V
TX5V
H5V
TX5V
P0_5V
P0_5V
HD1
RB551V- 30TE-1 7
HPD_B
HMCU_OP
HMCU_P71
HMCU_P70
DDC_S DA
DDC_S CL
HEAC+
HEAC-
CEC _A
H0_HPD
HS0_S CL
HS0_S DA
H0_PWR5
CEC_A
TXC0-_HD MI
TXC0+_HD MI
TX00-_HD MI
TX00+_ HDMI
TX10+_ HDMI
TX20-_HD MI
TX20+_ HDMI
TX10-_HD MI
HPD_A
HPD_A
EDID_CLK
HEAC-
HEAC+
HP D_B
DDC_ S CL
H1_HPD
HS 1_S DA
HS 1_S CL
CE C_ A
EDID_DATA
BEND_SD A
BEND_SCL
H1_ P WR5
DDC_ S CL_RX
DDC_ S DA
DDC_ S DA_RX
I2C_ INT
ARC-
ARC+
ARC_ IN
RP T_INT
BEND_ S DA
BEND_ S CL
MAIN_S DA
MAIN_S CL
HP D_A
HMCU_S CL
HMCU_S DA
RE S ET_MOT
CE C_MICOM
RE S ET_MOT
EP 92A2_RS T
HS 0_R0+
HS 0_R0-
HS 0_RC+
HS 0_RC-
HMCU_O P
HS 0_R1-
HS 0_R1+
HS 0_R2-
HS 0_R2+
HS 1_RC-
HS 1_RC+
HS 1_R0-
HS 1_R0+
HS 1_R1-
HS 1_R1+
HS 1_R2-
HS 1_R2+
S EL_RP T_S CL
S EL_RP T_S DA
HP D_B
HMCU_XOUT
HMCU_S CL
AC_VS ENS E
RP T_RS T
H1_ HP D
H0_ HP D
HMCU_S DA
TV_IN_S D
TV_IN_WS
TV_IN_S CK
HMCU_P 71
HMCU_P 70
H1_ P WR5
H0_ P WR5
HMCU_XOUT
HMCU_XIN
ARC-
ARC+
IICA
HMCU_XIN
H_S D0
H_WS
H_S CK
H_MCLK
H_S P DIF
HS 1_S CL
TX00-_ HDMI
TX00+_HDMI
TX10-_ HDMI
TX20+_HDMI
TX10+_HDMI
TXC0+_HDMI
TXC0-_ HDMI
HS 0_S DA
HS 1_S DA
TX20-_ HDMI
HS 0_S CL
DDC_ S CL_RX
S EL_RP T_S CL
BEND_ S CL
DDC_ S DA_RX
S EL_RP T_S DA
BEND_ S DA
H_TC+
H_TC-
RP T_RS T
HMCU_XOUT
RP T_INT
H_S D1
H_S D2
H_S D3
H_T1 +
H_T2 -
H_T2 +
H_T0 +
H_T1 -
H_T0 -
IICA
AC_VS ENS E
DGND
1KOHM
HOR 15
DGND
DGND
10 D8> 10 E 8>
SDP1004
IC29
A12
A14
A15
A16
A17
B12
B13
B14
B15
B16
B17
C12C13
C14
C15
C16
C17
D12
D13
D14
D15
DGND
DGND DGND DGND DGND
LM301L-005- TF0
HCN7
1
2
3
4
5
DGND
1.3KOHM
HOR 3
10KOH M
HOR 1
DGND
1UF
HOC 1
AP7311-WG-7
HIC4
1
2
3 4
5
15 KOHM
HOR 2
10 UF
HOC 2
DGND
RCLAMP0504F
HOE2
1
2
3 4
5
6
HMR4W-AK520 0
HO1
1
2
3
4
5
6
7
8
9
10
11
12
13
14
15
16
17
18
19
MGND1
MGND2
MGND3
MGND4
HOE1
DGND
SRC 1203 S
HQ2
DGND
16V
100 NF
C2 8
DGND
16V
100 NF
C1 05
10U F
6.3 V
C1 06
100 NF
16V
C1 07
1UF
6.3 V
C1 44
500 0MA
0.0 1OH M
BD4
2OH M
1/1 0W
R1 44
10 UF
HOC 3
2KOHM
HOR 4
2KOHM
HOR 5
10 F7 <>
10 F7 <>
10 D8<
10 D8<>
1/1 6W
3KOHM
R147
DGND
470 NF
HC1 1
200KOH M
HR1 9
DGND
AOZ88 04 DI
HOE6
1
2
3
4
5 6
7
8
9
10
DGND
AOZ88 04 DI
HOE5
1
2
3
4
5 6
7
8
9
10
DGND
DGND
DGND
HVT12
HVT13
HVT10
HVT11
DGND
56KOH M
HR1 2
4.7KOHM
HR1 3
2SA 19 79 S -Y
HQ1
56KOH M
HR1 7
1KOHM
HR1 1
HMR4W-AK520 0
HCN1
1
2
3
4
5
6
8
9
10
11
12
13
14
15
16
17
18
19
MGND1
MGND2
MGND3
MGND4
DGND
10KOH M
HR1 6
20
P0_5V
10 KOHM
HR110
10 C8>
47KOH M
HR1 8
DGND
DGND
AOZ88 04 DI
HD8
1
2
3
4
5 6
7
8
9
10
AOZ88 04 DI
HD7
1
2
3
4
5 6
7
8
9
10
1/16 W
5.6 KOHM
HR2 06
DGND
1KOHM
HR209
10 C12 <
10 D8<
10 F1 1<>
10 F4 <
10 C7<
10 C12 <
DGND
DGND
1/1 0W
2MOHM
R1 46
24MHZ
X2
1
2 3
4
50 V12 P F
C143
50V
15PF
C108
DGND
DGND
1.6KOHM
1/1 6W
R148
1/1 6W0OH M
HTR9
1/1 6W0OH M
HTR1 0
1/1 6W0OH M
HTR1 1
1/1 6W0OH M
HTR1 2
1/1 6W0OH M
HTR1 3
1/1 6W0OH M
HTR1 4
1/1 6W0OH M
HTR1 5
1/1 6W0OH M
HTR1 6
1/1 6W0OHM
HR9 53
1/1 6W
0OHM
HR9 52
1/1 6W0OHM
HR9 51
0OHM
1/1 6W
HR9 50
1/1 6W0OHM
HR9 49
1/1 6W0OHM
HR9 48
1/1 6W0OHM
HR9 47
1/1 6W0OHM
HR9 46
10 C12 <
10 C12 <
10 C12 <
10 D12 <
10 D12 <
10 D12 <
10 D12 <
10 D12 <
1/1 6W0OHM
HTR1
1/1 6W0OHM
HTR2
0OHM 1/16W
HTR3
0OHM 1/16W
HTR4
0OHM 1/16W
HTR5
0OHM 1/16W
HTR6
0OHM 1/16W
HTR7
0OHM 1/16W
HTR8
10 C7<
10 F1 1<> 10 C3<
1/1 6W
0OHM
HR9 44
1/1 6W
0OHM
HR9 43
0OHM
1/1 6W
HR9 42
1/1 6W
0OHM
HR9 41
1/1 6W
0OHM
HR9 40
DGND
SRC120 3S
HQ4
DGND
470 NF
HC1 6
200KOH M
HR1 34
0OHM
1/1 6W
HR9 39
1/1 6W
0OHM
HR9 38
1/1 6W
0OHM
HR9 37
10 0NF
HC1 16
10 0NF
HC1 17
10 0NF
HC1 19
DGND
10 0NF
HC1 20
RB5 51 V-30TE-17
20
HD3
10 0NF
HC1 36
10 0NF
HC1 38
10 0NF
HC1 41
DGND
10 UF
HC1 25
10 0NF
HC1 27
1UF
HC1 29
10 UF
HC1 33
10 0NF
HC1 32
10 0NF
HC1 34
10 0NF
HC1 37
10 0NF
HC1 39
DGND
10 0NF
HC1 35
DGND
10 UF
OP TION
HC1 47
5000M A
0.01OH M
HBD1
75
1N4148W S
HD36
AP7361- Y
HIC3
1
2
3 4
5
DGND
47 KOHM
1/1 6W
HOR1 4
SR A2203S
HTQ1
1KOHM
HTR1 7
0O HM
HTR2 1
EX3.3V
BS N20
HTQ3
DGND
KRC1 04S
HTQ2
12 KOHM
1/1 6W
HRT1 9
7.5KO HM
HRT1 8
10 G3>
10 G3>
1UF
HOC4
1UF
HOC5
DGND
0O HM
HR3 02
10 KOHM
HR3 00
6.3V
10 UF
HC3 00
10 KOHM
HR3 01
DGND
DGND
56KOH M
HVT110
HVT111
HVT18
HVT19
1KOHM
HR1 27
HQ3
HMR4W-AK520 0
HCN2
1
2
3
4
5
6
7
8
9
10
11
12
13
14
15
16
17
18
19
MGND1MGND3
MGND4
DGND
4.7KOHM
HR1 29
10 KOHM
HR1 35
DGND
5.6 KOHM
10KOH M
HR1 30
P1_5V
47KOH M
HR1 33
DGND
AOZ88 04 DI
HD10
1
2
3
4
5 6
7
8
9
10
DGND
AOZ88 04 DI
HD9
1
2
3
4
5 6
7
8
9
10
RB551V- 30TE-1 7
20
HD2
1KOHM
HR1 45
0OHM
R1050
0OHM
R101
BS N20
HTQ4
DGND
DGND
0O HM
R1 06
0O HM
R1 13
DGND
10 0NF
HC1 43
10 0NF
HC1 44
10 0NF
HC1 48
10 0NF
HC1 50
10 0NF
HC1 52
DGND
10 UF
HC1 42
DGND
33 0OH M
HR2 00
47 UF
HC1 57
10 0NF
HC1 56
10 UF
HC1 61
10 UF
HC1 63
10 0NF
HC1 65
10 0NF
HC1 59
47 UF
HC1 64
DGND
10 0NF
HC1 66
1UF
HC1 67
56 0OH M
HR2 01
40V
RB0 50 LA-40
HD4
47 UF
HC1 69
DGND
10 0NF
HC1 71
0.01 OHM
5000M A
HBD2
0.01 OHM
5000M A
HBD5
47 UF
HC1 55
10 0NF
HC1 58
51OH M
HOR1 2
51OH M
HOR1 3
4.7 OHM
HOR1 1
DGND
PI90LV02T EX
HTIC1
1
2
3 4
5
16V
100NF
HTC1
DGND
6.3 V
1UF
HTC2
10 KOHM
HTR2 0
33OH M
HTR1 8
10 KOHM
HR1 76
2KOHM
HR1 84
2KOHM
HR1 83
EX3.3V
2KOHM
*
NC
HR1 82
*
2KOHM
NC
HR1 81
DGND
EP 92A2S
HIC1
1
2
3
4
5
6
7
8
9
10
11
12
13
14
15
16
17
18
19
20
21
22
23
24
25
26
27
28
29
30
31
32
33
34
35
36
37
38
39
40
41
42
43
44
45
46
47
48
49
50
51
52
53
54
55
56
57
58
59
60
61
62
63
64
65
66
67
68
69
70
71
72
73
74
75
76
77
78
79
80
81
82
83
84
85
86
87
88
89
90
91
92
93
94
95
96
97
98
99
10 0
10 1
10 2
10 3
10 4
10 5
10 6
10 7
10 8
10 9
11 0
11 1
11 2
11 3
11 4
11 5
11 6
11 7
11 8
11 9
12 0
12 1
12 2
12 3
12 4
12 5
12 6
12 7
12 8
12 B5>
12 B5>
10 C8<
10 C8<
10 C12<10 C6<
10 C12< 1 0C7<>
10 F6> 8 H6<>10 E6<
10 G12>
DGND
DGND
50 00MA
0.01 OHM
BD97
10 0NF
HC1 60
47 UF
HC1 62
DGND
75
1N4148W S
HD37
6.3V
10 UF
HC1 12
CE C_ A
27 KOHM
HOR 10
BS N20
HOQ 1
HOE 7
8A6<
12 0KOHM
HOR 9
DGND
SR C1203S
HQ5
10 0NF
HC1 13
DGND
OP TION
22KOH M
HR1 58
OP TION
0O HM
HR1 59
4.7KO HM
HR1 39
10 A8<
10 C3>
10 C3>
10 B3>
10 B3>
10 B3>
10 B3>
10 B3>
10 B3>
10 C7>
10 C7>
10 B7>
10 B7>
10 B7>
10 B7>
DGND
10 B7>
10 B7>
DGND
UR1 01
HLED
47KO HM
HR1 68
NC
*
10 KOHM
HR1 69
10 KOHM
HR1 53
10 KOHM
HR1 54
10 KOHM
NC
*
HR1 55
10 KOHM
NC
*
HR1 56
10 A8>
10 A8>
10 C7>
68OH M
HR1 71
47KO HM
HR2 33
10 D2<
10 KOHM
HR1 57
10 B10<10F8<
10 F9>
10 C9>10B10<
10MO HM
HR1 40
18.4 32MHZ
HX1
5C 4>
5B4 >
5C 4>
10 F9>
15PF
HC1 9
15PF
HC1 8
DGND
2KOHM
HR1 65
0O HM
HR1 70
2KOHM
HR1 77
100PF
HC1 21
75 OHM
HR1 85
75 OHM
HR1 87
75 OHM
HR1 89
75 OHM
HR1 90
2.2KOHM
HR1 92
68OH M
HR2 32
4.7NF
HC1 31
10 C9<
DGND
5B4 <
10 A11>
5B4 <
5B4 <
5B4 <
9D1 0<
2.2UF
HC1 30
5000M A
0.01OH M
HBD6
DGND
75 OHM
HR1 01
75 OHM
HR1 00
75 OHM
HR1 02
P 5V
10 0NF
HC1 45
10 0NF
HC1 46
10 0NF
HC1 49
10 0NF
HC1 53
10 0NF
HC1 51
10 0NF
HC1 54
470OH M
HR1 19
10 H6>
10 H6>
10 H6>
10 H6>
10 H6>
0O HM
HR1 21
10 H6>
10 H6>
10 H6>
10 C3>
10 C3>
10 C7>
DGND
10 C7<>
10 C7>
270OH M
HR1 14
10 0NF
HC1 68
10 C8<>
22 OHM
HR1 20
1UF
HC1 70
DGND
10 UF
HC8 51
5000M A
0.01OH M
HBD7
10 F8<1 0 C9>
10 D8>
10 D8<
5B4 <
5B4 <
5A4<
EP 3V
EP 1.8V
DGND
1UF
HC1 40
51 0O HM
HR1 05
51 0O HM
HR1 06
51 0O HM
HR1 07
51 0O HM
HR1 08
51 0O HM
HR1 09
51 0O HM
HR1 12
10 F6<
10 F6<
10 E6<
10 E6<
10 E6<
10 E6<
10 E6<
10 E6<
10 KOHM
HR1 52
DGND
10 B9<
DGND
20 0KOHM
HR1 49
NC
10 KOHM
*
HR1 51
10 0KOHM
HR1 48
10 D8<
DGND
E
B
C
E
B
C
E
B
C
Q3
Q2Q1
Q0
OUT_LINES
GND
OUT_LINESIN_LINES
GND
IN_LINES
IN_LINES
IN_LINES O UT_LINES
OUT_LINES
OUT_LINES
GND
OUT_LINESIN_LINES
GND
IN_LINES
IN_LINES
IN_LINES O UT_LINES
OUT_LINES
E
B
C
E
B
C
S
D
G
OUT
ADJEN
GND
IN
OUT_LINES
GND
OUT_LINESIN_LINES
GND
IN_LINES
IN_LINES
IN_LINES O UT_LINES
OUT_LINES
OUT_LINES
GND
OUT_LINESIN_LINES
GND
IN_LINES
IN_LINES
IN_LINES O UT_LINES
OUT_LINES
OUT_ LINES
GND
OUT_ LINESIN_LINES
GND
IN_LINES
IN_LINES
IN_LINES OUT_ LINE S
OUT_ LINES
OUT_ LINES
GND
OUT_ LINESIN_LINES
GND
IN_LINES
IN_LINES
IN_LINES OUT_ LINE S
OUT_ LINES
E
B
C
OUT
INADJ/NC
GND
EN
E
B
C
S
D
G
S
D
G
MCU_P11
MCU_P12
MCU_P13
MCU_P14
MCU_P70
MCU_P71
MCU_P40
MCU_P41
MCU_P10
VSS E
MCU_P27
MCU_P26
MCU_P25
MCU_P24
MCU_P23
MCU_P22
MCU_P21
MCU_P20
MCU_VDD
MCU_XOUT
MCU_XIN
VSS E
ARC-
ARC+
VDDE
IIS_S D_IN
IIS_WS_I N
IIS_S CK_ IN
RE G_V33
RE G_VIN
COMR
AVSS
TX2+
TX2-
AVDD18
TX1+
TX1-
AVSS
TXC0+
TXC0-
AVDD18
TXC+
TXC-
AVSS
PVSS
PVDD18
SWING
DDCR_SC L
AVDD
RX22-
RX22+
AVSS
EXT_RE S
AVSS
RX21+
RX21-
AVDD
RX11+
RX11-
AVDD33
RX01+
RX01-
AVSS
RXC1+
RXC1-
AVDD
RX20+
RX20-
AVDD
RX10+
RX10-
AVDD33
RX00+
RX00-
AVSS
RXC0+
RXC0-
AVDD
MCU_OP
MCU_P45
MCU_RS TB
VSS E
MCU_P37
MCU_P36
MCU_P35
MCU_P34
MCU_P31
DDCT_S CL
DDC2_SC L
DDCR_SD A
DDCT_S DA
DDC2_SDA
VDDE
DDC1_SC L
DDC1_SDA
DDC0_SC L
DDC0_SDA
VSS E
AVDD
RXC2-
RXC2+
AVSS
RX02-
RX02+
AVDD33
RX12-
VDD18
VSS E
SC L2/SCL3
SD A2/S DA3
IIS_S D0
IIS_WS
IIS_S CK
MCLK
SPDIF
VDD18
VSSE
PLL_XFC _A
VDD_PLL
X_IN
EXT_R ST B
INTB
IIS_S D1
IIS_S D2
IIS_S D3
RE G_V18
RX12+
MCU_P30
i_HDMI_HOTP LUG
o_AY_HDMITX_TXCN
o_AY_HDMITX_TXCP
o_AY_HDMITX_TX0N
o_AY_HDMITX_TX0P
o_AY_HDMITX_TX1N
o_AY_HDMITX_TX1P
o_AY_HDMITX_TX2N
o_AY_HDMITX_TX2P
o_AY_HDMITX_CLKO
i_AY_HDMITX_CLKI
i_AY_HDMITX_REXT
VDDOS C
VSSOSC
VSSA 3
VSSA 2
VSSA 1
VSSA
VDDPLL
VDDA1
VDDA
ROUT
BA
GND
VCC
HD_I
NP ORT0
TO HDMI_OUT
FR OM BACKEND
FR OM BACKEND
TO HDMI_OUT
MCU_RES ET
15 K->10K (1104 28) F OR CE C CU RR ENT
S TK7002->BS N20 FOR LOW CE C CAP .
FR OM RP T_ IN TO 1S T S W
0XD8/0XDA
TO HDMI_OUT
0XC8/0XCA
RE MOVE NEXT
TO DSP
TO HMCU_BLK
FR OM HMCU_BLK
TO_ DSP
DELETE
FR OM_DS P
TO RPT _BLK
NC
NC
CEC
FR OM HDMI_OUT
PIN 33- 64
N.C
FR OM MAIN
FR OM MAIN
FR OM BEN D
TO R PT_BLK
FR OM BEND
FR OM RP T_ BLK
O
X
HR3 02
X
O
PIN 1- 32
LOW ES R
FO R TX
TO RPT _IN & BEND
SE LDECTED R PT 'S D DC
LOW ES R CAPACITOR SH OULD BE PLACED AS CLOS E T O P IN80, 81 AS PO SS IBLE
HR3 01
AS CLOS E TO EP 94A3 AS P OS S IBLE
HDMI OUT MODEL
HD_INP ORT1
X
HR3 00
O
RE P EATOR IC O
RE P EATOR IC X
DELETE
HDMI RX MODEL
HOTP LUG_CHANGE(071 8)
LOW ES R
4.6K( 1%)
HD_OUTPO RT
MICOM FET 5 V
DEBUGGING
AS CLOS E TO THE P IN AS P OSS IBLEP LACE ALL DECOUP LING CAPACITORS
5000M A
0.01OH M
AH1.8V
S T3.4 V_P W
S T3.4 V_P W
RB7 51V-40TE-17
S T3.4 V_P W
S T3.4 V
H3V
H3V
H3V
D3.3V_P W
AH1.8V
EX3.3V
EX3.3V
AH1.8V
H5V
H3V
5000M A
0.01 OHM
EX3.3V
H3V
AH1.8V
H1.8V
H3V
EX3.3V
EX3.3V
EX3.3V
AH1.8VEP 1.8 VEX3.3V EP 3V H3V
EX3.3V
EX3.3V
EX2.1V EP 1.8V H1.8 V
AH1.8VAH1.8 VH1.8VEX3.3VH3V
0.01OHM
50 00MA
1/16 W
2S A1979 S -Y
56KOH M
P1_5V
P5V
P1_5V
D3.3V_P W
EX3.3V
PLL1.1V
TX5V
H5V
TX5V
P0_5V
P0_5V
RB551V- 30TE-1 7
DGND
1KOHM
DGND
DGND
SDP1004
DGND
DGND DGND DGND DGND
LM301L-005- TF0
DGND
1.3KOHM
10KOH M
DGND
1UF
AP7311-WG-7
15 KOHM
10 UF
DGND
RCLAMP0504F
HMR4W-AK520 0
DGND
SRC 1203 S
DGND
16V
100 NF
DGND
16V
100 NF
10U F
6.3 V
100 NF
16V
1UF
6.3 V
500 0MA
0.0 1OH M
2OH M
1/1 0W
10 UF
2KOHM
2KOHM
1/1 6W
3KOHM
DGND
470 NF
200KOH M
DGND
AOZ88 04 DI
DGND
AOZ88 04 DI
DGND
DGND
DGND
DGND
56KOH M
4.7KOHM
2SA 19 79 S -Y
56KOH M
1KOHM
HMR4W-AK520 0
DGND
10KOH M
20
P0_5V
10 KOHM
47KOH M
DGND
DGND
AOZ88 04 DI
AOZ88 04 DI
1/16 W
5.6 KOHM
DGND
1KOHM
DGND
DGND
1/1 0W
2MOHM
24MHZ
FP21 V05
50V
15PF
DGND
DGND
1.6KOHM
1/1 6W
1/1 6W0OH M
1/1 6W0OH M
1/1 6W0OH M
1/1 6W0OH M
1/1 6W0OH M
1/1 6W0OH M
1/1 6W0OH M
1/1 6W0OH M
1/1 6W0OHM
1/1 6W
0OHM
1/1 6W0OHM
0OHM
1/1 6W
1/1 6W0OHM
1/1 6W0OHM
1/1 6W0OHM
1/1 6W0OHM
1/1 6W0OHM
1/1 6W0OHM
0OH M 1/16W
0OH M 1/16W
0OH M 1/16W
0OH M 1/16W
0OH M 1/16W
0OH M 1/16W
1/1 6W
0OHM
1/1 6W
0OHM
0OHM
1/1 6W
1/1 6W
0OHM
1/1 6W
0OHM
DGND
SRC120 3S
DGND
470 NF
200KOH M
0OHM
1/1 6W
1/1 6W
0OHM
1/1 6W
0OHM
10 0NF
10 0NF
10 0NF
DGND
10 0NF
RB5 51 V-30TE-17
20
10 0NF
10 0NF
10 0NF
DGND
10 UF
10 0NF
1UF
10 UF
10 0NF
10 0NF
10 0NF
10 0NF
DGND
10 0NF
DGND
10 UF
OP TION
5000M A
0.01OH M
75
1N4148W S
AP7361- Y
DGND
47 KOHM
1/1 6W
SR A2203S
1KOHM
0O HM
EX3.3V
BS N20
DGND
KRC1 04S
12 KOHM
1/1 6W
7.5KO HM
1UF
1UF
DGND
0O HM
10 KOHM
6.3V
10 UF
10 KOHM
DGND
DGND
56KOH M
1KOHM
HMR4W-AK520 0
DGND
4.7KOHM
10 KOHM
DGND
5.6 KOHM
10KOH M
P1_5V
47KOH M
DGND
AOZ88 04 DI
DGND
AOZ88 04 DI
RB551V- 30TE-1 7
20
1KOHM
0OHM
0OHM
BS N20
DGND
DGND
0O HM
0O HM
DGND
10 0NF
10 0NF
10 0NF
10 0NF
10 0NF
DGND
10 UF
DGND
33 0OH M
47 UF
10 0NF
10 UF
10 UF
10 0NF
10 0NF
47 UF
DGND
10 0NF
1UF
56 0OH M
40V
RB0 50 LA-40
47 UF
DGND
10 0NF
0.01 OHM
5000M A
0.01 OHM
5000M A
47 UF
10 0NF
51OH M
51OH M
4.7 OHM
DGND
PI90LV02T EX
16V
100NF
DGND
6.3 V
1UF
10 KOHM
33OH M
10 KOHM
2KOHM
2KOHM
EX3.3V
2KOHM
*
NC
*
2KOHM
NC
DGND
EP 92A2S
DGND
DGND
50 00MA
0.01 OHM
10 0NF
47 UF
DGND
75
1N4148W S
6.3V
10 UF
27 KOHM
BS N20
12 0KOHM
DGND
SR C1203S
10 0NF
DGND
OP TION
22KOH M
OP TION
0O HM
4.7KO HM
DGND
DGND
UR1 01
47KO HM
NC
*
10 KOHM
10 KOHM
10 KOHM
10 KOHM
NC
*
10 KOHM
NC
*
68OH M
47KO HM
10 KOHM
10MO HM
18.4 32MHZ
15PF
15PF
DGND
2KOHM
0O HM
2KOHM
100PF
75 OHM
75 OHM
75 OHM
75 OHM
2.2KOHM
68OH M
4.7NF
DGND
2.2UF
5000M A
0.01OH M
DGND
75 OHM
75 OHM
75 OHM
P 5V
10 0NF
10 0NF
10 0NF
10 0NF
10 0NF
10 0NF
470OH M
0O HM
DGND
270OH M
10 0NF
22 OHM
1UF
DGND
10 UF
5000M A
0.01OH M
EP 3V
EP 1.8V
DGND
1UF
51 0O HM
51 0O HM
51 0O HM
51 0O HM
51 0O HM
51 0O HM
10 KOHM
DGND
DGND
20 0KOHM
NC
10 KOHM
*
10 0KOHM
DGND
HBD8
HR1 28
HBD3
BD10
HR1 41
HR1 31
HD1
HOR 15
IC29
HCN7
HOR 3
HOR 1
HOC 1
HIC4
HOR 2
HOC 2
HOE2
HO1
HOE1
HQ2
C2 8
C1 05
C1 06
C1 07 C1 44
BD4
R1 44
HOC 3
HOR 4
HOR 5
R147
HC1 1
HR1 9
HOE6
HOE5
HVT12
HVT13
HVT10
HVT11
HR1 2
HR1 3
HQ1
HR1 7
HR1 1
HCN1
HR1 6
HR110
HR1 8
HD8
HD7
HR2 06
HR209
R1 46
X2
C143
C108
R148
HTR9
HTR1 0
HTR1 1
HTR1 2
HTR1 3
HTR1 4
HTR1 5
HTR1 6
HR9 53
HR9 52
HR9 51
HR9 50
HR9 49
HR9 48
HR9 47
HR9 46
HTR1
HTR2
HTR3
HTR4
HTR5
HTR6
HTR7
HTR8
HR9 44
HR9 43
HR9 42
HR9 41
HR9 40
HQ4
HC1 6
HR1 34
HR9 39
HR9 38
HR9 37
HC1 16
HC1 17
HC1 19
HC1 20
HD3
HC1 36
HC1 38
HC1 41
HC1 25
HC1 27
HC1 29
HC1 33
HC1 32
HC1 34
HC1 37
HC1 39
HC1 35
HC1 47
HBD1
HD36
HIC3
HOR1 4
HTQ1
HTR1 7
HTR2 1
HTQ3
HTQ2
HRT1 9
HRT1 8
HOC4
HOC5
HR3 02
HR3 00
HC3 00
HR3 01
HVT110
HVT111
HVT18
HVT19
HR1 27
HQ3
HCN2
HR1 29
HR1 35
HR1 30
HR1 33
HD10
HD9
HD2
HR1 45
R1050
R101
HTQ4
R1 06
R1 13
HC1 43
HC1 44
HC1 48
HC1 50
HC1 52
HC1 42
HR2 00
HC1 57
HC1 56
HC1 61
HC1 63
HC1 65
HC1 59
HC1 64
HC1 66
HC1 67
HR2 01
HD4
HC1 69
HC1 71
HBD2
HBD5
HC1 55
HC1 58
HOR1 2
HOR1 3
HOR1 1
HTIC1
HTC1
HTC2
HTR2 0
HTR1 8
HR1 76
HR1 84
HR1 83
HR1 82
HR1 81
HIC1
BD97
HC1 60
HC1 62
HD37
HC1 12
HOR 10
HOQ 1
HOE 7
HOR 9
HQ5
HC1 13 HR1 58
HR1 59
HR1 39
HLED
HR1 68
HR1 69
HR1 53
HR1 54
HR1 55
HR1 56
HR1 71
HR2 33
HR1 57
HR1 40
HX1
HC1 9
HC1 8
HR1 65
HR1 70
HR1 77
HC1 21
HR1 85
HR1 87
HR1 89
HR1 90
HR1 92
HR2 32
HC1 31
HC1 30 HBD6
HR1 01
HR1 00
HR1 02
HC1 45
HC1 46
HC1 49
HC1 53
HC1 51
HC1 54
HR1 19 HR121
HR1 14
HC1 68
HR1 20
HC1 70
HC8 51
HBD7
HC1 40
HR1 05
HR1 06
HR1 07
HR1 08
HR1 09
HR1 12
HR1 52
HR1 49
HR1 51
HR1 48
10 E11<
10 E11<
10 E11<
10 E11<
10 E11<
10 E11<
10 E11<
10 E11<
10 E10 <
10 E10 <
10 E10 <
10 E10 <
10 E10 <
10 E10 <
10 E10 <
10 E10 <
10 E10>
10 E9>
10 D8> 10 E8 >
10 F7 <>
10 F7 <>
10 D8<
10 D8<>
10 C8>
10 C12 <
10 D8<
10 F1 1<>
10 F4 <
10 C7<
10 C12 <
10 C12 <
10 C12 <
10 C12 <
10 D12 <
10 D12 <
10 D12 <
10 D12 <
10 D12 <
10 C7<
10 F1 1<> 10 C3<
10 G3>
10 G3>
12 B5>
12 B5>
10 C8<
10 C8<
10 C12<10 C6<
10 C12< 10C7<>
10 F6> 8H6 <> 10 E6<
10 G12>
8A6<
10 A8<
10 C3>
10 C3>
10 B3>
10 B3>
10 B3>
10 B3>
10 B3>
10 B3>
10 C7>
10 C7>
10 B7>
10 B7>
10 B7>
10 B7>
10 B7>
10 B7>
10 A8>
10 A8>
10 C7>
10 D2<
10 B10<10F8<
10 F9>
10 C9>10B10<
5C 4>
5B4 >
5C 4>
10 F9>
10 C9<
5B4 <
10 A11>
5B4 <
5B4 <
5B4 <
9D1 0<
10 H6>
10 H6>
10 H6>
10 H6>
10 H6>
10 H6>
10 H6>
10 H6>
10 C3>
10 C3>
10 C7>
10 C7<>
10 C7>
10 C8<>
10 F8<1 0 C9>
10 D8>
10 D8<
5B4 <
5B4 <
5A4<
10 F6<
10 F6<
10 E6<
10 E6<
10 E6<
10 E6<
10 E6<
10 E6<
10 B9<
10 D8<
H_T2+
H_T2-
H_T1+
H_T1-
H_T0-
H_T0+
H_TC +
H_TC -
HS 1_RC-
HS 1_RC+
HS 1_R0-
HS 1_R0+
HS 1_R1-
HS 1_R1+
HS 1_R2-
HS 1_R2+
HS0_R1+
HS0_R1-
HS0_R2-
HS0_R2+
HS0_RC-
HS0_RC+
HS0_R0-
HS0_R0+
HPD_B
HMCU_OP
HMCU_P71
HMCU_P70
DDC_S DA
DDC_S CL
HEAC+
HEAC-
CEC _A
H0_HPD
HS0_S CL
HS0_S DA
H0_PWR5
CEC_A
TXC0-_HD MI
TXC0+_HD MI
TX00-_HD MI
TX00+_ HDMI
TX10+_ HDMI
TX20-_HD MI
TX20+_ HDMI
TX10-_HD MI
HPD_A
HPD_A
EDID_CLK
HEAC-
HEAC+
HP D_B
DDC_ S CL
H1_HPD
HS 1_S DA
HS 1_S C L
CE C_ A
EDID_DATA
BEND_SD A
BEND_SCL
H1_ P WR5
DDC_ S CL_RX
DDC_ S DA
DDC_ S DA_RX
I2C_ INT
ARC-
ARC+
ARC_ IN
RP T_INT
BEND_ S DA
BEND_ S CL
MAIN_S DA
MAIN_S CL
HP D_A
HMCU_S CL
HMCU_S DA
RE S ET_MOT
CE C_MICOM
RE S ET_MOT
EP 92A2_RS T
HS 0_R0+
HS 0_R0-
HS 0_RC+
HS 0_RC-
HMCU_O P
HS 0_R1-
HS 0_R1+
HS 0_R2-
HS 0_R2+
HS 1_RC-
HS 1_RC+
HS 1_R0-
HS 1_R0+
HS 1_R1-
HS 1_R1+
HS 1_R2-
HS 1_R2+
S EL_RP T_S CL
S EL_RP T_S DA
HP D_B
HMCU_XOUT
HMCU_S CL
AC_VS ENS E
RP T_RS T
H1_ HP D
H0_ HP D
HMCU_S DA
TV_IN_S D
TV_IN_WS
TV_IN_S CK
HMCU_P 71
HMCU_P 70
H1_ P WR5
H0_ P WR5
HMCU_XOUT
HMCU_XIN
ARC-
ARC+
IICA
HMCU_XIN
H_S D0
H_WS
H_S CK
H_MCLK
H_S P DIF
HS 1_S CL
TX00-_ HDMI
TX00+_HDMI
TX10-_ HDMI
TX20+_HDMI
TX10+_HDMI
TXC0+_HDMI
TXC0-_ HDMI
HS 0_S DA
HS 1_S DA
TX20-_ HDMI
HS 0_S CL
DDC_ S CL_RX
S EL_RP T_S CL
BEND_ S CL
DDC_ S DA_RX
S EL_RP T_S DA
BEND_ S DA
H_TC+
H_TC-
RP T_RS T
HMCU_XOUT
RP T_INT
H_S D1
H_S D2
H_S D3
H_T1 +
H_T2 -
H_T2 +
H_T0 +
H_T1 -
H_T0 -
IICA
AC_VS ENS E
CE C_ A
MGND2
7
A12
A14
A15
A16
A17
B12
B13
B14
B15
B16
B17
C12C13
C14
C15
C16
C17
D12
D13
D14
D15
1
2
3
4
5
1
2
3 4
5
1
2
3 4
5
6
1
2
3
4
5
6
7
8
9
10
11
12
13
14
15
16
17
18
19
MGND1
MGND2
MGND3
MGND4
1
2
3
4
5 6
7
8
9
10
1
2
3
4
5 6
7
8
9
10
1
2
3
4
5
6
8
9
10
11
12
13
14
15
16
17
18
19
MGND1
MGND2
MGND3
MGND4
1
2
3
4
5 6
7
8
9
10
1
2
3
4
5 6
7
8
9
10
1
2 3
4
1
2
3 4
5
1
2
3
4
5
6
7
8
9
10
11
12
13
14
15
16
17
18
19
3DNGM 1DNGM
MGND4
1
2
3
4
5 6
7
8
9
10
1
2
3
4
5 6
7
8
9
10
1
2
3 4
5
1
2
3
4
5
6
7
8
9
10
11
12
13
14
15
16
17
18
19
20
21
22
23
24
25
26
27
28
29
30
31
32
33
34
35
36
37
38
39
40
41
42
43
44
45
46
47
48
49
50
51
52
53
54
55
56
57
58
59
60
61
62
63
64
65
66
67
68
69
70
71
72
73
74
75
76
77
78
79
80
81
82
83
84
85
86
87
88
89
90
91
92
93
94
95
96
97
98
99
10 0
10 1
10 2
10 3
10 4
10 5
10 6
10 7
10 8
10 9
11 0
11 1
11 2
11 3
11 4
11 5
11 6
11 7
11 8
11 9
12 0
12 1
12 2
12 3
12 4
12 5
12 6
12 7
12 8
E
B
C
E
B
C
E
B
C
Q3
Q2Q1
Q0
OUT_LINES
GND
OUT_LINESIN_LINES
GND
IN_LINES
IN_LINES
IN_LINES OUT_ LINES
OUT_LINES
OUT_LINES
GND
OUT_LINESIN_LINES
GND
IN_LINES
IN_LINES
IN_LINES OUT_ LINES
OUT_LINES
E
B
C
E
B
C
S
D
G
OUT
ADJEN
GND
IN
OUT_LINES
GND
OUT_LINESIN_LINES
GND
IN_LINES
IN_LINES
IN_LINES OUT_ LINES
OUT_LINES
OUT_LINES
GND
OUT_LINESIN_LINES
GND
IN_LINES
IN_LINES
IN_LINES OUT_ LINES
OUT_LINES
OUT_ LINES
GND
OUT_ LINESIN_LINES
GND
IN_LINES
IN_LINES
IN_LINES OUT_LINES
OUT_ LINES
OUT_ LINES
GND
OUT_ LINESIN_LINES
GND
IN_LINES
IN_LINES
IN_LINES OUT_LINES
OUT_ LINES
E
B
C
OUT
INADJ/NC
GND
EN
E
B
C
S
D
G
S
D
G
MCU_P 11
MCU_P 12
MCU_P 13
MCU_P 14
MCU_P 70
MCU_P 71
MCU_P 40
MCU_P 41
MCU_P 10
VSS E
MCU_P 27
MCU_P 26
MCU_P 25
MCU_P 24
MCU_P 23
MCU_P 22
MCU_P 21
MCU_P 20
MCU_VDD
MCU_XOUT
MCU_XIN
VSS E
ARC-
ARC+
VDDE
IIS _S D_IN
IIS _WS _IN
IIS _S CK_IN
RE G_V33
RE G_VIN
CO MR
AVS S
TX2+
TX2-
AVDD18
TX1+
TX1-
AVS S
TXC0+
TXC0-
AVDD18
TXC+
TXC-
AVS S
P VSS
P VDD18
S WING
DDCR _S CL
AVDD
RX22-
RX22+
AVS S
EXT_R ES
AVS S
RX21+
RX21-
AVDD
RX11+
RX11-
AVDD33
RX01+
RX01-
AVS S
RXC1 +
RXC1 -
AVDD
RX20+
RX20-
AVDD
RX10+
RX10-
AVDD33
RX00+
RX00-
AVS S
RXC0 +
RXC0 -
AVDD
MCU_O P
MCU_P 45
MCU_R S TB
VSS E
MCU_P 37
MCU_P 36
MCU_P 35
MCU_P 34
MCU_P 31
DDCT_ S CL
DDC2 _S CL
DDCR _S DA
DDCT_ S DA
DDC2 _S DA
VDDE
DDC1 _S CL
DDC1 _S DA
DDC0 _S CL
DDC0 _S DA
VSS E
AVDD
RXC2 -
RXC2 +
AVS S
RX02-
RX02+
AVDD33
RX12-
VDD18
VSS E
S CL2/S CL3
S DA2/S DA3
IIS _S D0
IIS _WS
IIS _S CK
MCLK
S P DIF
VDD18
VSS E
P LL_XFC _A
VDD_P LL
X_IN
EXT_R S TB
INTB
IIS _S D1
IIS _S D2
IIS _S D3
RE G_V18
RX12+
MCU_P 30
i_HDMI_HOTP LUG
o_AY_HDMITX_TXCN
o_AY_HDMITX_TXCP
o_AY_HDMITX_TX0N
o_AY_HDMITX_TX0P
o_AY_HDMITX_TX1N
o_AY_HDMITX_TX1P
o_AY_HDMITX_TX2N
o_AY_HDMITX_TX2P
o_AY_HDMITX_CLKO
i_AY_HDMITX_CLKI
i_AY_HDMITX_REXT
VDDOS C
VSSOSC
VSSA 3
VSSA 2
VSSA 1
VSSA
VDDPLL
VDDA1
VDDA
RO UT
BA
GND
VCC
POWER
VIDEO
TP 3
TP 2
TP 2
TP 2
TP 2
TP 2
TP 2
Copyright©1995-2012SAMSUNG.Allrightsreserved.6-13

Table of Contents

Other manuals for Samsung HT-E5550

Related product manuals